Cos'è ElectroYou | Login Iscriviti

ElectroYou - la comunità dei professionisti del mondo elettrico

Dubbio Impedenze a Regime

Circuiti, campi elettromagnetici e teoria delle linee di trasmissione e distribuzione dell’energia elettrica

Moderatori: Foto Utenteg.schgor, Foto UtenteIsidoroKZ

0
voti

[11] Re: Dubbio Impedenze a Regime

Messaggioda Foto Utentemaik91 » 16 lug 2015, 12:35

Infinitamente Grazie, ho capito la prima parte ma ancora non mi è chiaro su come considerare i circuiti associati quanto cortocircuito un generatore ||O ||O ||O Ti posto qualche esempio che ho riscontrato stamattina
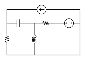
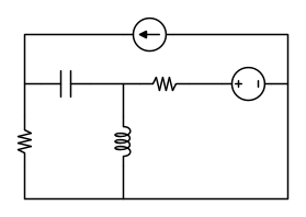
Questo è il mio cirucito iniziale, e mi chiede di calcolare i_l. Quando spengo il generatore di corrente (che è costante) sostituendo i corticircuiti e i circuiti aperti faccio i_l=\frac{e(t)}{R_{destra}}.


Quando però spengo il generatore di tensione (quello di corrente è sinusoidale) e calcolando le impedenze ho questa situazione

Ora come considero tutti questi Serie-Parallelo? ](*,) ](*,) ](*,)
Avatar utente
Foto Utentemaik91
15 3
 
Messaggi: 27
Iscritto il: 19 giu 2015, 12:52

0
voti

[12] Re: Dubbio Impedenze a Regime

Messaggioda Foto UtenteStokes » 16 lug 2015, 18:32

Scusa per l'attesa ma mi sono preso una giornata di vacanza :D
Quando spengo il generatore di corrente (che è costante)... (quello di corrente è sinusoidale)

Facciamo un attimo di chiarezza: quale generatore è costante e quale è sinusoidale?
Avatar utente
Foto UtenteStokes
456 1 5
Frequentatore
Frequentatore
 
Messaggi: 158
Iscritto il: 23 feb 2015, 15:04

0
voti

[13] Re: Dubbio Impedenze a Regime

Messaggioda Foto Utentemaik91 » 16 lug 2015, 19:54

Figurati :-) Quello di corrente è sinusoidale, quello di tensione è costante.
Avatar utente
Foto Utentemaik91
15 3
 
Messaggi: 27
Iscritto il: 19 giu 2015, 12:52

2
voti

[14] Re: Dubbio Impedenze a Regime

Messaggioda Foto UtenteStokes » 16 lug 2015, 20:56

Ok, abbiamo una rete forzata da due generatori non isofrequenziali, quindi dobbiamo per forza usare la sovrapposizione.

Spegniamo il gen. di corrente, chiamiamolo j(t) : correttamente, il contributo del gen. di tensione costante (chiamolo E ) alla corrente i_L è i_{L1}=\frac{E_1}{R_1}, come hai già trovato tu.

Ora spegnamo E e riaccendiamo j(t), a cui sostituiamo il fasore \bar{J}. Siamo in regime sinusoidale e quindi sostituiamo a C ed L le relative impedenze jX_C ed jX_L. Bene, ora si tratta soltanto di trovare \bar{I_{L2}} (bada bene: è un fasore) applicando le medesime regole del regime continuo (serie, parallelo, Thévenin, Norton, stella-triangolo e così via). Una volta che hai \bar{I_{L2}} ti riconduci alla sinusoide corrispondente (quindi funzione del tempo) i_{L2}(t) e ottieni la soluzione finale semplicemente sommando i_{L2}(t) e i_{L1}.
L'unica difficoltà potrebbe essere la conversione da sinusoide a fasore e viceversa, ma se hai un po' di dimistichezza coi numeri complessi è un attimo.
Avatar utente
Foto UtenteStokes
456 1 5
Frequentatore
Frequentatore
 
Messaggi: 158
Iscritto il: 23 feb 2015, 15:04

0
voti

[15] Re: Dubbio Impedenze a Regime

Messaggioda Foto Utentemaik91 » 16 lug 2015, 22:17

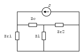
Il mio problema non è nel passaggio da fasore a dominio del tempo, il mio problema è capire come trovarmi i_l attraverso serie e parallelo ](*,) ](*,) ](*,) I Bipoli devono essere presenti tutti sottoforma di impedenze o posso anche sostituire a Condensatore e Induttore direttamente un circuitoaperto e un corto? Il mio problema sta proprio lì nel capire come impostare le regole per risolvere, alcune volte non so proprio come considerarli :cry: perché poi vedo che sono tutti mischiati e non c'è un ordine di gerarchia per considerarli in serie o parallelo :(
Avatar utente
Foto Utentemaik91
15 3
 
Messaggi: 27
Iscritto il: 19 giu 2015, 12:52

2
voti

[16] Re: Dubbio Impedenze a Regime

Messaggioda Foto UtenteStokes » 16 lug 2015, 23:00

Ok, allora dobbiamo fare un passo indietro.

Un chiarimento sulle impedenze:
L'impedenza di un bipolo generico è definita come \bar{Z}=R+jX;
- L'impedenza di un resistore ha solo parte reale, R;
- L'impedenza di un induttore o di un condensatore (ideali) ha solo parte immaginaria, X

In particolare la reattanza di un induttore è definita come X_L=\omega L ( e quindi \bar{Z}=j\omega L ). Cosa succede se siamo in regime continuo? Si può dire che la frequenza ( e quindi la pulsazione \omega ) è nulla, pertanto l'impedenza dell'induttore è zero \Rightarrow cortocircuito. Il che è coerente con l'equazione costitutiva dell'induttore, v=L\frac{di}{dt} ( in regime continuo tutte le grandezze sono stazionarie, quindi tutte le derivate sono nulle ).

La reattanza del condensatore è definita come X_C= -\frac{1}{\omega C} ( e quindi \bar{Z}=-\frac{j}{\omega C}=\frac{1}{j\omega C} ). In regime continuo allora l'impedenza del condensatore tende a infinito \Rightarrow circuito aperto. Il che è coerente con l'equazione costitutiva del condensatore, i=C\frac{dv}{dt}.

In regime sinusoidale la frequenza non è nulla ma ha un valore ben preciso: è quella del generatore forzante. Quindi noti i valori di L e C è immediato ricavarsi le impedenze.

Ora 2 domande:
- Cosa studi? Stai preparando qualche esame in particolare?
- Sostituisci a C ed L due resistori: pensi di saper risolvere la rete così modificata (puramente resistiva)?
Avatar utente
Foto UtenteStokes
456 1 5
Frequentatore
Frequentatore
 
Messaggi: 158
Iscritto il: 23 feb 2015, 15:04

0
voti

[17] Re: Dubbio Impedenze a Regime

Messaggioda Foto Utentemaik91 » 17 lug 2015, 12:27

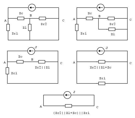
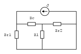
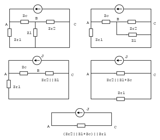
Sto preparando l'esame di Elettrotecnica all'università di Ingegneria :-) Comunque tutte queste cose sulle impedenze le conoscevo, ed arrivo a scrivere il circuito di impedenze associato, ma non so riconoscere i serie e paralleli a questo punto perché ho questo

Dimmi se sbaglio... Allora io risolverei così Z_{eq}=[(Z_l // Z_{r_2})+Z_c] // Z_{r_1}]
Alcune volte mi capitano circuiti che non riesco proprio ad associarli a nulla, nonostante altri li faccia ad occhi chiusi ](*,) Grazie mille ancora :-)
Avatar utente
Foto Utentemaik91
15 3
 
Messaggi: 27
Iscritto il: 19 giu 2015, 12:52

2
voti

[18] Re: Dubbio Impedenze a Regime

Messaggioda Foto Utenteadmin » 17 lug 2015, 13:05

Si, va bene. Per abituarsi a riconoscere serie e paralleli è utile disegnare i circuiti equivalenti successivi passo passo. Così, ad esempio
Avatar utente
Foto Utenteadmin
196,6k 9 12 17
Manager
Manager
 
Messaggi: 11950
Iscritto il: 6 ago 2004, 13:14

0
voti

[19] Re: Dubbio Impedenze a Regime

Messaggioda Foto Utentemaik91 » 17 lug 2015, 13:15

Grazie mille anche a te admin, siete stati esaustivi e vi ringrazio tanto :-) Per questo esame mi rimane solo qualche dubbio sui doppi bipoli intesi come matrici di resistenze e impedenze.... Magari se faccio un post su qualche esercizio che sto provando a fare potreste darmi qualche dritta? Grazie ancora, siete stati comunque gentilissimi :-)
Avatar utente
Foto Utentemaik91
15 3
 
Messaggi: 27
Iscritto il: 19 giu 2015, 12:52

0
voti

[20] Re: Dubbio Impedenze a Regime

Messaggioda Foto UtenteStokes » 17 lug 2015, 13:20

...tutte queste cose sulle impedenze le conoscevo

Allora non mi spiego questa domanda:
I Bipoli devono essere presenti tutti sottoforma di impedenze o posso anche sostituire a Condensatore e Induttore direttamente un circuitoaperto e un corto?


Comunque trovare l'impedenza equivalente ai capi del generatore di corrente non è molto utile, porta a calcoli troppo laboriosi e lunghi. Molto meglio applicare Thévenin ai morsetti dell'induttore, visto che è immediato calcolare sia la tensione a vuoto che l'impedenza equivalente.
Avatar utente
Foto UtenteStokes
456 1 5
Frequentatore
Frequentatore
 
Messaggi: 158
Iscritto il: 23 feb 2015, 15:04

PrecedenteProssimo

Torna a Elettrotecnica generale

Chi c’è in linea

Visitano il forum: Nessuno e 23 ospiti