Ciao a tutti. Ho un circuito di questo tipo (vedi allegato circuito 2) in cui si usano una resistenza da 12K ed un fotoresistenza LDR. L'uscita del segnale viene prelevato in A ed inviato alla base di un TIP107 (transistor darlington PNP).
Esiste un modo per far invertire la posizione del circuito (vedi allegato circuito 1) a seconda di un segnale esterno che presenta 2 valori di tensione ( ossia se ho 0 volt ho il circuito 2, se ho 3 volt ho il circuito 1 ) ?
Mi spiego meglio, se il segnale esterno è 0 volt, ho il circuito 2, se invece il segnale esterno è di 3 volt allora ho il circuito invertito 1, in pratica inverto le posizioni di LDR e della resistenza. E' sempre lo stesso circuito ma con inversione di posizione LDR/resistenza.
Deviatore elettronico
Moderatori:
carloc,
g.schgor,
BrunoValente,
IsidoroKZ
1
voti
http://www.electroyou.it/darwinne/wiki/fidocadj
Buona risoluzione,

Più so e più mi accorgo di non sapere.
Qualsiasi cosa abbia scritto, tieni presente che sono ancora al mio primo rocchetto di stagno.
Qualsiasi cosa abbia scritto, tieni presente che sono ancora al mio primo rocchetto di stagno.
1
voti
I circuiti mostrati sono senza isteresi, potrebbero creare saltuariamente dei problemi quando non è buio ma neppure piena luce:
quando l'intensità luminosa è insufficente per saturare il transistor, questo può dissipare parecchio,
anche il motore ricevendo poca tensione non ruota ma assorbe una corrente, magari poco al di sotto di quella di spunto. Sarebbe meglio usare una logica di comando, qualche operazionale montato a comparatore con isteresi o magari con un microprocessore, una schedina Arduino potrebbe andare bene, così inserisci il comando per l'inversione del moto e anche la condizione di motore fermo.
quando l'intensità luminosa è insufficente per saturare il transistor, questo può dissipare parecchio,
anche il motore ricevendo poca tensione non ruota ma assorbe una corrente, magari poco al di sotto di quella di spunto. Sarebbe meglio usare una logica di comando, qualche operazionale montato a comparatore con isteresi o magari con un microprocessore, una schedina Arduino potrebbe andare bene, così inserisci il comando per l'inversione del moto e anche la condizione di motore fermo.
0
voti
MarcoD, è interessante la tua risposta. Avendo realizzato il circuito che vi ho mostrato, ho notato che in certe condizioni si surriscalda il TIP107. Lo scopo del circuito è quello di creare un sistema eccitatore e inibitore (i due casi che ho disegnato) in un robot fotovoro. Volendo fare con un solo circuito i due casi, senza usare un deviatore meccanico (vedi allegato), ma usando un segnale e un qualche circuito elettronico che funga da deviatore meccanico pilotato da questo segnale per ottenere il mio scopo.
0
voti
Sinceramente non ci ho capito molto e poi in assenza di altri dati, l'unica cosa che mi viene in mente e' l'integrato 4066. Vedi se fa al caso tuo, altrimenti spiegati meglio.
marco
0
voti
I tuoi circuiti hanno una criticità ossia un difetto (differente) ciascuno:
Quello di sinistra (R 12 kohm fra base e massa)
La corrente nella base vale all'incirca al massimo 6V /12 k = 0,5 mA.
supponiamo un beta (hfe) del transistor = 100
I collettore = 0,5 * 100 = 50 mA sono sufficenti per mettere in moto il motore?
Quanto deve valere la resitenza minima del fotoresistore per interdire il transistor?
deve avere una Vbe minore di 0,6 V
orria il partitore Rfres e R12 K deve essere 1/10
Rfres v= 1,1 kohm
Quello di destra ( fotoresistore fra base e massa):
quanto vale la resistenza minima del fotoresistore? 1 kohm
la corrente nella base puo' essere 6v / 1 k = 6 mA un poco elevata, ma non dovrebbe danneggiare il transistor.
ma se scendesse a 100 ohm ?? 60 mA forse ancora non lo danneggia.
Per qualunque circuito con dei valori occorre fare dei calcoli di dimensionamento.
Quello di sinistra (R 12 kohm fra base e massa)
La corrente nella base vale all'incirca al massimo 6V /12 k = 0,5 mA.
supponiamo un beta (hfe) del transistor = 100
I collettore = 0,5 * 100 = 50 mA sono sufficenti per mettere in moto il motore?
Quanto deve valere la resitenza minima del fotoresistore per interdire il transistor?
deve avere una Vbe minore di 0,6 V
orria il partitore Rfres e R12 K deve essere 1/10
Rfres v= 1,1 kohm
Quello di destra ( fotoresistore fra base e massa):
quanto vale la resistenza minima del fotoresistore? 1 kohm
la corrente nella base puo' essere 6v / 1 k = 6 mA un poco elevata, ma non dovrebbe danneggiare il transistor.
ma se scendesse a 100 ohm ?? 60 mA forse ancora non lo danneggia.
Per qualunque circuito con dei valori occorre fare dei calcoli di dimensionamento.
0
voti
Il transistor é di tipo Darlington, con un hfe compreso tra 1000 e 2000, sulle resistenze, soprattutto per l'interdizione bisognerebbe sapere la resistenza della ldr nelle varie condizioni di luce!
Piuttosto che chiedere qualcosa a me, chiedila a Mara Maionchi. E' più competente.
-

paofanello
2.280 8 13 - Expert

- Messaggi: 532
- Iscritto il: 7 lug 2015, 21:01
4
voti
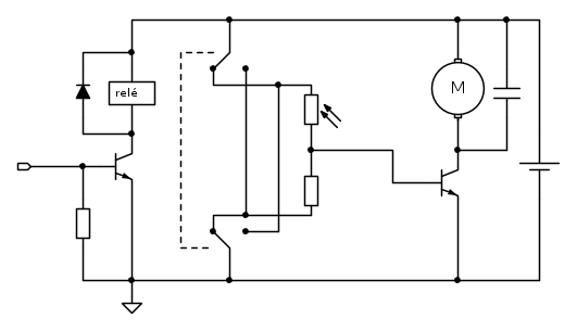
Senza entrare nel merito che questa configurazione possa realmente funzionare, come spiegato da
MarcoD, se lo scopo é solo di invertire le connessioni di R e LDR, perché non usi semplicemente un relé per invertire le connessioni?
Tipo questo schema di massima (ho usato NPN per mia comodita'):

Tipo questo schema di massima (ho usato NPN per mia comodita'):

Nemmeno gli Dei possono nulla contro la stupidità umana ?
0
voti
paofanello ha scritto:Il transistor é di tipo Darlington, con un hfe compreso tra 1000 e 2000, sulle resistenze, soprattutto per l'interdizione bisognerebbe sapere la resistenza della ldr nelle varie condizioni di luce!
Se è un Darlington (hfe elevato) le mie obiezioni in parte cadono. Tuttavia una resistenza di protezione in serie alla base ( 2 kohm ? da verificare) non guasta.
Per la resistenza della ldr, se vuoi realizzare qualcosa di ben funzionante, misurala nelle condizioni di luce che prevedi con un tester (ohmmetro) o meglio misura la corrente assorbita con tensione applicata costante ( 6 V quella di lavoro).
Sul motore misura:
la resistenza di armatura (ai capi dei morsetti)
la corrente di spunto
la corrente quando gira a vuoto ( senza carico)
E poi comunicaci i valori, potremo aiutarti meglio.
..buone prove...

Chi c’è in linea
Visitano il forum: Nessuno e 158 ospiti

Elettrotecnica e non solo (admin)
Un gatto tra gli elettroni (IsidoroKZ)
Esperienza e simulazioni (g.schgor)
Moleskine di un idraulico (RenzoDF)
Il Blog di ElectroYou (webmaster)
Idee microcontrollate (TardoFreak)
PICcoli grandi PICMicro (Paolino)
Il blog elettrico di carloc (carloc)
DirtEYblooog (dirtydeeds)
Di tutto... un po' (jordan20)
AK47 (lillo)
Esperienze elettroniche (marco438)
Telecomunicazioni musicali (clavicordo)
Automazione ed Elettronica (gustavo)
Direttive per la sicurezza (ErnestoCappelletti)
EYnfo dall'Alaska (mir)
Apriamo il quadro! (attilio)
H7-25 (asdf)
Passione Elettrica (massimob)
Elettroni a spasso (guidob)
Bloguerra (guerra)







