Ciao a tutti, vorrei comandare 2 ventole per PC che hanno successivamente un assorbimento di .4A e giocando con dei componenti che avevo in casa ho provato a realizzarne uno semplice testandolo con circuit wizard. Volevo sottoporlo alla vostra attenzione per capire se stavo sbagliando qualcosa. A me semplicemente interessava pilotare le ventole partendo da una tensione di 5V sino ad arrivare ad una di 12, diciamo che avessi uno schema semplice per un PWM sarei super felice.
Grazie a tutti in anticipo per i consigli.
Regolatore velocità ventole PC
Moderatori:
carloc,
g.schgor,
BrunoValente,
IsidoroKZ
0
voti
Direi di lasciar perdere il circuito che hai fatto; non si capisce a che cosa dovrebbe servire.
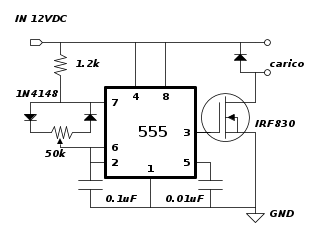
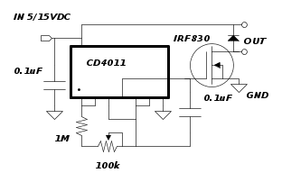
Se vuoi pilotare una ventola, usa uno dei due circuiti che seguono che, naturalmente, andranno adattati al tuo carico.
La ventola e' da 400mA o 40mA?
Se vuoi pilotare una ventola, usa uno dei due circuiti che seguono che, naturalmente, andranno adattati al tuo carico.
La ventola e' da 400mA o 40mA?
marco
0
voti
Le ventole sono rispettivamente di 0.4A ciascuna, grazie in anticipo
-

prometheus
20 3 - New entry

- Messaggi: 52
- Iscritto il: 30 gen 2010, 11:12
0
voti
Ciao, ho optato sul secondo schema, una domanda se la tensione in ingresso arrivasse a 13-14V ci sarebbero problemi con il circuito o con le ventole?
Ps: non mi ero ricordato di scrivere che non le monto su un PC, ma all'interno di una caravan ed è per quello che cercavo un circuito semplice e soprattutto che non producesse calore durante l'esercizio.
Grazie ancora
Ps: non mi ero ricordato di scrivere che non le monto su un PC, ma all'interno di una caravan ed è per quello che cercavo un circuito semplice e soprattutto che non producesse calore durante l'esercizio.
Grazie ancora
-

prometheus
20 3 - New entry

- Messaggi: 52
- Iscritto il: 30 gen 2010, 11:12
0
voti
prometheus ha scritto:Ciao, ho optato sul secondo schema, una domanda se la tensione in ingresso arrivasse a 13-14V ci sarebbero problemi con il circuito o con le ventole?
Metti un paio di diodi da > 3 A in serie al positivo e non dovrebbero esserci problemi.
0
voti
Ciao, provo ad aiutarti, ma aspetta Marco e gli altri esperti per la conferma. Diciamo che provo a ragionare con te, è più corretto.
Nel suo primo circuito
marco438 ti ha indicato una tensione in entrata di 5/15V quindi non avresti problemi, però se ho capito bene tu vorresti usare il secondo, con una tensione superiore ai 12V.
Guardando ai componenti del circuito 2 di Marco, non mi sembra che avresti problemi fino ai 18V limite massimo del 555, anche se potrebbe esserci qualcosa che mi sfugge.
http://www.ti.com/lit/ds/symlink/lm555.pdf
Sia il MOSFET IRF830 che i diodi 1N4148 hanno poi massimi di lavoro molto più elevati.
Ora, ammettendo (ma è tutto da verificare) che quello che ho scritto finora è corretto, il limite potrebbe arrivare proprio dalla ventola che è a 12V e tenderebbe alla frittura. Forse in questo caso ti suggeriranno di mettere un DC/DC converter per portare la tensione a 12 stabili.
Ho provato ad aiutarti, ma è meglio se aspetti qualche esperto per confermare, smentire o integrare quello che ho scritto perché io sono alle prime armi.
Intanto un caro saluto e buon rinfresco!

EDIT: ha già fatto
edgar 
Nel suo primo circuito
Guardando ai componenti del circuito 2 di Marco, non mi sembra che avresti problemi fino ai 18V limite massimo del 555, anche se potrebbe esserci qualcosa che mi sfugge.
http://www.ti.com/lit/ds/symlink/lm555.pdf
Sia il MOSFET IRF830 che i diodi 1N4148 hanno poi massimi di lavoro molto più elevati.
Ora, ammettendo (ma è tutto da verificare) che quello che ho scritto finora è corretto, il limite potrebbe arrivare proprio dalla ventola che è a 12V e tenderebbe alla frittura. Forse in questo caso ti suggeriranno di mettere un DC/DC converter per portare la tensione a 12 stabili.
Ho provato ad aiutarti, ma è meglio se aspetti qualche esperto per confermare, smentire o integrare quello che ho scritto perché io sono alle prime armi.
Intanto un caro saluto e buon rinfresco!

EDIT: ha già fatto
Più so e più mi accorgo di non sapere.
Qualsiasi cosa abbia scritto, tieni presente che sono ancora al mio primo rocchetto di stagno.
Qualsiasi cosa abbia scritto, tieni presente che sono ancora al mio primo rocchetto di stagno.
1
voti
Ancora un enorme grazie a tutti, diciamo che utilizzerei queste bellissime ventole che ho già acquistato da 230mm http://img.bitfenix.com/products_images/775.png?0 ,per far circolare l'aria quando la caravan è chiusa e c'è la mia gatta all'interno che ronfa, per questo motivo cercavo un circuito per pilotarle da inserire nel pannello centrale dei comandi, e che non avesse problemi di temperature elevate in esercizio per paure che già immaginate.
-

prometheus
20 3 - New entry

- Messaggi: 52
- Iscritto il: 30 gen 2010, 11:12
Chi c’è in linea
Visitano il forum: Majestic-12 [Bot] e 44 ospiti

Elettrotecnica e non solo (admin)
Un gatto tra gli elettroni (IsidoroKZ)
Esperienza e simulazioni (g.schgor)
Moleskine di un idraulico (RenzoDF)
Il Blog di ElectroYou (webmaster)
Idee microcontrollate (TardoFreak)
PICcoli grandi PICMicro (Paolino)
Il blog elettrico di carloc (carloc)
DirtEYblooog (dirtydeeds)
Di tutto... un po' (jordan20)
AK47 (lillo)
Esperienze elettroniche (marco438)
Telecomunicazioni musicali (clavicordo)
Automazione ed Elettronica (gustavo)
Direttive per la sicurezza (ErnestoCappelletti)
EYnfo dall'Alaska (mir)
Apriamo il quadro! (attilio)
H7-25 (asdf)
Passione Elettrica (massimob)
Elettroni a spasso (guidob)
Bloguerra (guerra)





