Cos'è ElectroYou | Login Iscriviti

ElectroYou - la comunità dei professionisti del mondo elettrico

Alimentatore sotto stretta sorveglianza

Elettronica lineare e digitale: didattica ed applicazioni

Moderatori: Foto Utentecarloc, Foto Utenteg.schgor, Foto UtenteBrunoValente, Foto UtenteIsidoroKZ

0
voti

[21] Re: Alimentatore sotto stretta sorveglianza

Messaggioda Foto Utenteclaudiocedrone » 11 ago 2015, 15:25

:-) Scusa ma è per capire... ma hai esigenze specifiche che ti portano a variare la tensione dell'alimentatore quando non lo usi per gli utilizzatori finali ? Altrimenti più scrivi e più sembra veramente che tu sia dell'UCAS :mrgreen: è un lineare o è a commutazione ? Perché se è un lineare e non ti serve variarne la tensione si può con relativa semplicità modificarlo per fargli erogare sempre e solo 13,5 V (con qualche decimo di volt in più o in meno per derive varie) senza aggiungerci tutto questo Amba Aradam (ciccì coccò*). O_/
P.s. Qui su EY non si dorme mai, si è sempre all'erta :cool: ... (* e infatti se ne notano le conseguenze... :mrgreen: )
"Non farei mai parte di un club che accettasse la mia iscrizione" (G. Marx)
Avatar utente
Foto Utenteclaudiocedrone
21,3k 4 7 9
Master EY
Master EY
 
Messaggi: 15302
Iscritto il: 18 gen 2012, 13:36

0
voti

[22] Re: Alimentatore sotto stretta sorveglianza

Messaggioda Foto UtenteStefanGrenzer » 11 ago 2015, 23:45

Ma cosa è UCAS? Provo ad informarmi. Infatti è più semplice acquistare un Alim. Fisso ma ora sto usando questo (lineare) perché a volte utilizzo degli Apparati a 9 e a 18 volt. E non voglio spender un cifrone per il fisso. Magari più avanti...! Domani mi guardo lo schema di IsidoroKZ e l'altra soluzione che mi avete suggerito. Boh. Ora vado a dormire. Voi restate pure a fare la guardia. Nur Morgen ich bin dran. Genug ein Mal. ;-)
Avatar utente
Foto UtenteStefanGrenzer
169 5
Frequentatore
Frequentatore
 
Messaggi: 147
Iscritto il: 17 gen 2015, 1:47

2
voti

[23] Re: Alimentatore sotto stretta sorveglianza

Messaggioda Foto UtenteIsidoroKZ » 12 ago 2015, 0:42

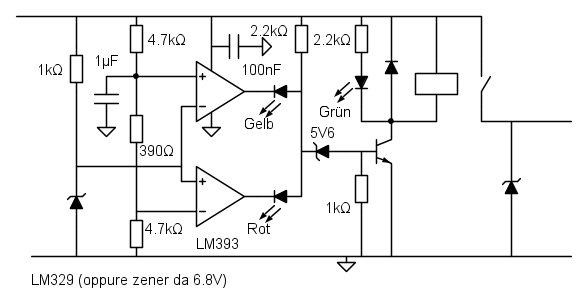
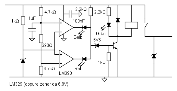
Questa e` un'altra possibilita`: comparatore a finestra: attiva il carico quando la tensione di ingresso e` fra due valori, ad esempio 13V e 14V, altrimenti l'uscita e` staccata.

Il led giallo e` acceso quando la tensione di ingresso e` troppo bassa e in uscita non c'e` nulla, quello rosso quando la tensione di ingresso e` troppo alta e in uscita non c'e` nulla, quello verde si accende quando la tensione di ingresso e` nell'intervallo voluto e viene passata all'uscita.



Non mi piace molto perche' e` un sistema senza isteresi, e fare delle comparazioni di segnali lenti senza isteresi e` sempre un buon modo per cercare guai.
Per usare proficuamente un simulatore, bisogna sapere molta più elettronica di lui
Plug it in - it works better!
Il 555 sta all'elettronica come Arduino all'informatica! (entrambi loro malgrado)
Se volete risposte rispondete a tutte le mie domande
Avatar utente
Foto UtenteIsidoroKZ
121,2k 1 3 8
G.Master EY
G.Master EY
 
Messaggi: 21059
Iscritto il: 17 ott 2009, 0:00

1
voti

[24] Re: Alimentatore sotto stretta sorveglianza

Messaggioda Foto Utenteclaudiocedrone » 12 ago 2015, 0:53

:-) Stefan, UCAS è un acronimo... Ufficio Complicazione Affari Semplici ;-) :mrgreen:
Isidoro, concordo pienamente con la tua ultima affermazione. O_/
"Non farei mai parte di un club che accettasse la mia iscrizione" (G. Marx)
Avatar utente
Foto Utenteclaudiocedrone
21,3k 4 7 9
Master EY
Master EY
 
Messaggi: 15302
Iscritto il: 18 gen 2012, 13:36

4
voti

[25] Re: Alimentatore sotto stretta sorveglianza

Messaggioda Foto UtenteIsidoroKZ » 12 ago 2015, 7:20

E questa invece e` la versione con comparatore a finestra e isteresi. Al solito i valori sono da sistemare per fare il trimming e in base alle soglie volute.



Altra nottata per fare il circuito :-)

Ma la soluzione migliore e` quella proposta da Foto Utenteedgar: regolatore a basso drop out (seguendo quanto il data sheet dice).
Per usare proficuamente un simulatore, bisogna sapere molta più elettronica di lui
Plug it in - it works better!
Il 555 sta all'elettronica come Arduino all'informatica! (entrambi loro malgrado)
Se volete risposte rispondete a tutte le mie domande
Avatar utente
Foto UtenteIsidoroKZ
121,2k 1 3 8
G.Master EY
G.Master EY
 
Messaggi: 21059
Iscritto il: 17 ott 2009, 0:00

1
voti

[26] Re: Alimentatore sotto stretta sorveglianza

Messaggioda Foto UtenteBrunoValente » 13 ago 2015, 20:56

Bella quella finestra che si stringe un po' quando il valore esce fuori dai limiti :-)
Avatar utente
Foto UtenteBrunoValente
39,6k 7 11 13
G.Master EY
G.Master EY
 
Messaggi: 7796
Iscritto il: 8 mag 2007, 14:48

0
voti

[27] Re: Alimentatore sotto stretta sorveglianza

Messaggioda Foto UtenteStefanGrenzer » 17 ago 2015, 0:18

Ok. Grazie. Prenderò tutto in considerazione. Ma Isidoro perché passi la intera Notte a progettare il circuito , con Isteresi e senza, e poi suggerisci che meglio di tutto è il progetto di Edgar? Scommetto che l'hai fatto solo per Gesto automatico di Utilizzare il Regolo. ;-)
Avatar utente
Foto UtenteStefanGrenzer
169 5
Frequentatore
Frequentatore
 
Messaggi: 147
Iscritto il: 17 gen 2015, 1:47

Precedente

Torna a Elettronica generale

Chi c’è in linea

Visitano il forum: Nessuno e 185 ospiti