Buonasera a tutti,
Tramite un'interfaccia wifi ho collegato l'apertura di un cancellino elettrico e una portavetro (si aprono tramite elettroserrature) in modo tale da poterle aprire comodamente dallo smartphone.
Ora l'interfaccia purtroppo ha un solo relè, con questo interrompo il positivo di un piccolo alimentatore 5v che va ad eccitare due rele' (che ho piazzato su una piastra millefori, sono da 5v 40mA resistenza della bobina 125ohm) collegati ai 2 rispettivi pulsanti sul citofono (non posso fare cambiamenti sull'impianto in quanto abito in condominio)
Tutto funziona correttamente se non che, molte volte, il portoncino in vetro non si apre in quanto se alimento nello stesso momento le 2 elettroserrature, l'alimentatore principale non fornisce abbastanza potenza per aprirle entrambe.
C'è un modo, ad esempio con un condensatore, di ritardare la chiusura sul secondo rele, in modo da far aprire anche il portoncino in vetro? Come posso procedere?
Grazie in anticipo.
Ritardo eccitazione relè
Moderatori:
carloc,
g.schgor,
BrunoValente,
IsidoroKZ
34 messaggi
• Pagina 1 di 4 • 1, 2, 3, 4
0
voti
Ciao,
credo che uno schema in FidoCadJ del tuo circuito aiuterà gli esperti ad aiutarti.

credo che uno schema in FidoCadJ del tuo circuito aiuterà gli esperti ad aiutarti.

Più so e più mi accorgo di non sapere.
Qualsiasi cosa abbia scritto, tieni presente che sono ancora al mio primo rocchetto di stagno.
Qualsiasi cosa abbia scritto, tieni presente che sono ancora al mio primo rocchetto di stagno.
0
voti
dvd2000 ha scritto: l'interfaccia purtroppo ha un solo relè
Quanto tempo dura la chiusura di questo relè quando arriva un comando dallo smartfon?
Se dura abbastanza da coprire il ritardo che desideri imprimere a uno dei due relè sottostanti allora la soluzione è data da un gruppo RCR e un Darlington.
3
voti
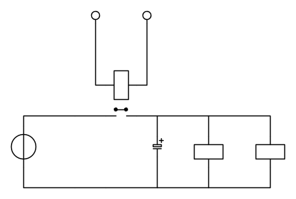
Dapprima la facevo durare circa 300 millisecondi, ma poi l'ho alzato a circa 2 secondi in quanto le elettroserrature non sempre reagiscono con impulsi così' brevi.
Allego lo schema fatto al momento
Allego lo schema fatto al momento
Ultima modifica di
thunderbolt128 il 13 ago 2015, 19:44, modificato 2 volte in totale.
Motivazione: Reinserito schema con fidocad per renderlo editabile.
Motivazione: Reinserito schema con fidocad per renderlo editabile.
4
voti
Ciao. Ottima cosa realizzare lo schema con fidocad. Tuttavia devi inserirlo con l'apposito comando per inserirlo in linea con il testo (tasto "fcd"). Inserirlo come immagine serve a poco poiché si perde l'utilità del programma ovvero quello di essere modificabile da altri utenti. Ho rifatto lo schema nel tuo messaggio 

Alla fine, non ricorderemo le parole dei nostri nemici, ma i silenzi dei nostri amici.
Martin Luther King
Martin Luther King
-

thunderbolt128
1.640 1 8 13 - Expert

- Messaggi: 721
- Iscritto il: 4 set 2012, 13:57
0
voti
Evita di citare per intero i messaggi che precedono; se del caso, cita solo la parte saliente.
Hai letto le regole del forum?
Grazie!
Hai letto le regole del forum?
Grazie!
0
voti
Riguardo il tuo problema vedo 3 soluzioni.
1) Ritardo di un relè.
Questo lo puoi effettuare in maniera analogica sia in maniera digitale mediante l'uso di un microcontrollore.
In maniera analogica una soluzione molto semplice che mi viene in mente è quella di regolare la carica di un condensatore con una resistenza o magari un potenziometro sfruttando la costante T = RC. Quando il condensatore avrà raggiunto un certo livello di tensione lo rilevi con un comparatore che ti permetterà l'eccitazione di un relè. In maniera digitale basta un microcontrollore come un Attiny85. Configuri un I/O digitale come input e scrivi due righe di codice che, Appena si riceve un segnale su uno dei pin I/0 si restituisce subito un segnale su una porta digitale di output (primo relè). Dopo un ritardo espresso nel programma si fornisce corrente ad un'altra porta digitale di output (secondo relè).
Tutto sta nelle conoscenze che si hanno e nel modo in cui si vogliono affrontare i problemi (approccio digitale o analogico).
2) Condensatore di grossa capacità in parallelo all'alimentatore. Se ti serve un impulso di una frazione di secondo puoi anche sfruttare la carica immagazzinata in un grosso condensatore.
3) Sostituisci l'alimentatore. Ne metti uno in grado di erogare più corrente e sei a posto
1) Ritardo di un relè.
Questo lo puoi effettuare in maniera analogica sia in maniera digitale mediante l'uso di un microcontrollore.
In maniera analogica una soluzione molto semplice che mi viene in mente è quella di regolare la carica di un condensatore con una resistenza o magari un potenziometro sfruttando la costante T = RC. Quando il condensatore avrà raggiunto un certo livello di tensione lo rilevi con un comparatore che ti permetterà l'eccitazione di un relè. In maniera digitale basta un microcontrollore come un Attiny85. Configuri un I/O digitale come input e scrivi due righe di codice che, Appena si riceve un segnale su uno dei pin I/0 si restituisce subito un segnale su una porta digitale di output (primo relè). Dopo un ritardo espresso nel programma si fornisce corrente ad un'altra porta digitale di output (secondo relè).
Tutto sta nelle conoscenze che si hanno e nel modo in cui si vogliono affrontare i problemi (approccio digitale o analogico).
2) Condensatore di grossa capacità in parallelo all'alimentatore. Se ti serve un impulso di una frazione di secondo puoi anche sfruttare la carica immagazzinata in un grosso condensatore.
3) Sostituisci l'alimentatore. Ne metti uno in grado di erogare più corrente e sei a posto

Alla fine, non ricorderemo le parole dei nostri nemici, ma i silenzi dei nostri amici.
Martin Luther King
Martin Luther King
-

thunderbolt128
1.640 1 8 13 - Expert

- Messaggi: 721
- Iscritto il: 4 set 2012, 13:57
0
voti
Sostituire l'alimentatore dei citofoni non è possibile perché e' condominiale purtroppo...
La soluzione del condensatore mi sembra la più' veloce, ma se lo metto in parallelo all'alimentatore non mi ritarda la diseccitazione di tutti e due i relè?
La soluzione del condensatore mi sembra la più' veloce, ma se lo metto in parallelo all'alimentatore non mi ritarda la diseccitazione di tutti e due i relè?
1
voti
Devi collegarlo subito dopo l'alimentatore e non sui relè. In questo modo:
In quest'altro modo invece sarebbe sbagliato poiché, anziché tenere il condensatore sempre carico lo andresti a caricare in contemporanea all'eccitazione dei relays e quindi non servirebbe a nulla se non a ritardarne la chiusura e la riapertura. E comunque non sarebbe un ritardo controllato poiché il relè non lavora ad una soglia precisa.......un ritardo non sfruttabile insomma...senza contare che lo imporresti ad entrambi i relays in egual modo
P.s. non so se ti è chiaro il concetto ma.....
Eccitazione: la bobina del relè riceve corrente ed apre/chiude eventuali contatti
Diseccitazione: la bobina del relè non riceve corrente e ripone i contatti allo stato di "riposo"
In quest'altro modo invece sarebbe sbagliato poiché, anziché tenere il condensatore sempre carico lo andresti a caricare in contemporanea all'eccitazione dei relays e quindi non servirebbe a nulla se non a ritardarne la chiusura e la riapertura. E comunque non sarebbe un ritardo controllato poiché il relè non lavora ad una soglia precisa.......un ritardo non sfruttabile insomma...senza contare che lo imporresti ad entrambi i relays in egual modo
P.s. non so se ti è chiaro il concetto ma.....
Eccitazione: la bobina del relè riceve corrente ed apre/chiude eventuali contatti
Diseccitazione: la bobina del relè non riceve corrente e ripone i contatti allo stato di "riposo"
Alla fine, non ricorderemo le parole dei nostri nemici, ma i silenzi dei nostri amici.
Martin Luther King
Martin Luther King
-

thunderbolt128
1.640 1 8 13 - Expert

- Messaggi: 721
- Iscritto il: 4 set 2012, 13:57
0
voti
Ti ringrazio per la risposta ma forse non mi sono spiegato bene.
L'alimentatore da 5v nel circuito che comanda i rele' non è sottodimensionato, è sottodimensionato l'alimentatore che alimenta le elettroserrature. (al di fuori dell'appartamento)
I due rele' servono appunto a pilotare l'alimentatore principale da 12volt al quale non ho accesso e quindi non posso applicare un condensatore all'alimentatore da 12v.
Quindi devo trovare il modo di far chiudere tutti e 2 rele', ma una volta tolto l'impulso a 5v, il rele' della portavetro deve rimanere chiuso per mezzo secondo, mentre l'altro deve tornare a riposo subito.
Avevo pensato di mettere un condensatore solo su un rele per poterne ritardare la diseccitazione.
L'alimentatore da 5v nel circuito che comanda i rele' non è sottodimensionato, è sottodimensionato l'alimentatore che alimenta le elettroserrature. (al di fuori dell'appartamento)
I due rele' servono appunto a pilotare l'alimentatore principale da 12volt al quale non ho accesso e quindi non posso applicare un condensatore all'alimentatore da 12v.
Quindi devo trovare il modo di far chiudere tutti e 2 rele', ma una volta tolto l'impulso a 5v, il rele' della portavetro deve rimanere chiuso per mezzo secondo, mentre l'altro deve tornare a riposo subito.
Avevo pensato di mettere un condensatore solo su un rele per poterne ritardare la diseccitazione.
34 messaggi
• Pagina 1 di 4 • 1, 2, 3, 4
Chi c’è in linea
Visitano il forum: Google Adsense [Bot] e 54 ospiti

Elettrotecnica e non solo (admin)
Un gatto tra gli elettroni (IsidoroKZ)
Esperienza e simulazioni (g.schgor)
Moleskine di un idraulico (RenzoDF)
Il Blog di ElectroYou (webmaster)
Idee microcontrollate (TardoFreak)
PICcoli grandi PICMicro (Paolino)
Il blog elettrico di carloc (carloc)
DirtEYblooog (dirtydeeds)
Di tutto... un po' (jordan20)
AK47 (lillo)
Esperienze elettroniche (marco438)
Telecomunicazioni musicali (clavicordo)
Automazione ed Elettronica (gustavo)
Direttive per la sicurezza (ErnestoCappelletti)
EYnfo dall'Alaska (mir)
Apriamo il quadro! (attilio)
H7-25 (asdf)
Passione Elettrica (massimob)
Elettroni a spasso (guidob)
Bloguerra (guerra)






