Buonasera a tutti!
Sto impazzendo cercando di adattare l'uscita analogica del sensore umidità HIH5030 della Honeywell: http://sensing.honeywell.com/index.php?ci_id=49692
E' un sensore che funziona a 5v e restituisce in uscita una tensione che sale in base al livello di 'umidita'
In pratica lo devo collegare come trigger al Wemo Maker, un'interfaccia gestibile da Iphone, che però supporta come ingresso la logica TTL:
Sensor Technical Specifications
TTL Logic
Low: 0-0.8V DC
High: 2.4-5V DC
Normally High (Optimized for sensors with open collector outputs, using internal 4.7k Ohm pull-up Resistor)
Powered by maker PSU or self-powered sensors
5V 100mA max, power supply
Self-powered sensors: requires voltage isolation between sensor and Maker
Logic output can be inverted in electronics, or within rules in the app
Vorrei poter regolare con un trimmer la soglia di umidità' in modo tale che l'uscita TTL sia alta o bassa in base al valore impostato.
Avete qualche idea?
Grazie.
Sensore umidita' HIH5030 conversione segnale TTL
Moderatori:
carloc,
g.schgor,
BrunoValente,
IsidoroKZ
18 messaggi
• Pagina 1 di 2 • 1, 2
0
voti
- Allegati
-
- medium.png (9.43 KiB) Osservato 4099 volte
1
voti
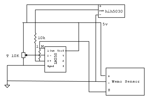
Ti serve un comparatore con isteresi fra l'uscita del sensore HIH5050 e l'ingresso TTL.
Lo realizzerei con uno dei due operazionali di un economico LM358 alimentato con +5V della logica TTL.
Sono poco bravo a disegnare in Fidocad e ti descrivo lo schema a parole.
L'operazionale ha un ingresso + (non invertente) e un ingresso - (invertente) e una uscita U.
Collego un potenziometro P1 da 10kohm con gli estremi fra +5V e massa.
Il cursore di P1 va connesso all'ingresso -. P1 regola la soglia di scatto.
il sensore è connesso all'ingresso + tramite un resistore R1 da 10 kohm in serie.
Un resistore R2 da 1 Mohm è connesso fra ingresso + e uscita U.
L'uscita U commuta fra 0,05 V e circa 3,5 V.
Con R1 e R2 si realizza una isteresi di circa 1 % di 3,5 V = 35 mV.
Per verifica prova a disegnarlo e a inviarmelo.

Ho appena visto che
IlGuru mi ha anticipato.
Lo realizzerei con uno dei due operazionali di un economico LM358 alimentato con +5V della logica TTL.
Sono poco bravo a disegnare in Fidocad e ti descrivo lo schema a parole.
L'operazionale ha un ingresso + (non invertente) e un ingresso - (invertente) e una uscita U.
Collego un potenziometro P1 da 10kohm con gli estremi fra +5V e massa.
Il cursore di P1 va connesso all'ingresso -. P1 regola la soglia di scatto.
il sensore è connesso all'ingresso + tramite un resistore R1 da 10 kohm in serie.
Un resistore R2 da 1 Mohm è connesso fra ingresso + e uscita U.
L'uscita U commuta fra 0,05 V e circa 3,5 V.
Con R1 e R2 si realizza una isteresi di circa 1 % di 3,5 V = 35 mV.
Per verifica prova a disegnarlo e a inviarmelo.

Ho appena visto che
1
voti
0
voti
OK. Lo schema è corretto.
Per precauzione, per filtrare eventuali disturbi indotti, se le connessioni sono lunghe, monta un condensatore ceramico da 100 nF fra pin 4 e 8 dell'integrato per fliltrare l'alimentazione e la tensione di riferimento.

Per precauzione, per filtrare eventuali disturbi indotti, se le connessioni sono lunghe, monta un condensatore ceramico da 100 nF fra pin 4 e 8 dell'integrato per fliltrare l'alimentazione e la tensione di riferimento.

0
voti
Ho appena finito di assemblare il tutto, che dire... FUNGE!
Unica cosa ho in uscita 2,15v forse perché ho messo un piccolo led tra uscita e massa? Per aumentare leggermente la tensione di uscita basta sostituire la resistenza da 1Mohm?
Grazie ancora!
Unica cosa ho in uscita 2,15v forse perché ho messo un piccolo led tra uscita e massa? Per aumentare leggermente la tensione di uscita basta sostituire la resistenza da 1Mohm?
Grazie ancora!
0
voti
dvd2000 ha scritto:Unica cosa ho in uscita 2,15v forse perché ho messo un piccolo led tra uscita e massa?
Se tu ci avessi messo un normale diodo avresti 0.7V

0
voti
Il positivo del led l'ho messo sul pin 1 e il negativo sul 4 gnd.
Ma quindi riduco la resistenza tra pin 1 e 3?
Ma quindi riduco la resistenza tra pin 1 e 3?
18 messaggi
• Pagina 1 di 2 • 1, 2
Chi c’è in linea
Visitano il forum: Nessuno e 72 ospiti

Elettrotecnica e non solo (admin)
Un gatto tra gli elettroni (IsidoroKZ)
Esperienza e simulazioni (g.schgor)
Moleskine di un idraulico (RenzoDF)
Il Blog di ElectroYou (webmaster)
Idee microcontrollate (TardoFreak)
PICcoli grandi PICMicro (Paolino)
Il blog elettrico di carloc (carloc)
DirtEYblooog (dirtydeeds)
Di tutto... un po' (jordan20)
AK47 (lillo)
Esperienze elettroniche (marco438)
Telecomunicazioni musicali (clavicordo)
Automazione ed Elettronica (gustavo)
Direttive per la sicurezza (ErnestoCappelletti)
EYnfo dall'Alaska (mir)
Apriamo il quadro! (attilio)
H7-25 (asdf)
Passione Elettrica (massimob)
Elettroni a spasso (guidob)
Bloguerra (guerra)






