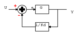
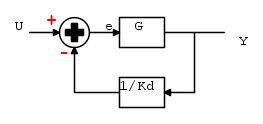
Poli nell'origine in Catena diretta.
Moderatori:
g.schgor,
IsidoroKZ
10 messaggi
• Pagina 1 di 1
0
voti
Salve a tutti, vorrei sapere perché aggiungere poli nell'origine in catena diretta di un sistema di controllo (elettrico o meccanico) ne limita l'errore d'inseguimento in uscita. Dalla formula lo si capisce perché sono inversamente proporzionali, però vorrei capirlo da un punto di vista teorico. Grazie mille!!!
0
voti
Vuoi la dimostrazione matematica della formula, o una spiegazione logica di come funziona fisicamente il fenomeno?
Piuttosto che chiedere qualcosa a me, chiedila a Mara Maionchi. E' più competente.
-

paofanello
2.280 8 13 - Expert

- Messaggi: 532
- Iscritto il: 7 lug 2015, 21:01
0
voti
paofanello ha scritto:Vuoi la dimostrazione matematica della formula, o una spiegazione logica di come funziona fisicamente il fenomeno?
Ciao, mi sarebbe d'aiuto una spiegazione logica di come funzione il fenomeno da un punto di vista fisico. D'altronde la dimostrazione matematica è scritta in dettaglio sul mio libro, a differenza invece di una spiegazione più fisica. Grazie mille!!!
0
voti
Allora... io provo a spendere qualche parola per cercare di fartelo comprendere, ma prendi tutto ciò che dico con le pinze, potrei dire cavolate
L'integratore fa, appunto, l'integrale (ma dai
) del segnale in ingresso. Questo integrale, se il segnale è continuo (facciamo l'esempio più semplice) cioè un gradino, aumenterà sempre proporzionalmente al tempo (l'integrale di un gradino è una rampa!).
Questo "aumentare" dell'uscita in funzione del tempo è assimilabile a un guadagno in catena diretta che tende all'infinito per tempi abbastanza lunghi (infatti il teorema del valor finale dice che un tempo che va all'infinito, nel dominio di laplace è un'integratore che tende all'infinito, o s che tende a zero)
Un guadagno che tende all'infinito porta ad un azzeramento dell'errore di inseguimento, che è funzione del guadagno in catena diretta
Il motivo quindi è che L'integratore (solo per frequenze di ingresso che tendono a zero!) "si comporta" come un guadagno che tende ad infinito.
Se qualcosa non è chiaro dimmi pure.
Se ho scritto cavolate correggetemi per piacere.
L'integratore fa, appunto, l'integrale (ma dai
Questo "aumentare" dell'uscita in funzione del tempo è assimilabile a un guadagno in catena diretta che tende all'infinito per tempi abbastanza lunghi (infatti il teorema del valor finale dice che un tempo che va all'infinito, nel dominio di laplace è un'integratore che tende all'infinito, o s che tende a zero)
Un guadagno che tende all'infinito porta ad un azzeramento dell'errore di inseguimento, che è funzione del guadagno in catena diretta
Il motivo quindi è che L'integratore (solo per frequenze di ingresso che tendono a zero!) "si comporta" come un guadagno che tende ad infinito.
Se qualcosa non è chiaro dimmi pure.
Se ho scritto cavolate correggetemi per piacere.
Piuttosto che chiedere qualcosa a me, chiedila a Mara Maionchi. E' più competente.
-

paofanello
2.280 8 13 - Expert

- Messaggi: 532
- Iscritto il: 7 lug 2015, 21:01
0
voti
Anche se forse sono poco chiaro, provo a rispondere in modo nel caso di un solo polo nell'origine.
Un polo nell'origine equivale a un integratore.
Quando in catena chiusa, considerando un set point costante, l'integratore integra l'errore, ossia un errore non nullo , per quanto sempre più lentamente, contribuisce continuamente a correggere l'uscita fino a portare l'errore a zero. Con un ingresso a rampa il polo nell'origine permette il raggiungimento di un errore costante.
Nel caso di due poli nell'origine (nessun altro polo), si realizza un sistema al limite della stabilità (oscillazione di ampiezza costante).
Un polo nell'origine equivale a un integratore.
Quando in catena chiusa, considerando un set point costante, l'integratore integra l'errore, ossia un errore non nullo , per quanto sempre più lentamente, contribuisce continuamente a correggere l'uscita fino a portare l'errore a zero. Con un ingresso a rampa il polo nell'origine permette il raggiungimento di un errore costante.
Nel caso di due poli nell'origine (nessun altro polo), si realizza un sistema al limite della stabilità (oscillazione di ampiezza costante).
0
voti
paofanello ha scritto:Allora..
Un guadagno che tende all'infinito porta ad un azzeramento dell'errore di inseguimento, che è funzione del guadagno in catena diretta![]()
Il motivo quindi è che L'integratore (solo per frequenze di ingresso che tendono a zero!) "si comporta" come un guadagno che tende ad infinito.
.
Ti ringrazio innanztutto per la risposta, potrei chiederti perché al tendere del guadagno a infinito, l'errore si annulla? Cioè perché con un guadagno grande annulla l'errore?
Tale guadagno se ho capito bene non è il guadagno statico, ma dovrebbe essere un guadagno generalizzato, che differenza c'è tra i due da un punto di vista fisico? Ti ringrazio ancora per l'enorme pazienza
0
voti
Secondo me la cosa che però è da tenere a mente è che noi lo chiamiamo "errore" come fosse un qualcosa che non va in un sistema che idealmente funzionerebbe senza. In realtà è lo "scostamento dalla nostra uscita ideale" che a noi fa tanto comodo che sia Kd*U. Quindi non è che il sistema "sbaglia" e tira fuori un'uscita non corretta, ma tira fuori esattamente l'uscita che deve tirare fuori, ma a noi non piace perché dipende dalla catena diretta! Quindi non è che aumentare il guadagno "riduce l'errore", semplicemente "fa avvicinare" l'uscita al valore che piace a noi, cioè Kd*U.
Aumentare il guadagno fa perciò dipendere meno l'uscita dalla catena diretta, ma perché? Questa penso sia la domanda corretta.
A quest'ora sono fuso e mi hai messo un po' in crisi. Spero che qualcuno più esperto risponda più chiaramente
Mi piace la tua risposta, ma non riesco ad esserne completamente convinto
Cioè, se si parla di un errore "effettivo", lo capirei, ma se il mio ragionamento di prima è corretto stiamo parlando di far dipendere di meno l'uscita dalla catena diretta, non annullare un errore che in realtà non c'è.
Questo non mi è molto chiaro. Non so se ho detto delle bestemmie ma capitemi, è l'orario!
Il guadagno statico è solo una definizione, la differenza non c'è, sono guadagni entrambi, amplificano entrambi. la differenza è che uno è costante, il guadagno dato dall'integratore invece varia al variare del tempo, della funzione d'ingresso, della frequenza...
Aumentare il guadagno fa perciò dipendere meno l'uscita dalla catena diretta, ma perché? Questa penso sia la domanda corretta.
A quest'ora sono fuso e mi hai messo un po' in crisi. Spero che qualcuno più esperto risponda più chiaramente
MarcoD ha scritto: l'integratore integra l'errore, ossia un errore non nullo , per quanto sempre più lentamente, contribuisce continuamente a correggere l'uscita fino a portare l'errore a zero.
Mi piace la tua risposta, ma non riesco ad esserne completamente convinto
Cioè, se si parla di un errore "effettivo", lo capirei, ma se il mio ragionamento di prima è corretto stiamo parlando di far dipendere di meno l'uscita dalla catena diretta, non annullare un errore che in realtà non c'è.
Questo non mi è molto chiaro. Non so se ho detto delle bestemmie ma capitemi, è l'orario!
xeletro91 ha scritto:Tale guadagno se ho capito bene non è il guadagno statico, ma dovrebbe essere un guadagno generalizzato, che differenza c'è tra i due da un punto di vista fisico?
Il guadagno statico è solo una definizione, la differenza non c'è, sono guadagni entrambi, amplificano entrambi. la differenza è che uno è costante, il guadagno dato dall'integratore invece varia al variare del tempo, della funzione d'ingresso, della frequenza...
Piuttosto che chiedere qualcosa a me, chiedila a Mara Maionchi. E' più competente.
-

paofanello
2.280 8 13 - Expert

- Messaggi: 532
- Iscritto il: 7 lug 2015, 21:01
0
voti
MarcoD ha scritto:
l'integratore integra l'errore, ossia un errore non nullo , per quanto sempre più lentamente, contribuisce continuamente a correggere l'uscita fino a portare l'errore a zero.
Mi piace la tua risposta, ma non ..completamente convinto.
Cioè, se si parla di un errore "effettivo", lo capirei, ma se il mio ragionamento di prima è corretto stiamo parlando di far dipendere di meno l'uscita dalla catena diretta, non annullare un errore che in realtà non c'è.
Questo non mi è molto chiaro...
Non so cosa non ti convince, non riesco a spiegarmi meglio, prova a pensare un caso concreto che dovrebbe essere diffuso: la valvola a galleggante del serbatoio dell'acqua dello scarico dl WC.
O, meglio in modo più generico: il controllo del livello di un serbatoio in cui il prelievo varia.
Il livello controlla la posizione della valvola, la quale a sua volta controlla il flusso dell'acqua in litri al minuto.
Il serbatoio integra il flusso perché contiene litri di acqua e lo trasforma in livello (metri di acqua in verticale).
Se non ci sono perdite, per quanto la valvola sia piccola e il flusso limitato il livello sale fino a quando la valvola si chiude completamente.
Se si crea un disturbo, ossia un prelievo costante di acqua minore del flusso erogabile dalla valvola, la valvola si apre di più e passato il tempo del transitorio il livello ritorna al valore precedente, ossia l'errore (scostamento) del livello torna a zero.
Poi nella realtà le cose si complicano perché la valvola non è lineare, presenta banda morta, attrito e isteresi per attrito al distacco della membrana, ecc..
0
voti
MarcoD ha scritto:Se si crea un disturbo, ossia un prelievo costante di acqua minore del flusso erogabile dalla valvola, la valvola si apre di più e passato il tempo del transitorio il livello ritorna al valore precedente, ossia l'errore (scostamento) del livello torna a zero.
Questo non mi convinceva... tu parli di disturbo, di qualcosa che "manca" e in questo caso capisco la funzione dell'alto guadagno (Astatismo, reiezione disturbi...).
Ma lo scostamento è un'altra cosa!
MarcoD ha scritto:Il serbatoio integra il flusso perché contiene litri di acqua e lo trasforma in livello (metri di acqua in verticale).
Se non ci sono perdite, per quanto la valvola sia piccola e il flusso limitato il livello sale fino a quando la valvola si chiude completamente.
Questo invece rende tutto un poco più chiaro, Grazie!
lo scostamento dal valore che vogliamo è nullo se il sistema integra. Ottimo esempio!Piuttosto che chiedere qualcosa a me, chiedila a Mara Maionchi. E' più competente.
-

paofanello
2.280 8 13 - Expert

- Messaggi: 532
- Iscritto il: 7 lug 2015, 21:01
0
voti
MarcoD ha scritto:Se si crea un disturbo, ossia un prelievo costante di acqua minore del flusso erogabile dalla valvola, la valvola si apre di più e passato il tempo del transitorio il livello ritorna al valore precedente, ossia l'errore (scostamento) del livello torna a zero.
Poi nella realtà le cose si complicano perché la valvola non è lineare, presenta banda morta, attrito e isteresi per attrito al distacco della membrana, ecc..
Ciao, ti ringrazio, anche se in verità non mi torna ciò che hai detto. l'errore che intendo io è quello per cui l'uscita di un sistema non è perfettamente "in linea" con quella teorica. Ragion per cui nasce quest'errore o scostamento.
L'esempio che hai descritto tu (secondo me) si riferisce all'astatismo di un sistema nei confronti di disturbi esterni.
Però anche io non è che sia certo di ciò che scrivo eh!
10 messaggi
• Pagina 1 di 1
Torna a Elettrotecnica generale
Chi c’è in linea
Visitano il forum: Nessuno e 89 ospiti

Elettrotecnica e non solo (admin)
Un gatto tra gli elettroni (IsidoroKZ)
Esperienza e simulazioni (g.schgor)
Moleskine di un idraulico (RenzoDF)
Il Blog di ElectroYou (webmaster)
Idee microcontrollate (TardoFreak)
PICcoli grandi PICMicro (Paolino)
Il blog elettrico di carloc (carloc)
DirtEYblooog (dirtydeeds)
Di tutto... un po' (jordan20)
AK47 (lillo)
Esperienze elettroniche (marco438)
Telecomunicazioni musicali (clavicordo)
Automazione ed Elettronica (gustavo)
Direttive per la sicurezza (ErnestoCappelletti)
EYnfo dall'Alaska (mir)
Apriamo il quadro! (attilio)
H7-25 (asdf)
Passione Elettrica (massimob)
Elettroni a spasso (guidob)
Bloguerra (guerra)



