Scusate, sono sempre io
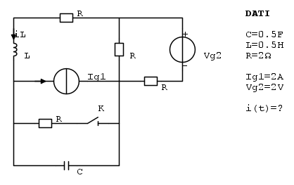
Ho a che fare con una rete dinamica di cui devo trovare la corrente che attraversa l'induttore.
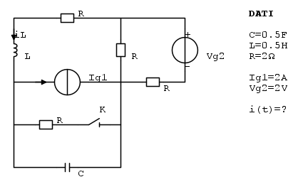
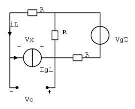
La rete è:
Di questa rete devo trovare appunto
, indicata nel circuito che ho disegnato. La soluzione dell'esercizio è:
.Utilizzando i metodi di risoluzione, dopo aver trovato le condizioni iniziali da
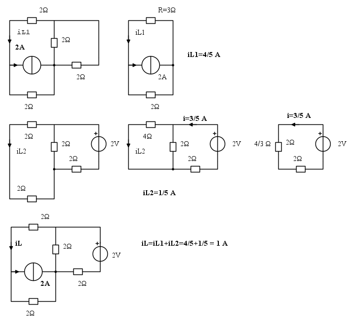
che sono :


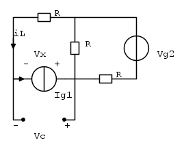
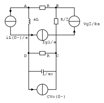
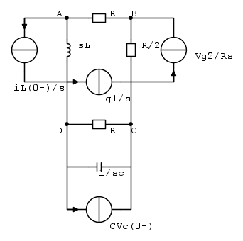
e studiato il circuito con l'interruttore chiuso, con le dovute trasformazioni per utilizzare il metodo dei potenziali nodali:
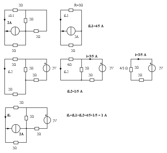
ottengo che
.perché mi risulta un -1 anzichè +1? Ho ricontrollato i calcoli, ed è tutto ok!
Grazie a coloro che mi risponderanno!

Elettrotecnica e non solo (admin)
Un gatto tra gli elettroni (IsidoroKZ)
Esperienza e simulazioni (g.schgor)
Moleskine di un idraulico (RenzoDF)
Il Blog di ElectroYou (webmaster)
Idee microcontrollate (TardoFreak)
PICcoli grandi PICMicro (Paolino)
Il blog elettrico di carloc (carloc)
DirtEYblooog (dirtydeeds)
Di tutto... un po' (jordan20)
AK47 (lillo)
Esperienze elettroniche (marco438)
Telecomunicazioni musicali (clavicordo)
Automazione ed Elettronica (gustavo)
Direttive per la sicurezza (ErnestoCappelletti)
EYnfo dall'Alaska (mir)
Apriamo il quadro! (attilio)
H7-25 (asdf)
Passione Elettrica (massimob)
Elettroni a spasso (guidob)
Bloguerra (guerra)





