Ciao a tutti. Mi sapete dire quali sono gli Op-AMp che possono usare la singola alimentazione?
Per esempio oltre al LM324, quali altri posso trovare ?
Tutti gli altri che impiegano l'alimentazione duale (tipo LM741, TL084) possono essere usati anche con un'alimentazione singola inserendo il solito partitore resistivo sul ingresso non invertente ?
Elenco OP-AMP singola alimentazione
Moderatori:
carloc,
g.schgor,
BrunoValente,
IsidoroKZ
18 messaggi
• Pagina 1 di 2 • 1, 2
0
voti
0
voti
giorgik ha scritto:Per esempio oltre al LM324, quali altri posso trovare ?
Ne puoi trovare qualche centinaio. Gli elenchi li trovi già fatti sui siti dei costruttori
It's a sin to write
instead of
(Anonimo).
...'cos you know that
ain't
, right?
You won't get a sexy tan if you write
in lieu of
.
Take a log for a fireplace, but don't take
for
arithm.
instead of
(Anonimo)....'cos you know that
ain't
, right?You won't get a sexy tan if you write
in lieu of
.Take a log for a fireplace, but don't take
for
arithm.-

DirtyDeeds
55,9k 7 11 13 - G.Master EY

- Messaggi: 7012
- Iscritto il: 13 apr 2010, 16:13
- Località: Somewhere in nowhere
0
voti

7
voti
Praticamente tutti gli operazionali hanno solo due piedini di alimentazione, positivo e negativo, quindi non "sanno" se sono alimentati se uno dei due piedini e` il riferimento, oppure se il potenziale di riferimento e` compreso fra i due potenziali di alimentazione.
Quello che cambia fra un operazionale e l'altro e` la massima e minima tensione che si puo` applicare agli ingressi, tensione riferita alle alimentazioni (common mode input range), e qual e` la massima e minima tensione che l'operazionale puo` fornire in uscita, sempre riferita alle tensioni di alimentazione.
Con tutti gli operazionali puoi usare un partitore resistivo sull'ingresso non invertente per polarizzarli correttamente.
Ma anche con un "single supply", ad esempio il 324, puo` capitare di dover mettere il partitore.
Ad esempio se hai una alimentazione singola, la sorgente del segnale e` riferita all'alimentazione negativa e vuoi amplificare sia semionde positive che negative, allora devi polarizzare l'operazionale in modo che a riposo la sua uscita sia circa a meta` dell'alimentazione.
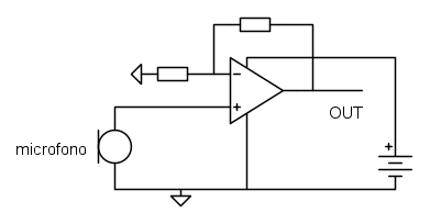
Per esempio in questo circuito, anche se usi un operazionale a singola alimentazione
l'operazionale e` polarizzato correttamente, ma quando il microfono da` un segnale negativo, l'uscita dell'operazionale non riesce ad andare al di sotto dell'alimentazione negativa e taglia meta` delle semionde. Anche se usassi un 324 bisognerebbe comunque prevedere una rete di polarizzazione per aggiungere una continua all'ingresso e poi toglierla all'uscita.
Quello che cambia fra un operazionale e l'altro e` la massima e minima tensione che si puo` applicare agli ingressi, tensione riferita alle alimentazioni (common mode input range), e qual e` la massima e minima tensione che l'operazionale puo` fornire in uscita, sempre riferita alle tensioni di alimentazione.
Con tutti gli operazionali puoi usare un partitore resistivo sull'ingresso non invertente per polarizzarli correttamente.
Ma anche con un "single supply", ad esempio il 324, puo` capitare di dover mettere il partitore.
Ad esempio se hai una alimentazione singola, la sorgente del segnale e` riferita all'alimentazione negativa e vuoi amplificare sia semionde positive che negative, allora devi polarizzare l'operazionale in modo che a riposo la sua uscita sia circa a meta` dell'alimentazione.
Per esempio in questo circuito, anche se usi un operazionale a singola alimentazione
l'operazionale e` polarizzato correttamente, ma quando il microfono da` un segnale negativo, l'uscita dell'operazionale non riesce ad andare al di sotto dell'alimentazione negativa e taglia meta` delle semionde. Anche se usassi un 324 bisognerebbe comunque prevedere una rete di polarizzazione per aggiungere una continua all'ingresso e poi toglierla all'uscita.
Per usare proficuamente un simulatore, bisogna sapere molta più elettronica di lui
Plug it in - it works better!
Il 555 sta all'elettronica come Arduino all'informatica! (entrambi loro malgrado)
Se volete risposte rispondete a tutte le mie domande
Plug it in - it works better!
Il 555 sta all'elettronica come Arduino all'informatica! (entrambi loro malgrado)
Se volete risposte rispondete a tutte le mie domande
-1
voti
cioè gli operazionali sono tutti uguali vuoi dire?
perché li vendono qualcuno per singola e altri per doppia alimentazione se non lo sanno?
non bannatemi per favore ho fatto solo una domanda sono curioso
perché li vendono qualcuno per singola e altri per doppia alimentazione se non lo sanno?
non bannatemi per favore ho fatto solo una domanda sono curioso
-

Umlaute
-353 1 7 - Utente disattivato per decisione dell'amministrazione proprietaria del sito
- Messaggi: 123
- Iscritto il: 29 mag 2015, 12:26
5
voti
Dal punto di vista dell'alimentazione l'operazionale ha solo due piedini, non sa dov'e` lo zero volt, quindi non sa se e` alimentato a singola alimentazione o in duale.
Dal punto di vista delle prestazioni e dell'utilizzabilita` nei vari circuiti bisogna leggere la frase "Quello che cambia fra un operazionale e l'altro..."
Per il ban aspettiamo almeno il prossimo messaggio
Ho il programma un articoletto per spiegare questo argomento, visto che un errore molto comune fra coloro che "progettano" circuiti senza conoscere bene gli operazionali e` appunto la violazione dell'intervallo di tensione di modo comune in ingresso.
Mi ci vuole ancora un po' di tempo per prepararlo.
Dal punto di vista delle prestazioni e dell'utilizzabilita` nei vari circuiti bisogna leggere la frase "Quello che cambia fra un operazionale e l'altro..."
Per il ban aspettiamo almeno il prossimo messaggio
Ho il programma un articoletto per spiegare questo argomento, visto che un errore molto comune fra coloro che "progettano" circuiti senza conoscere bene gli operazionali e` appunto la violazione dell'intervallo di tensione di modo comune in ingresso.
Mi ci vuole ancora un po' di tempo per prepararlo.
Per usare proficuamente un simulatore, bisogna sapere molta più elettronica di lui
Plug it in - it works better!
Il 555 sta all'elettronica come Arduino all'informatica! (entrambi loro malgrado)
Se volete risposte rispondete a tutte le mie domande
Plug it in - it works better!
Il 555 sta all'elettronica come Arduino all'informatica! (entrambi loro malgrado)
Se volete risposte rispondete a tutte le mie domande
1
voti
Umlaute ha scritto:cioè gli operazionali sono tutti uguali vuoi dire?
perché li vendono qualcuno per singola e altri per doppia alimentazione se non lo sanno?
Come dice
Se lavori con singola alimentazione hai il morsetto meno di alimentazione dell'operazionale collegato a zero volt e non tutti gli operazionali funzionano bene quando le tensioni degli ingressi si avvicinano troppo a quella del morsetto meno, perciò quelli predisposti per lavorare bene anche in questa condizione sono più indicati per la singola alimentazione ma se l'applicazione non richiede di lavorare in questa condizione, con il necessario margine di sicurezza, possono andare bene anche gli altri.
-

BrunoValente
39,6k 7 11 13 - G.Master EY

- Messaggi: 7796
- Iscritto il: 8 mag 2007, 14:48
0
voti
Non direi, non è solo questo aspetto che determina la bontà di un operazionale, ad esempio un integrato che appartiene a questo tipo è l'LM324 che è piuttosto scadente ed economico perché ha una banda passante piuttosto limitata, una tensione di offset piuttosto alta ecc.
-

BrunoValente
39,6k 7 11 13 - G.Master EY

- Messaggi: 7796
- Iscritto il: 8 mag 2007, 14:48
0
voti
IsidoroKZ ha scritto:... ma quando il microfono da` un segnale negativo, l'uscita dell'operazionale non riesce ad andare al di sotto dell'alimentazione negativa e taglia meta` delle semionde.
... e, per curiosità, passando "furbescamente" ad una configurazione invertente, lo schema seguente risolverebbe il problema da te citato?
(Nota: lo schema l'ho prelevato da una "nota" rivista di elettronica...
MaxDisapprovo quello che dite, ma difenderò fino alla morte il vostro diritto di dirlo [attribuita a Voltaire]
La gentilezza dovrebbe diventare lo stile naturale della vita, non l'eccezione [Siddhārtha Gautama]
La gentilezza dovrebbe diventare lo stile naturale della vita, non l'eccezione [Siddhārtha Gautama]
-

Max2433BO
18,6k 4 11 13 - G.Master EY

- Messaggi: 4724
- Iscritto il: 25 set 2013, 16:29
- Località: Universo - Via Lattea - Sistema Solare - Terzo pianeta...
18 messaggi
• Pagina 1 di 2 • 1, 2
Chi c’è in linea
Visitano il forum: Nessuno e 52 ospiti

Elettrotecnica e non solo (admin)
Un gatto tra gli elettroni (IsidoroKZ)
Esperienza e simulazioni (g.schgor)
Moleskine di un idraulico (RenzoDF)
Il Blog di ElectroYou (webmaster)
Idee microcontrollate (TardoFreak)
PICcoli grandi PICMicro (Paolino)
Il blog elettrico di carloc (carloc)
DirtEYblooog (dirtydeeds)
Di tutto... un po' (jordan20)
AK47 (lillo)
Esperienze elettroniche (marco438)
Telecomunicazioni musicali (clavicordo)
Automazione ed Elettronica (gustavo)
Direttive per la sicurezza (ErnestoCappelletti)
EYnfo dall'Alaska (mir)
Apriamo il quadro! (attilio)
H7-25 (asdf)
Passione Elettrica (massimob)
Elettroni a spasso (guidob)
Bloguerra (guerra)




