Cos'è ElectroYou | Login Iscriviti

ElectroYou - la comunità dei professionisti del mondo elettrico

Circuiti lineari: calcolo soluzione particolare

Circuiti, campi elettromagnetici e teoria delle linee di trasmissione e distribuzione dell’energia elettrica

Moderatori: Foto Utenteg.schgor, Foto UtenteIsidoroKZ

0
voti

[1] Circuiti lineari: calcolo soluzione particolare

Messaggioda Foto UtenteLondoneye » 24 set 2015, 19:58

Buonasera a tutti
Sono alle prese con un esercizio del quale ho difficoltà a calcolare la soluzione particolare.
La traccia è la seguente:



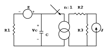
E= 20 V; J=1 A; R_1= 40 \Omega;  R_2=R_3= 5 \Omega; C=500 \mu F;  n=2

Il circuito è in regime stazionario per t<0 ( prima della chiusura dell'interruttore)
1) calcolare la dinamica della tensione del condensatore v_c per t\geq 0
2) calcolare l'energia assorbita del condensatore durante il transitorio

ps: non so se il simbolo del trasformatore che ho usato è corretto.
Io ho fatto in questo modo aiutandomi con la soluzione che il professore mette a disposizione.
Per t<0 il mio circuito è in regime stazionario e la v_c=E=20V

Applicando Thévenin alla parte destra del circuito e applicando il trasporto al primario, mi trovo a lavorare con questo circuito:


Per i parametri di Thévenin: R_th=10 \Omega; E_0=JR_3=5V; Dopo il trasporto al primario: n^2R_th= 40 \Omega; nE_0= 10V

La dinamica del circuito del primo ordine sarà del tipo:
V_c(t)=A^ {\lambda t}+ v_c{\propto}
Fin qui nessun problema. Il dubbio nasce quando calcola la soluzione particolare v_c{\propto}
Il prof fa in questo modo:
v_c{\propto}= E+R_1\frac{nE_0-E}{R_1+n^2R_th} = 15V

Onestamente non ho capito cosa ha fatto qui. Qualche suggerimento per aiutarmi a capire?

Grazie Infinite!
Avatar utente
Foto UtenteLondoneye
120 7
Frequentatore
Frequentatore
 
Messaggi: 108
Iscritto il: 8 ago 2012, 13:32

5
voti

[2] Re: Circuiti lineari: calcolo soluzione particolare

Messaggioda Foto UtenteRenzoDF » 24 set 2015, 20:24

Londoneye ha scritto:... Onestamente non ho capito cosa ha fatto qui. Qualche suggerimento per aiutarmi a capire?

Ha semplicemente ricavato la tensione a regime su C con una KVL all'anello sinistro.

BTW Per infinito usa \infty

v_C(\infty)
"Il circuito ha sempre ragione" (Luigi Malesani)
Avatar utente
Foto UtenteRenzoDF
55,9k 8 12 13
G.Master EY
G.Master EY
 
Messaggi: 13189
Iscritto il: 4 ott 2008, 9:55

0
voti

[3] Re: Circuiti lineari: calcolo soluzione particolare

Messaggioda Foto UtenteLondoneye » 24 set 2015, 20:51

Foto UtenteRenzoDF

Grazie mille, finisco e posto l'ultima parte dell'esercizio.
O_/
Avatar utente
Foto UtenteLondoneye
120 7
Frequentatore
Frequentatore
 
Messaggi: 108
Iscritto il: 8 ago 2012, 13:32

0
voti

[4] Re: Circuiti lineari: calcolo soluzione particolare

Messaggioda Foto UtenteLondoneye » 25 set 2015, 10:46

Arrivati al calcolo della soluzione particolare, mi ritrovo con un circuito del primo ordine, dove la dinamica del condensatore viene così descritta:

vc(t)= Ae^{\lambda t} +  vc (\infty)

\lambda= -\frac{1}{ReqC}= -\frac{1}{0.01}= - 100 s^{-1}
dove Req= R_1-n^2R{_{th}}

Trovo laA imponendo le condizioni iniziali:
vc(0)=20=A + vc(\infty)
vc(0)=20=A + 15= 5

vc(t)= 5^{-100t} + 15

Il secondo punto chiede di calcolare l'energia del condensatore assorbita durante il transitorio. Essendo il condensatore un bipolo conservativo posso procedere con questa formula:
Wc^{a}(0, \infty)= \frac{1}{2}Cv^2_c({\infty}) -\frac{1}{2}Cv^2_c({0})=-0.044J


O_/
Avatar utente
Foto UtenteLondoneye
120 7
Frequentatore
Frequentatore
 
Messaggi: 108
Iscritto il: 8 ago 2012, 13:32

1
voti

[5] Re: Circuiti lineari: calcolo soluzione particolare

Messaggioda Foto UtenteRenzoDF » 27 set 2015, 9:29

Londoneye ha scritto:... ps: non so se il simbolo del trasformatore che ho usato è corretto.

No di certo, se collegato in quel modo, comunque per il trasformatore ideale si usa un simbolo diverso

"Il circuito ha sempre ragione" (Luigi Malesani)
Avatar utente
Foto UtenteRenzoDF
55,9k 8 12 13
G.Master EY
G.Master EY
 
Messaggi: 13189
Iscritto il: 4 ott 2008, 9:55

0
voti

[6] Re: Circuiti lineari: calcolo soluzione particolare

Messaggioda Foto UtenteLondoneye » 30 set 2015, 15:02

Foto UtenteRenzoDF

eccolo! non so perché non sono riuscita a trovarlo nella libreria. Grazie :)
Avatar utente
Foto UtenteLondoneye
120 7
Frequentatore
Frequentatore
 
Messaggi: 108
Iscritto il: 8 ago 2012, 13:32


Torna a Elettrotecnica generale

Chi c’è in linea

Visitano il forum: Nessuno e 103 ospiti