Cos'è ElectroYou | Login Iscriviti

ElectroYou - la comunità dei professionisti del mondo elettrico

Collegamento 2 Relè finder 40.52

Progettazione, esercizio, manutenzione, sicurezza, leggi, normative...

Moderatori: Foto Utentesebago, Foto UtenteMASSIMO-G, Foto Utentelillo, Foto UtenteMike

0
voti

[21] Re: Collegamento 2 Relè finder 40.52

Messaggioda Foto Utentemir » 1 ott 2015, 18:14

Pierluigi2002 ha scritto:Il contatto...

ho disegnato lo stato dei contatti a bobina eccitata,pensando di rendere facile l'interpretazione nelle condizioni di comando prima di K1 collegamento 5 e poi di K2 collegamento 9.

gabrisav ha scritto:Basta che scolleghi il filo ...

Premesso che l'interblocco dei due contattori non è la condizione richiesta,utilizzando (correttamente) i contatti NC dei due contattori per interbloccare elettricamente gli stessi,non vorrei rendesse caotica la situazione per l'op che si vede utilizzare due relè finder solo per l'eccitazione e l'interblocco a mezzo contatti dei contattori, e comunque è opportuno Foto Utentegabrisav che tu faccia uno schemino,inutile dirlo con fidocadj,per esser più chiaro. ;-)
Avatar utente
Foto Utentemir
66,0k 9 12 13
G.Master EY
G.Master EY
 
Messaggi: 21870
Iscritto il: 19 ago 2004, 21:10

0
voti

[22] Re: Collegamento 2 Relè finder 40.52

Messaggioda Foto UtentePierluigi2002 » 1 ott 2015, 18:29

Mir ha scritto:
ho disegnato lo stato dei contatti a bobina eccitata,pensando di rendere facile l'interpretazione nelle condizioni di comando prima di K1 collegamento 5 e poi di K2 collegamento 9.


I contatti vanno disegnati nello stato a riposo.
“vivi il presente“
Avatar utente
Foto UtentePierluigi2002
1.048 2 3 6
Expert
Expert
 
Messaggi: 1599
Iscritto il: 23 gen 2008, 23:12

0
voti

[23] Re: Collegamento 2 Relè finder 40.52

Messaggioda Foto Utentegabrisav » 1 ott 2015, 18:31

Pultroppo non ho ancora imparato a usare fidocadj, se hai capito cosa intendo, per cortesia fallo tu.

Io suggerivo il metodo più semplice da eseguire ,specialmente con una tensione di sicurezza 24 V che in caso di errore di collegamenti al massimo salta un fusibile invece di farlo lavorare con la 230V.

Comunque il mio era un suggerimento
Avatar utente
Foto Utentegabrisav
1.852 2 4 7
Expert EY
Expert EY
 
Messaggi: 1711
Iscritto il: 13 set 2015, 18:26
Località: Borgosatollo (Bs)

0
voti

[24] Re: Collegamento 2 Relè finder 40.52

Messaggioda Foto Utentegabrisav » 1 ott 2015, 22:19

Scusate, ho provato a modificare uno schema con fidocadj che avete postato, ma non ho capito come posso postarlo anch'io.
Qualcuno potrebbe spiegarmelo. Grazie.
Avatar utente
Foto Utentegabrisav
1.852 2 4 7
Expert EY
Expert EY
 
Messaggi: 1711
Iscritto il: 13 set 2015, 18:26
Località: Borgosatollo (Bs)

0
voti

[25] Re: Collegamento 2 Relè finder 40.52

Messaggioda Foto Utentegabrisav » 1 ott 2015, 22:24




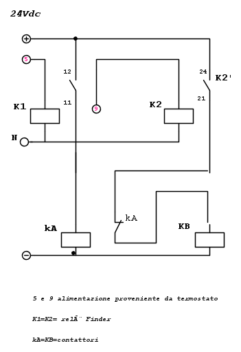
Ecco il mio schema =D> , lo posto almeno per prova , anche se a qualcuno la mia soluzione non piace
Avatar utente
Foto Utentegabrisav
1.852 2 4 7
Expert EY
Expert EY
 
Messaggi: 1711
Iscritto il: 13 set 2015, 18:26
Località: Borgosatollo (Bs)

0
voti

[26] Re: Collegamento 2 Relè finder 40.52

Messaggioda Foto Utentemir » 2 ott 2015, 8:01

Pierluigi2002 ha scritto:I contatti vanno disegnati nello stato a riposo.

Hai ragione,e grazie per la precisazione tecnica relativa alla realizzazione di schemi e/o disegni tecnici.
Probabilmente devo essermi spiegato male,nella realizzazione dello schema in [13] ho evidenziato o meglio colorato i rami di circuito interessati alla condizione di eccitazione di k1 prima e k2 poi in diverso colore, simulando nel ramo specifico lo stato dei contatti ad eccitazione avvenuta seguendo quella che era l'indicazione scritta,con lo scopo di rendere facile la lettura dello schemino all'op del thread non molto esperto in questo caso; questo tralasciando l'aspetto tecnico del disegno provando ad essere più chiaro.
Non era mia intenzione stravolgere la tecnica di disegno e-o le normative specifiche. ;-)
Avatar utente
Foto Utentemir
66,0k 9 12 13
G.Master EY
G.Master EY
 
Messaggi: 21870
Iscritto il: 19 ago 2004, 21:10

0
voti

[27] Re: Collegamento 2 Relè finder 40.52

Messaggioda Foto Utentemir » 2 ott 2015, 8:16

in [23]...
gabrisav ha scritto:Comunque il mio era un suggerimento

in [25]...
gabrisav ha scritto: anche se a qualcuno la mia soluzione non piace

Immagino che quel "qualcuno" sia io.
Ebbene,rileggendomi in [21] non mi sembra di aver affermato che la tua soluzione non mi piace; bensì ho semplicemente suggerito di realizzare uno schema per esser più chiaro, e partendo da quanto l'op del thread aveva chiesto all'inzio (interdire KB quando attivo kA) vedevo l'interblocco elettrico dei due contattori delle relative pompe inadatto alla richiesta, anche se io stesso glielo avevo indicato in [10] utilizzando i contatti liberi dei relè Finder, poi non più suggerito proprio perché lo ritenevo inadatto allo scopo (mia opinabile opinione) e per non generare caos nella realizzazione dello schema.
Tutto qui.
Quindi il tuo suggerimento e/o la tua soluzione,opportunamente schematizzata e commentata può senza alcun dubbio esser valutata dall'op che meglio adatterà al suo scopo se lo riterrà opportuno, a prescindere dalle mie considerazioni. ;-)
Avatar utente
Foto Utentemir
66,0k 9 12 13
G.Master EY
G.Master EY
 
Messaggi: 21870
Iscritto il: 19 ago 2004, 21:10

0
voti

[28] Re: Collegamento 2 Relè finder 40.52

Messaggioda Foto Utentezarate6 » 2 ott 2015, 17:56

gabrisav ha scritto:Pultroppo non ho ancora imparato a usare fidocadj, se hai capito cosa intendo, per cortesia fallo tu.

Io suggerivo il metodo più semplice da eseguire ,specialmente con una tensione di sicurezza 24 V che in caso di errore di collegamenti al massimo salta un fusibile invece di farlo lavorare con la 230V.

Comunque il mio era un suggerimento


Grazie per aver messo il focus sui contattori per il discorso della tensione.

Quindi ipotizziamo di interbloccare i contattori kA e KB, e mantenere "separati" i due relè K1 e K2.
Il mio obiettivo ricordo è evitare che le due pompe funzionino in contemporanea con diritto di precedenza/prevalenza di kA (o meglio P1 nel disegno).

L'alimentazione 220 V delle pompe avviene tramite gli ausiliari ladn22, i cui contatti sono tutti occupati su uno dei due.

I contattori hanno entrambi in A2 il cavo che proviene dal rispettivo relè in posizione 21 dello stesso.
Quindi sono alimentati a 24 V a differenza dei relè che sono alimentati a 230v, esatto?
I contattori hanno in A1 lo 0V.
Hanno in posizione 13 il 24 V.
In posizione 14(NO) abbiamo i contatti che alimentano la luce di "in funzione".
Non ho capito come sono collegati il contattore con l'ausiliario.

Concettualmente mi risultava più semplice interbloccare subito dopo il termostato, ai relè, ma solo perché sono IGNORANTE in materia!

Allego disegno del circuito 24 V, ho aggiunto anche le sicurezze Q1 e Q2, e le leve di comando dal quadro F.
Allegati
circuito.jpeg
Avatar utente
Foto Utentezarate6
0 3
 
Messaggi: 27
Iscritto il: 22 set 2015, 19:54

0
voti

[29] Re: Collegamento 2 Relè finder 40.52

Messaggioda Foto Utentezarate6 » 2 ott 2015, 18:01

mir ha scritto:
Pierluigi2002 ha scritto:I contatti vanno disegnati nello stato a riposo.

Hai ragione,e grazie per la precisazione tecnica relativa alla realizzazione di schemi e/o disegni tecnici.
Probabilmente devo essermi spiegato male,nella realizzazione dello schema in [13] ho evidenziato o meglio colorato i rami di circuito interessati alla condizione di eccitazione di k1 prima e k2 poi in diverso colore, simulando nel ramo specifico lo stato dei contatti ad eccitazione avvenuta seguendo quella che era l'indicazione scritta,con lo scopo di rendere facile la lettura dello schemino all'op del thread non molto esperto in questo caso; questo tralasciando l'aspetto tecnico del disegno provando ad essere più chiaro.
Non era mia intenzione stravolgere la tecnica di disegno e-o le normative specifiche. ;-)


Posso confermare che hai ottenuto lo scopo che ti eri prefisso, molto chiaro quello schema.
Grazie
Avatar utente
Foto Utentezarate6
0 3
 
Messaggi: 27
Iscritto il: 22 set 2015, 19:54

0
voti

[30] Re: Collegamento 2 Relè finder 40.52

Messaggioda Foto UtentePierluigi2002 » 2 ott 2015, 18:05

mir ha scritto:
Pierluigi2002 ha scritto:I contatti vanno disegnati nello stato a riposo.

Hai ragione,e grazie per la precisazione tecnica relativa alla realizzazione di schemi e/o disegni tecnici.
Probabilmente devo essermi spiegato male,nella realizzazione dello schema in [13] ho evidenziato o meglio colorato i rami di circuito interessati alla condizione di eccitazione di k1 prima e k2 poi in diverso colore, simulando nel ramo specifico lo stato dei contatti ad eccitazione avvenuta seguendo quella che era l'indicazione scritta,con lo scopo di rendere facile la lettura dello schemino all'op del thread non molto esperto in questo caso; questo tralasciando l'aspetto tecnico del disegno provando ad essere più chiaro.
Non era mia intenzione stravolgere la tecnica di disegno e-o le normative specifiche. ;-)


:ok: Non ho seguito tutta la discussione, e la risposta mi è venuta spontanea.
“vivi il presente“
Avatar utente
Foto UtentePierluigi2002
1.048 2 3 6
Expert
Expert
 
Messaggi: 1599
Iscritto il: 23 gen 2008, 23:12

PrecedenteProssimo

Torna a Impianti, sicurezza e quadristica

Chi c’è in linea

Visitano il forum: Nessuno e 63 ospiti