Salve ragazzi.
Ho un alimentatore Toshiba che ha un output di 15V, 3A . E' possibile realizzare un circuito per una duale che eroghi la stessa tensione in negativo? Mi basta anche 1A...
Ho visto diversi circuiti railsplitter... ma a me servirebbero +15 e -15. Con quel tipo di circuiti la tensione in uscita si dimezzerebbe.
Grazie
Alimentatore da tensione singola a duale
Moderatori:
carloc,
g.schgor,
BrunoValente,
IsidoroKZ
15 messaggi
• Pagina 1 di 2 • 1, 2
1
voti
Serve un convertitore switching di tipo buck-boost. Vedi se lo trovi su Ebay. Ci sono convertitori "professionali", ad esempio i TRACO, ma costano parecchio.
Per usare proficuamente un simulatore, bisogna sapere molta più elettronica di lui
Plug it in - it works better!
Il 555 sta all'elettronica come Arduino all'informatica! (entrambi loro malgrado)
Se volete risposte rispondete a tutte le mie domande
Plug it in - it works better!
Il 555 sta all'elettronica come Arduino all'informatica! (entrambi loro malgrado)
Se volete risposte rispondete a tutte le mie domande
1
voti
Se vuoi costruirtelo potresti usare un LM2576-15 o meglio uno da 5A. Segui fedelmente data sheet, application notes, incluso lo stampato e la disposizione dei componenti, e usa i componenti indicati.
Per usare proficuamente un simulatore, bisogna sapere molta più elettronica di lui
Plug it in - it works better!
Il 555 sta all'elettronica come Arduino all'informatica! (entrambi loro malgrado)
Se volete risposte rispondete a tutte le mie domande
Plug it in - it works better!
Il 555 sta all'elettronica come Arduino all'informatica! (entrambi loro malgrado)
Se volete risposte rispondete a tutte le mie domande
0
voti
Va bene anche un trafo normale :
Scopo principale della nostra vita , è dare prosieguo alla vita , come tutti gli esseri viventi fanno.
1
voti
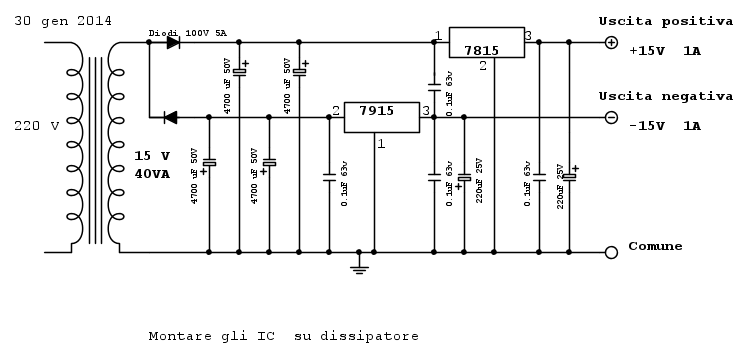
Qualche osservazione sull'ultimo schema.
Mi sembra che manchino due diodi sulle uscite per prevenire le inversioni di polarita`. Se si fa un corto fra uscita positiva e negativa, uno dei due regolatori muore.
Il condensatore fra ingresso del 7805 e uscita del 7905 mi pare non serva a nulla.
Infine manca l'indicazione che i regolatori montati su dissipatorE (singolare) devono essere isolati perche' le loro alette non sono allo stesso potenziale.
Il raddrizamento a singola semionda non mi piace molto perche' richiede di usare condensatori molto grandi, ma se non c'e` a disposizione un trasformatore con presa centrale si devono usare tanti condensatori
Mi sembra che manchino due diodi sulle uscite per prevenire le inversioni di polarita`. Se si fa un corto fra uscita positiva e negativa, uno dei due regolatori muore.
Il condensatore fra ingresso del 7805 e uscita del 7905 mi pare non serva a nulla.
Infine manca l'indicazione che i regolatori montati su dissipatorE (singolare) devono essere isolati perche' le loro alette non sono allo stesso potenziale.
Il raddrizamento a singola semionda non mi piace molto perche' richiede di usare condensatori molto grandi, ma se non c'e` a disposizione un trasformatore con presa centrale si devono usare tanti condensatori
Per usare proficuamente un simulatore, bisogna sapere molta più elettronica di lui
Plug it in - it works better!
Il 555 sta all'elettronica come Arduino all'informatica! (entrambi loro malgrado)
Se volete risposte rispondete a tutte le mie domande
Plug it in - it works better!
Il 555 sta all'elettronica come Arduino all'informatica! (entrambi loro malgrado)
Se volete risposte rispondete a tutte le mie domande
1
voti
IsidoroKZ ha scritto:Il condensatore fra ingresso del 7805 e uscita del 7905 mi pare non serva a nulla.
Forse lo ha solo disegnato male: credo vada tra l'ingresso del 7815 e il comune, per simmetria con quello all'ingresso del 7915.
-

BrunoValente
39,6k 7 11 13 - G.Master EY

- Messaggi: 7796
- Iscritto il: 8 mag 2007, 14:48
1
voti
Certamente e` solo un lapsus calami, in questo caso non provoca danni. Altri errori di collegamento possono portare a fumate varie 
Per usare proficuamente un simulatore, bisogna sapere molta più elettronica di lui
Plug it in - it works better!
Il 555 sta all'elettronica come Arduino all'informatica! (entrambi loro malgrado)
Se volete risposte rispondete a tutte le mie domande
Plug it in - it works better!
Il 555 sta all'elettronica come Arduino all'informatica! (entrambi loro malgrado)
Se volete risposte rispondete a tutte le mie domande
0
voti
Salve ragazzi! Scusate se non ho più seguito il post ma sono scappato per lavoro. In ogni caso grazie per le vostre preziose informazioni.
Ho un paio di pre microfonici che con un alimentatore, da 12v - 1 A, riescono a fare la duale piu la phantom (+48V). Mi sono sempre chiesto come facessero. Ne ho aperto uno e incredibilmente vedo solo due lm7x15 e un casino di condensatori. Mah...
Lo schema sembra interessante... bello anche l'integrato LM2576-15v:D
Ho un paio di pre microfonici che con un alimentatore, da 12v - 1 A, riescono a fare la duale piu la phantom (+48V). Mi sono sempre chiesto come facessero. Ne ho aperto uno e incredibilmente vedo solo due lm7x15 e un casino di condensatori. Mah...
Lo schema sembra interessante... bello anche l'integrato LM2576-15v:D
0
voti
Ho un paio di pre microfonici che con un alimentatore, da 12 V - 1 A, riescono a fare la duale piu la phantom (+48V). Mi sono sempre chiesto come facessero. Ne ho aperto uno e incredibilmente vedo solo due lm7x15 e un casino di condensatori. Mah...
Se in partenza c'è un trasformatore con i secondari a tensioni più basse allora quei condensatori, insieme a dei diodi, saranno utilizzati per realizzare dei moltiplicatori di tensione.
-

BrunoValente
39,6k 7 11 13 - G.Master EY

- Messaggi: 7796
- Iscritto il: 8 mag 2007, 14:48
15 messaggi
• Pagina 1 di 2 • 1, 2
Chi c’è in linea
Visitano il forum: Nessuno e 79 ospiti

Elettrotecnica e non solo (admin)
Un gatto tra gli elettroni (IsidoroKZ)
Esperienza e simulazioni (g.schgor)
Moleskine di un idraulico (RenzoDF)
Il Blog di ElectroYou (webmaster)
Idee microcontrollate (TardoFreak)
PICcoli grandi PICMicro (Paolino)
Il blog elettrico di carloc (carloc)
DirtEYblooog (dirtydeeds)
Di tutto... un po' (jordan20)
AK47 (lillo)
Esperienze elettroniche (marco438)
Telecomunicazioni musicali (clavicordo)
Automazione ed Elettronica (gustavo)
Direttive per la sicurezza (ErnestoCappelletti)
EYnfo dall'Alaska (mir)
Apriamo il quadro! (attilio)
H7-25 (asdf)
Passione Elettrica (massimob)
Elettroni a spasso (guidob)
Bloguerra (guerra)


