Cos'è ElectroYou | Login Iscriviti

ElectroYou - la comunità dei professionisti del mondo elettrico

Il rumore nei diodi Zener

Elettronica lineare e digitale: didattica ed applicazioni

Moderatori: Foto Utentecarloc, Foto Utenteg.schgor, Foto UtenteBrunoValente, Foto UtenteIsidoroKZ

5
voti

[11] Re: Il rumore nei diodi Zener

Messaggioda Foto UtentenikiT » 20 ott 2015, 15:52

DirtyDeeds ha scritto:Come hai eseguito queste misure Foto UtentenikiT?


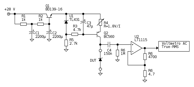
Ciao Foto UtenteDirtyDeeds, per fare qualche misura "al volo" ho in effetti dovuto risolvere il problema del rumore dell'alimentatore; infatti, il ripple a 100 Hz copriva completamente il rumore che desideravo misurare.

Per ridurre il rumore dell'alimentazione ho impiegato un moltiplicatore di capacità, ed ho provveduto a polarizzare il diodo Zener a corrente costante (usando un riferimento di tensione TL431 da 2,5 V).



(lo schema era più o meno questo: vado a memoria perché non sono a casa, per cui potrebbero esserci delle sviste!)

Ho usato un amplificatore operazionale LT1115 (che presenta una densità spettrale di rumore d'ingresso di circa \mathrm{0,9\,nV/\sqrt{Hz}} ed un offset massimo di 200 µV) in configurazione non invertente in modo da ottenere un guadagno di 80 dB, accoppiando l'ingresso in alternata con un condensatore in polipropilene per mantenere basse le perdite (che con un guadagno in continua di 80 dB, avrebbero altrimenti portato l'opamp in saturazione).

In questo modo, la banda è limitata alle alte frequenze esclusivamente dal GBW dell'opamp, che dovrebbe fornire un polo dalle parti dei 40-70 kHz. Ovviamente mi rendo conto che questo approccio molto grossolano è del tutto inutile per una misura quantitativa, ma per il momento mi interessava più che altro valutare eventuali relazioni di proporzionalità senza soffermarmi troppo sull'accuratezza della misura.

Per misurare la tensione efficace all'uscita del circuito ho usato un multimetro digitale HP 34401A, che probabilmente non è all'ultimo grido per la misura del rumore (il manuale indica un fattore di cresta massimo di 5:1). Probabilmente uno strumento a termocoppia avrebbe fornito risultati più significativi, ma anche qui penso sia sufficiente per farsi un'idea della proporzionalità.

Collegando un resistore da 100 Ω come DUT, ho ottenuto un rumore efficace di circa 5 mV all'uscita senza prendere particolari precauzioni circa la schermatura del circuito.

La maggior parte dei diodi Zener generava un rumore progressivamente più piccolo all'aumentare della corrente di polarizzazione, scendendo spesso a livelli non misurabili (cioè paragonabili al rumore di fondo del sistema) quando la corrente era di 10 mA.

Comunque, sono chiaramente misure tutt'altro che precise, quindi da prendere con le pinze! :-)

Ciao,
Niki
Avatar utente
Foto UtentenikiT
963 1 4 8
Expert EY
Expert EY
 
Messaggi: 720
Iscritto il: 4 mag 2009, 9:18

4
voti

[12] Re: Il rumore nei diodi Zener

Messaggioda Foto UtenteDirtyDeeds » 20 ott 2015, 20:34

Bravo :ok:

nikiT ha scritto:in configurazione non invertente in modo da ottenere un guadagno di 80 dB


Dai valori dello schema sembrerebbero 60 dB.

nikiT ha scritto:Ovviamente mi rendo conto che questo approccio molto grossolano è del tutto inutile per una misura quantitativa


Se non si fa attenzione con le misure di rumore, anche le indicazioni qualitative possono essere fuorvianti ;-)

nikiT ha scritto:Probabilmente uno strumento a termocoppia avrebbe fornito risultati più significativi, ma anche qui penso sia sufficiente per farsi un'idea della proporzionalità.


Uno strumento a termocoppia non è in generale alla portata di un hobbysta e non è comunque lo strumento più adatto per le misure di rumore perché uno strumento integratore (qui ci sarebbe però ancora qualcosa da dire). La cosa migliore è avere un analizzatore di spettro: per un hobbysta, si trovano delle buone schede audio con ADC con discreta risoluzione che possono essere usate per farsi un analizzatore di spettro casalingo. Perché il problema con il rumore è sempre quello di capire che rumore stai misurando, e isolare il rumore di interesse dai disturbi, e questo si può fare solo analizzando lo spettro e selezionando un intervallo di frequenze pulito.

nikiT ha scritto:Collegando un resistore da 100 Ω come DUT, ho ottenuto un rumore efficace di circa 5 mV all'uscita senza prendere particolari precauzioni circa la schermatura del circuito.


Fare misure di rumore senza schermatura è andare a cacciarsi nei guai ;-)

Cosa leggi se, sempre usando un resistore come DUT, ne riduci il valore? Cosa osservi variando la corrente con lo stesso resistore?

nikiT ha scritto:scendendo spesso a livelli non misurabili


Questo a naso mi puzza un po', perché gli Zener di rumore ne buttano veramente tanto, ma potrei sbagliarmi.

Se vuoi sperimentare ancora un po', un altro dispositivo che puoi provare è un transistor di piccolo segnale con la giunzione base-emettitore polarizzata inversamente.
It's a sin to write sin instead of \sin (Anonimo).
...'cos you know that cos ain't \cos, right?
You won't get a sexy tan if you write tan in lieu of \tan.
Take a log for a fireplace, but don't take log for \logarithm.
Avatar utente
Foto UtenteDirtyDeeds
55,9k 7 11 13
G.Master EY
G.Master EY
 
Messaggi: 7012
Iscritto il: 13 apr 2010, 16:13
Località: Somewhere in nowhere

4
voti

[13] Re: Il rumore nei diodi Zener

Messaggioda Foto UtentenikiT » 20 ott 2015, 21:15

DirtyDeeds ha scritto:Dai valori dello schema sembrerebbero 60 dB.


Oops! (doppio) errore di distrazione! :(

Comunque, sono sicuramente d'accordo: si tratta di misure preliminari eseguite davvero alla svelta giusto per farsi un'idea del fenomeno da indagare, quindi vanno prese con le pinze. Inoltre ho testato al massimo 2-3 diodi Zener per tipo (spesso osservando variazioni del ±50% sulla tensione di rumore!), per cui al momento non c'è nessuna significatività statistica. L'intenzione è quella di rimetterci mano non appena avrò tempo (che purtroppo, per via dell'università, ultimamente è poco).

In effetti dispongo di un'interfaccia audio che uso per questo tipo di misure, ed era proprio questo il passaggio successivo che intendevo affrontare una volta sistemato il sistema di misura (che va schermato).

Aggiornerò la discussione se riuscirò ad effettuare qualche misura più significativa. Per ora, se c'è altro materiale da leggere o se ci sono altri suggerimenti, resto volentieri in attesa.

Ciao,
Niki
Avatar utente
Foto UtentenikiT
963 1 4 8
Expert EY
Expert EY
 
Messaggi: 720
Iscritto il: 4 mag 2009, 9:18

0
voti

[14] Re: Il rumore nei diodi Zener

Messaggioda Foto UtenteSediciAmpere » 31 ago 2019, 9:03

Salve a tutti, riapro questa discussione per un dubbio che mi è venuto:
I diodi zener generano rumore sono quando c'è l'effetto valanga, giusto?
Se uno zener è polarizzato inversamente, ma con una tensione insufficiente a provocare il passaggio di corrente, non dovrebbe neanche venir generato rumore
Avatar utente
Foto UtenteSediciAmpere
4.187 5 5 8
Master
Master
 
Messaggi: 4847
Iscritto il: 31 ott 2013, 15:00

0
voti

[15] Re: Il rumore nei diodi Zener

Messaggioda Foto UtenteBrunoValente » 31 ago 2019, 15:19

Credo sia ovvio che se non scorre corrente di conseguenza non sia rumoroso, anche perché se non scorre corrente equivale a un generatore con impedenza interna infinita, quindi prevarrà comunque e sempre il rumore generato dalla resistenza interna del dispositivo collegato ai suoi capi come carico utilizzatore.

L'idea che mi sono fatto, suffragata da nulla, è che la tensione di rumore ai capi di uno zener polarizzato vada inversamente con la corrente: mi è solo capitato di vedere una tensione di rumore enorme ai capi di uno zener da 12V polarizzato con qualche uA ma non ho fatto misure e non ho riscontri oggettivi.
Avatar utente
Foto UtenteBrunoValente
39,6k 7 11 13
G.Master EY
G.Master EY
 
Messaggi: 7796
Iscritto il: 8 mag 2007, 14:48

0
voti

[16] Re: Il rumore nei diodi Zener

Messaggioda Foto UtenteSediciAmpere » 31 ago 2019, 20:02

:ok: grazie
Avatar utente
Foto UtenteSediciAmpere
4.187 5 5 8
Master
Master
 
Messaggi: 4847
Iscritto il: 31 ott 2013, 15:00

Precedente

Torna a Elettronica generale

Chi c’è in linea

Visitano il forum: Nessuno e 168 ospiti