dubito tu possa trovare bella pronta quella che serve a te, si tratta di un'applicazione particolare con correnti molto elevate.
Più che su siti di distributori come RS e TME forse ti tocca cercare tra la ricambistica di veicoli elettrici e muletti elettrici...
Resistenza di precarico o cosa?
Moderatori:
sebago,
MASSIMO-G,
lillo,
Mike
27 messaggi
• Pagina 2 di 3 • 1, 2, 3
0
voti
jumpjack ha scritto:Non mi serve una semplice resistenza.
Mi serve un circuito attivo che controlla una resistenza e un relè...
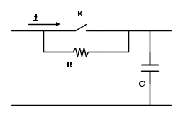
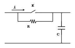
Forse ti occorre un dispositivo che regoli la precarica di un circuito, sfruttando le caratteristiche di un resistore R controllato dal contatto di un relè K appartenente al dispositivo, e forse il resistore dovrà essere opportunamente dimensionato ...
.jumpjack ha scritto:...colpa mia che ci sono entrato, dovevo entrare nel negozio di abbigliamento accanto.
Non è necessario, l'abito non fa il monaco.
0
voti
Mi serve un circuito attivo che controlla una resistenza e un relè: all'inizio il circuito fa passare una piccola corrente attraverso la resistenza; dopo qualche secondo scatta il relè che attiva la connessione diretta bypassando la resistenza.
Un banalissimo timer insomma, fattibile con un NE555 per esempio
"circuito antiscintilla", e serve a evitare gli scintilloni quando si collega una batteria ad alta tensione (nel mio caso 60V) al carico; si tratta di una "resistenza attiva", che cioè resta collegata solo per i pochi secondi necessari a far passare inizialmente una piccola corrente, dopodichè la resistenza viene sostituita da una connessione diretta.
Perfetto, ti basta regolare il timer in base ai secondi che ti servono per caricare i condensatori senza far scintille
PS: era sottinteso che al timer vada aggiunto relè e resistore adeguati allo scopo.

Deve precaricare i condensatori della centralina di un motore Brusheless da 60V/5000W.
Che fanno più di 83A
Sicuro di questi dati?
(Per mia semplice curiosità, puoi farmi vedere quel motore?
Verba volant, scripta manent
-

ibra
1.282 3 4 6 - CRU - Account cancellato su Richiesta utente
- Messaggi: 2100
- Iscritto il: 15 lug 2015, 0:45
0
voti
Prima che si chiuda il thread, voglio fare una domanda. Domanda dettata anche da un certo tipo di esperienza fatta in passato.
In un simile circuito, teorico o reale che sia, chi è che fa "le scintille"? Quando? E perché?
In un simile circuito, teorico o reale che sia, chi è che fa "le scintille"? Quando? E perché?
-

Candy
32,5k 7 10 13 - CRU - Account cancellato su Richiesta utente
- Messaggi: 10123
- Iscritto il: 14 giu 2010, 22:54
-1
voti
Ho deciso che spendere 6 euro di spedizione in più per comprarla da un'altra parte invece che su TME insieme ad altre cose è meno faticoso che leggere questo thread.
Se volete, potete studiare il datasheet di questa cosa inesistente e imparare una cosa nuova:
http://www.nothnagel-marine.de/product_ ... ltage.html
E' lo stesso link del primo post.
Se volete, potete studiare il datasheet di questa cosa inesistente e imparare una cosa nuova:
http://www.nothnagel-marine.de/product_ ... ltage.html
E' lo stesso link del primo post.
-- Jumpjack --
27 messaggi
• Pagina 2 di 3 • 1, 2, 3
Torna a Impianti, sicurezza e quadristica
Chi c’è in linea
Visitano il forum: Nessuno e 126 ospiti

Elettrotecnica e non solo (admin)
Un gatto tra gli elettroni (IsidoroKZ)
Esperienza e simulazioni (g.schgor)
Moleskine di un idraulico (RenzoDF)
Il Blog di ElectroYou (webmaster)
Idee microcontrollate (TardoFreak)
PICcoli grandi PICMicro (Paolino)
Il blog elettrico di carloc (carloc)
DirtEYblooog (dirtydeeds)
Di tutto... un po' (jordan20)
AK47 (lillo)
Esperienze elettroniche (marco438)
Telecomunicazioni musicali (clavicordo)
Automazione ed Elettronica (gustavo)
Direttive per la sicurezza (ErnestoCappelletti)
EYnfo dall'Alaska (mir)
Apriamo il quadro! (attilio)
H7-25 (asdf)
Passione Elettrica (massimob)
Elettroni a spasso (guidob)
Bloguerra (guerra)




