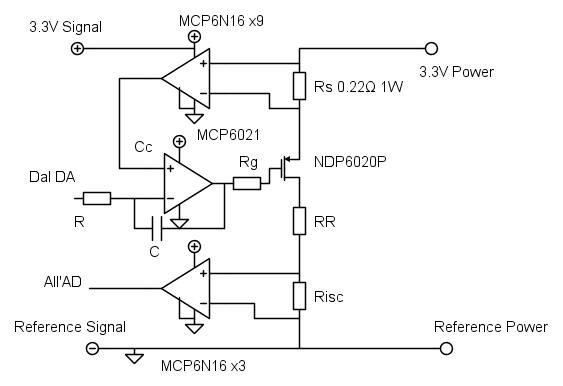
tim ha scritto:Solo che l'amplificatore da strum. non lo posso usare perché ne dovrei usare 16 (per 16 heater), quindi devo cercare un modo di mantenere stabile i 3.3V power.
Potresti postare lo schema finale? Anche con 2 heater, se ho capito bene e se vuoi che scaldino tutti nello stesso modo, quello che devi stabilizzare non è la tensione di 3.3V visto che non saranno mai identici né gli heater né i MOS, ma la corrente che passa, e ciascuna corrente in funzione del suo heater.
Per stabilizzare la corrente c'è bisogno di una retroazione fatta come si deve e senza operazionali diventa difficile con le tolleranze che richiedono le specifiche del progetto del tuo professore.

Elettrotecnica e non solo (admin)
Un gatto tra gli elettroni (IsidoroKZ)
Esperienza e simulazioni (g.schgor)
Moleskine di un idraulico (RenzoDF)
Il Blog di ElectroYou (webmaster)
Idee microcontrollate (TardoFreak)
PICcoli grandi PICMicro (Paolino)
Il blog elettrico di carloc (carloc)
DirtEYblooog (dirtydeeds)
Di tutto... un po' (jordan20)
AK47 (lillo)
Esperienze elettroniche (marco438)
Telecomunicazioni musicali (clavicordo)
Automazione ed Elettronica (gustavo)
Direttive per la sicurezza (ErnestoCappelletti)
EYnfo dall'Alaska (mir)
Apriamo il quadro! (attilio)
H7-25 (asdf)
Passione Elettrica (massimob)
Elettroni a spasso (guidob)
Bloguerra (guerra)



. Vi chiederò altri consigli sicuramente data la vostra competenza. Grazie per quelli datemi fin ora.






