mi chiamo Fabio ,di professione sono un tecnico programmatore e ho deciso di iscrivermi qui perché di fronte a questo problema,girando in internet mi sono reso conto che questo è il forum più efficiente dal mio punto di vista!
Avendo perso confidenza con la pura elettronica,a causa dell'uso del plc
Premetto che se per voi è possibile, mi piacerebbe capire perché mi consigliate una determinata soluzione,e come funziona...
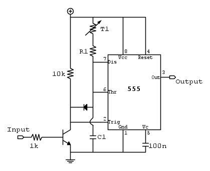
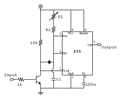
Io ho bisogno di progettare e realizzare un timer monostabile retriggerabile pet,ossia che in seguito ad un impulso positivo,mi dia il segnale alto in uscita e lo faccia permanere in quello stato per un tempo di massimo 20sec che poi regolerò attraverso un trimmer.mi sever retriggerabile.
Ho visto che le due possibili soluzioni potremmero essere con integrato ne555 o con cd4047.
Ora voce agli esperti meno arrugginiti di me!!!!
Grazie a tutti già in anticipo...


Elettrotecnica e non solo (admin)
Un gatto tra gli elettroni (IsidoroKZ)
Esperienza e simulazioni (g.schgor)
Moleskine di un idraulico (RenzoDF)
Il Blog di ElectroYou (webmaster)
Idee microcontrollate (TardoFreak)
PICcoli grandi PICMicro (Paolino)
Il blog elettrico di carloc (carloc)
DirtEYblooog (dirtydeeds)
Di tutto... un po' (jordan20)
AK47 (lillo)
Esperienze elettroniche (marco438)
Telecomunicazioni musicali (clavicordo)
Automazione ed Elettronica (gustavo)
Direttive per la sicurezza (ErnestoCappelletti)
EYnfo dall'Alaska (mir)
Apriamo il quadro! (attilio)
H7-25 (asdf)
Passione Elettrica (massimob)
Elettroni a spasso (guidob)
Bloguerra (guerra)





