Salve a tutti, avevo già scritto un post qualche settimana fa riguardo questo articolo ma non ho avuto risposta ma è stata colpa mia perché non ho fornito sufficienti informazioni. Sto realizzando un circuito per controllare dei riscldatori(heater), questi consistono in delle piccole serpentine di rame su un PCB che se percorsi da corrente si riscaldano. Sto utilizzando la scheda Freescale kl25z per controllare il tutto. Il PCB nel quale vi sono i riscaldatori ,contiene 16 heater (una matrice 4x4). Attualmente ho realizzato il circuito per controllare un solo riscaldatore alla volta (grazie anche a qualche consiglio di Isidorokz), ed è il seguente:
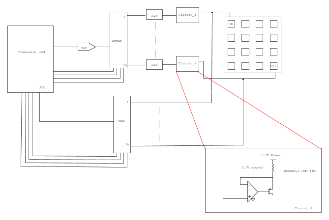
Questi circuito mi permette di controllare la temperatura controllando la corrente che scorre nell'heater, in particolare, setto un valore all uscita del dac, l'op_amp cerca di mantenere uguali i suoi ingressi e quindi abbassa la tensione alla gate del PmoS in modo da far scorrere una certa corrente che a sua volta creerà una caduta di tensione grazie alla resistenza R_sense (detto in maniere molto semplice). Quindi controllando con la scheda kl25z, il dac, posso controllare la corrente. A questo punto però mi serve anche conoscere la temperatura, per questo utilizzo l'adc interno della scheda kl25z e la misurazione della temperatura consiste nel misurare la resistenza R_heater. Mi spiego meglio, per correnti basse, la R_heater è fredda ed ha una certa temperatura R0, aumentando la corrente, la resistenza si riscalda e quindi aumenta anche la resistenza ( coefficciente di temperature) da R0 ad R0+deltaR. Conoscendo delta R posso sapere quanto è la temperatura, per esempio uso un termometro esterno e vedo che cn una deltaR di 0.1 ohm la temperatura varia di 60 gradi, a questo punto posso creare un grafico con le temperature relative alla variazione della resistenza. Quindi l'adc mi serve per misurare la caduta sella R_heater e conoscendo la corrente che scorre posso conoscere il valore di R_Heater ( R_heater= Vadc/i). La corrente che scorre nell'heater arriva ad 1.3A per ottenere circa 110 gradi. Ho testato questo circuito è funziona anche se sulla bread board non è molto preciso, dovrei ricevere entro lunedì un PCB cn questo circuito per caratterizzare meglio il tutto. Intanto, il passo successivo è il controllo di tutti e 16 gli heater indipendentemente. Il circuito che ho in mente sarebbe qualcosa del genere:
Pensate sia una buona soluzione? Cosa ne pensate? Esistono mux a 16 canali con Sample and hold integrati?
Circuito di controllo per 16 riscaldatori
Moderatore:
Paolino
10 messaggi
• Pagina 1 di 1
0
voti
0
voti
Si andrebbe bene, ma sono quasi sicuro di averne visti alcuni con s&h incorporato. Ma non li trovo più, sarebbe un ottimo vantaggio averlo incorporato perché altrimenti dovrei avere 16 s&h sul PCB, quindi un bel po di componenti in piu
0
voti
Ho visto per esempio l'SMP08 che però ha solo 8 uscite, forse ne potrei usare due in parallelo. Come mai i moderatori non rispondono?
0
voti
Io sto considerando prima il demux in alto e quindi mi servono 1 input e 16 output
0
voti
premetto che non conosco ne i tuoi riscaldatori ne la scheda di base su cui stai lavorando.
trovo che andare a leggere una deriva di temperatura su un riscaldatore vai ad avere un errore elevato, considerato che il coefficiente di temperatura sarà basso.
Inserire un sensore di temperatura sulla scheda?
per quanto riguarda la lettura s&h, per me sarebbe semplice, lavorando direttamente con i microcontrollori fai tutto direttamente, s&h, lettura conversione ADC, come ti dicevo però non conoscendo la tua scheda non saprei come aiutarti.Ha ingressi analogici?
ci sono ADC integrati che svolgono il compito, poi dovresti andare a leggerne il valore, magari se hai a disposizione una seriale sulla sua scheda.
Chiedi pure per quel che so provo a risponderti.
saluti.
trovo che andare a leggere una deriva di temperatura su un riscaldatore vai ad avere un errore elevato, considerato che il coefficiente di temperatura sarà basso.
Inserire un sensore di temperatura sulla scheda?
per quanto riguarda la lettura s&h, per me sarebbe semplice, lavorando direttamente con i microcontrollori fai tutto direttamente, s&h, lettura conversione ADC, come ti dicevo però non conoscendo la tua scheda non saprei come aiutarti.Ha ingressi analogici?
ci sono ADC integrati che svolgono il compito, poi dovresti andare a leggerne il valore, magari se hai a disposizione una seriale sulla sua scheda.
Chiedi pure per quel che so provo a risponderti.
saluti.
-

lelerelele
4.899 3 7 9 - Master

- Messaggi: 5505
- Iscritto il: 8 giu 2011, 8:57
- Località: Reggio Emilia
0
voti
Premetto che io parto da un circuito ideato da un altro mio collega e l'idea di utiizzare direttamente il coefficiente termico per calcolare la temperatura è stata di questo collega ed è piaciuta al mio prof e quindi vuole che io continui per questa strada. Da subito appena ho letto la tesi sul lavoro di colui che mi ha preceduto ho avuto dubbi su questo sistema di misura ma il prof vuole che io provi a fare funzionare qualcosa e ci sto provando. Per quanto riguarda la scheda ho ingressi analogici ma non 16 e ho 2 adc, per questo motivo ho pensato al mux. Per quanto riguarda il s&h che intendi dire per fare tutto con i microcontrollori? Ho cercato un po' in giro è ho trovato dei s&h che fungono anche da demux con max 8 uscite e questo non sarebbe un problema perché ne potrei usare due e utilizzando il chip enable abilitare quello che mi serve volta per volta, ma il problema è che nessuno di quelli che ho visto funziona con una Vdd minore dei 5 volt, mentre il mio circuito è alimentato con i 3.3V
0
voti
tim ha scritto:Io sto considerando prima il demux in alto e quindi mi servono 1 input e 16 output
Scusa, pensavo stessimo parlando della parte di lettura della tensione dagli heater

0
voti
un'altra domanda probabilmente semplice per voi, ho trovato un s&h smp08 dell analog device, non riesco a capire se possa essere alimentata con 3.3V o no ? grazie
10 messaggi
• Pagina 1 di 1
Torna a Realizzazioni, interfacciamento e nozioni generali.
Chi c’è in linea
Visitano il forum: Nessuno e 11 ospiti

Elettrotecnica e non solo (admin)
Un gatto tra gli elettroni (IsidoroKZ)
Esperienza e simulazioni (g.schgor)
Moleskine di un idraulico (RenzoDF)
Il Blog di ElectroYou (webmaster)
Idee microcontrollate (TardoFreak)
PICcoli grandi PICMicro (Paolino)
Il blog elettrico di carloc (carloc)
DirtEYblooog (dirtydeeds)
Di tutto... un po' (jordan20)
AK47 (lillo)
Esperienze elettroniche (marco438)
Telecomunicazioni musicali (clavicordo)
Automazione ed Elettronica (gustavo)
Direttive per la sicurezza (ErnestoCappelletti)
EYnfo dall'Alaska (mir)
Apriamo il quadro! (attilio)
H7-25 (asdf)
Passione Elettrica (massimob)
Elettroni a spasso (guidob)
Bloguerra (guerra)




