buongiorno, devo dare a breve l'esame di elettronica..
purtroppo non avendo trovato materiale con esercizi svolti, sto avendo difficoltà a svolgere i circuiti di aggancio. Ho letto anche gia qualcosa in merito sul blog del forum.. ma non l'ho trovato di grande aiuto nell'atto pratico.
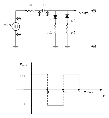
Per questo volevo chiedere se qualcuno potrebbe per piacere postarmi i grafici di Vc(t) Vout(t) ic(t) e Id(t) nell'intervallo [0; 3ms] svolti con qualche simulatore
il generatore è ad onda quadra
i valori sono del circuito sono questi:
Vin=0 per t<0
Rs=R1=R2=50
D1;D2: Von=0,7 (Ron=0)
C= 1 uF
Circuito di Aggancio x Esame
Moderatori:
carloc,
g.schgor,
BrunoValente,
IsidoroKZ
19 messaggi
• Pagina 1 di 2 • 1, 2
3
voti
Quale utilità può avere in questo caso una simulazione?
Anche vedendo la forma dell'onda in uscita non è detto che si riesca a capire perché esce proprio quel segnale li e non un altro.
Forse sarebbe più utile se esponessi una per una quali sono le cose che non capisci in quel circuito in modo che ti si possa dare una mano a capirle.
Anche vedendo la forma dell'onda in uscita non è detto che si riesca a capire perché esce proprio quel segnale li e non un altro.
Forse sarebbe più utile se esponessi una per una quali sono le cose che non capisci in quel circuito in modo che ti si possa dare una mano a capirle.

0
voti
purtroppo mi manca "un procedimento schematico" da seguire,
non ha fornito spiegazioni in merito il prof. a livello pratico, e su google c'è penuria...
sicchè sarebbe "logorante" ed estenuante da entrambe le parti fare una cosa del genere (chi chiede e chi da aiuto)
onde evitare polemiche o questioni varie, preferisco vedermela da me.. il grafico però contrariamente a quanto dici può essere molto utile e rivelatore, in alcuni punti.
Ad esempio..
In t=0+
D2 sicuramente off
D1 probabilmente on... essendo la corrente che lo attraversa = (9,3)/100 (giusto?)
quindi il dubbio potrebbe tramutarsi in questo:

dovrò calcolare l'equa. diff. con il diodo spento oppure acceso? sappiamo che in un certo istante t' compreso in 0<t<T1 il diodo dovrù spegnersi e il condensatore tendere a +10V oppure lo calcolo a diodo spento e poi rifaccio l'equazione per
??
è un po' un casino come avrai gia intuito tu.. ma apprezzo comunque la tua disponibilità IlGuru :)
g.schgor attendo con ansia i risultati della simulazione, grazie per l'aiuto
non ha fornito spiegazioni in merito il prof. a livello pratico, e su google c'è penuria...
sicchè sarebbe "logorante" ed estenuante da entrambe le parti fare una cosa del genere (chi chiede e chi da aiuto)
onde evitare polemiche o questioni varie, preferisco vedermela da me.. il grafico però contrariamente a quanto dici può essere molto utile e rivelatore, in alcuni punti.
Ad esempio..
In t=0+
D2 sicuramente off
D1 probabilmente on... essendo la corrente che lo attraversa = (9,3)/100 (giusto?)
quindi il dubbio potrebbe tramutarsi in questo:

dovrò calcolare l'equa. diff. con il diodo spento oppure acceso? sappiamo che in un certo istante t' compreso in 0<t<T1 il diodo dovrù spegnersi e il condensatore tendere a +10V oppure lo calcolo a diodo spento e poi rifaccio l'equazione per
??è un po' un casino come avrai gia intuito tu.. ma apprezzo comunque la tua disponibilità IlGuru :)
g.schgor attendo con ansia i risultati della simulazione, grazie per l'aiuto
0
voti
I diodi conducono uno per volta secondo il segno di Vin come hai giustamente ed anche la corrente è giusta.
Però c'è di mezzo il condensatore di disaccoppiamento, che se non vado errato costituisce un filtro passa alto.
Però c'è di mezzo il condensatore di disaccoppiamento, che se non vado errato costituisce un filtro passa alto.

19 messaggi
• Pagina 1 di 2 • 1, 2
Chi c’è in linea
Visitano il forum: Nessuno e 45 ospiti

Elettrotecnica e non solo (admin)
Un gatto tra gli elettroni (IsidoroKZ)
Esperienza e simulazioni (g.schgor)
Moleskine di un idraulico (RenzoDF)
Il Blog di ElectroYou (webmaster)
Idee microcontrollate (TardoFreak)
PICcoli grandi PICMicro (Paolino)
Il blog elettrico di carloc (carloc)
DirtEYblooog (dirtydeeds)
Di tutto... un po' (jordan20)
AK47 (lillo)
Esperienze elettroniche (marco438)
Telecomunicazioni musicali (clavicordo)
Automazione ed Elettronica (gustavo)
Direttive per la sicurezza (ErnestoCappelletti)
EYnfo dall'Alaska (mir)
Apriamo il quadro! (attilio)
H7-25 (asdf)
Passione Elettrica (massimob)
Elettroni a spasso (guidob)
Bloguerra (guerra)




