Ciao, ho montato alcune barre led, ho usato per ogni barra 6 led da 1w 350mA 3-3,2V, montati in serie.
Dunque avrei necessita di alimentarli a circa il 30€ della loro potenza, quindi avrei bisogno di un alimentatore in corrente costante da 100mA, però non sono riuscito a trovarlo in commercio.
Potete dirmi se si trovano alimentatori con quelle caratteristiche? altrimenti, escludendo il controllo in tensione con la classica resistenza, come posso muovermi?
Ciao
Pilotaggio barra LED di potenza 1 W
22 messaggi
• Pagina 1 di 3 • 1, 2, 3
0
voti
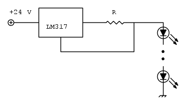
sembra che ti serva un alimentatore da 24 V per alimentare la serie di quei LED.
A quel punto poi con un LM317 te la dovresti cavare, la resistenza per il controllo di corrente deve dissipare circa 1/8W, metticela quindi per sicurezza da 1/2W
A quel punto poi con un LM317 te la dovresti cavare, la resistenza per il controllo di corrente deve dissipare circa 1/8W, metticela quindi per sicurezza da 1/2W
0
voti
suggerivo infatti di usare il 317 come generatore di corrente
https://en.wikipedia.org/wiki/LM317#Current_regulator
vedi altrimenti il datasheet
https://en.wikipedia.org/wiki/LM317#Current_regulator
vedi altrimenti il datasheet
0
voti
non dovrebbero servire condensatori
vedi datasheet
fig 9 pag 11
http://www.st.com/web/en/resource/technical/document/datasheet/CD00000455.pdf
vedi datasheet
fig 9 pag 11
http://www.st.com/web/en/resource/technical/document/datasheet/CD00000455.pdf
0
voti
Io avevo trovato lo schema su questa pagina:
http://www.febat.com/Elettronica/Elettronica_regolatori_tensione_variabile.html
Come vedi è previsto l'uso dei condensatori.
Secondo te il package to92 può andare bene per quest'applicaizone il package in cui si può installare il dissipatore?
Grazie
http://www.febat.com/Elettronica/Elettronica_regolatori_tensione_variabile.html
Come vedi è previsto l'uso dei condensatori.
Secondo te il package to92 può andare bene per quest'applicaizone il package in cui si può installare il dissipatore?
Grazie
0
voti
ok
quei condensatori non sono necessari, ma se proprio li vuoi metterli ti dico che servono a stabilizzare la tensione di ingresso/uscita e filtrare via disturbi ad alta frequenza. Il fatto che sia specificato un range di valori e non un numero preciso sta' a indicare che hai un certo margine dentro il quale non cambia nulla... ovvero puoi piu' facilmente riciclare componenti nel cassetto.
Se li metti dovranno stare fisicamente il piu' possibile vicino all'integrato.
Per quanto riguarda il contenitore, considera che dovrà dissipare circa mezzo Watt, ovvero nulla di drammatico.
Direi quindi di si, puoi azzardare il to92
quei condensatori non sono necessari, ma se proprio li vuoi metterli ti dico che servono a stabilizzare la tensione di ingresso/uscita e filtrare via disturbi ad alta frequenza. Il fatto che sia specificato un range di valori e non un numero preciso sta' a indicare che hai un certo margine dentro il quale non cambia nulla... ovvero puoi piu' facilmente riciclare componenti nel cassetto.
Se li metti dovranno stare fisicamente il piu' possibile vicino all'integrato.
Per quanto riguarda il contenitore, considera che dovrà dissipare circa mezzo Watt, ovvero nulla di drammatico.
Direi quindi di si, puoi azzardare il to92
0
voti
Varia da sola, cercando appunto di mantenere costante la corrente che passa nella resistenza (e di conseguenza nei led).
Piuttosto che chiedere qualcosa a me, chiedila a Mara Maionchi. E' più competente.
-

paofanello
2.280 8 13 - Expert

- Messaggi: 532
- Iscritto il: 7 lug 2015, 21:01
22 messaggi
• Pagina 1 di 3 • 1, 2, 3
Torna a Costruzione, riparazione, riutilizzo
Chi c’è in linea
Visitano il forum: Nessuno e 24 ospiti

Elettrotecnica e non solo (admin)
Un gatto tra gli elettroni (IsidoroKZ)
Esperienza e simulazioni (g.schgor)
Moleskine di un idraulico (RenzoDF)
Il Blog di ElectroYou (webmaster)
Idee microcontrollate (TardoFreak)
PICcoli grandi PICMicro (Paolino)
Il blog elettrico di carloc (carloc)
DirtEYblooog (dirtydeeds)
Di tutto... un po' (jordan20)
AK47 (lillo)
Esperienze elettroniche (marco438)
Telecomunicazioni musicali (clavicordo)
Automazione ed Elettronica (gustavo)
Direttive per la sicurezza (ErnestoCappelletti)
EYnfo dall'Alaska (mir)
Apriamo il quadro! (attilio)
H7-25 (asdf)
Passione Elettrica (massimob)
Elettroni a spasso (guidob)
Bloguerra (guerra)



