Buon giorno ho una poltrona elettrica che ha smesso di funzionare, l'ho smontata e ho controllato che ha un motore in cc da 24 volt 550w che ho già controllato con un alimentatore 24 v e il motore funziona sia in salita che in discesa, ho smontato la parte elettrica e ho trovato il trasformatore guasto, ne ho comprato uno nuovo ma l'ho trovato più grande e un trasformatore 12 0 12 da 100 va, il problema e che collegando il tutto non continua a funzionare, allora ho preso il tester e ho controllato la tensione in ingresso mi dà 24 V in ca ma in uscita mi dà 36 v in cc? ho fatto anche delle foto alla scheda, e ho segnato i nomi dei componenti che non si vedono dove entra la 24 in ac e dove esce la 36 in cc le connessioni sono quelle che vanno al telecomando solo due pulsanti su e giu hanno 5 contatti e quella che va al motore se qualcuno potesse darmi una mano a capirci qualcosa mi farebbe cosa molto gradita. la resistenza ceramica ha un valore 5w 0.5 ohmj e sembra gonfia.
Spero di essere stato chiaro saluti.
Aiuto su scheda poltrona elettrica
29 messaggi
• Pagina 1 di 3 • 1, 2, 3
0
voti
0
voti
salvfraz ha scritto:la tensione in ingresso mi dà 24 V in ca ma in uscita mi dà 36 v in cc?
Il valore della tensione alternata è quello "efficace",
mentre della continua è quello massimo (di "picco").
La relazione dovrebbe essere
.Temo che con quella tensione la scheda possa essersi rovinata...
Comunque se il motore è da 500W la potenza del trasformatore
è insufficiente
0
voti
Buona sera grazie per la risposta, intanto ho ricontrollato
i dati di targa del motore e ho sbagliato a scriverli 24 v 55 w
Caspita mi ero sbagliato di poco
Per quanto riguarda tensione di picco non so se la scheda abbia sempre avuto i 36v cc ma a questo punto non ho capito se sono 36 v perché é normale quindi quando il motore entra in gioco ritorna a 24 V o se ci sono 36 v perché si é guastata la scheda, nel caso é riparabile?
Grazie
Saluti
i dati di targa del motore e ho sbagliato a scriverli 24 v 55 w
Caspita mi ero sbagliato di poco
Per quanto riguarda tensione di picco non so se la scheda abbia sempre avuto i 36v cc ma a questo punto non ho capito se sono 36 v perché é normale quindi quando il motore entra in gioco ritorna a 24 V o se ci sono 36 v perché si é guastata la scheda, nel caso é riparabile?
Grazie
Saluti
0
voti
Buona sera il trasformatore che si é guastato ha solo due fili che escono, in una delle prove prima di dire che era definitivamente guasto ha erogato 26 v poi ha cessato definitivamente di funzionare, nessuna targa nessun dato, solo quella misurazione.
Grazie buona sera.
Grazie buona sera.
0
voti
Il dato sulla tensione secondaria serviva per controllare
la tensione massima da applicare alla scheda.
E' presumibile che la scheda sia costituita
da un raddrizzatore e da circuiti di inversione della polarità
(per il cambio del senso di marcia del motore).
Bisognerebbe poter seguire col tester l'alimentazione
in continua per determinare perché questa non arriva al motore.
B
la tensione massima da applicare alla scheda.
E' presumibile che la scheda sia costituita
da un raddrizzatore e da circuiti di inversione della polarità
(per il cambio del senso di marcia del motore).
Bisognerebbe poter seguire col tester l'alimentazione
in continua per determinare perché questa non arriva al motore.
B
0
voti
Sono d'accordo, infatti la corrente viene convertita perché il tester in ingresso la legge AC poi devo cambiare la scala in cc, ho visto nella scheda i due relè che presumo collegati al telecomando che per altro ha solo due pulsanti su e giù, ma come dicevo collegando il tutto arriva la tensione, io per altro ho provato a seguire le piste con il tester e in diversi punti mi da sempre 36 v, lei saprebbe indirizzarli dove devo cercare la tensione o faccio vari tentativi e segno dove trovò tensione,grazie
Buona sera
Buona sera
0
voti
Non è semplice interpretare lo schema di una scheda,
ma se c'è l'alimentazione in continua consiglierei
di verificarla ai morsetti del motore azionando
i pulsanti di comando e, se il risultato è negativo,
andare a ritroso sui contatti del relè.
Puoi provare?
ma se c'è l'alimentazione in continua consiglierei
di verificarla ai morsetti del motore azionando
i pulsanti di comando e, se il risultato è negativo,
andare a ritroso sui contatti del relè.
Puoi provare?
0
voti
Buona giorno, io ho già provato e il motore non si é mosso non ho provato con il tester per vedere se c'è tensione, ma pensò che già al telecomando non arrivi nulla perché c'è un led che dovrebbe accendersi se alimentato e invece non si é acceso,quindi presumo che già al telecomando non arriva tensione, comunque più tardi appena posso di controllo con il tester.
Buona giornata.
Buona giornata.
0
voti
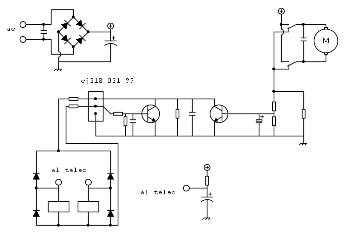
amo i rompicapo.
non ho capito che componente è il cj318 031 ma il resto l'ho tirato giu...
se qualcuno lo conosce, dica che correggo :)
non ho capito che componente è il cj318 031 ma il resto l'ho tirato giu...
se qualcuno lo conosce, dica che correggo :)
- Codice: Seleziona tutto
[code=php]per il codice a colori[/code]
29 messaggi
• Pagina 1 di 3 • 1, 2, 3
Torna a Costruzione, riparazione, riutilizzo
Chi c’è in linea
Visitano il forum: Nessuno e 89 ospiti

Elettrotecnica e non solo (admin)
Un gatto tra gli elettroni (IsidoroKZ)
Esperienza e simulazioni (g.schgor)
Moleskine di un idraulico (RenzoDF)
Il Blog di ElectroYou (webmaster)
Idee microcontrollate (TardoFreak)
PICcoli grandi PICMicro (Paolino)
Il blog elettrico di carloc (carloc)
DirtEYblooog (dirtydeeds)
Di tutto... un po' (jordan20)
AK47 (lillo)
Esperienze elettroniche (marco438)
Telecomunicazioni musicali (clavicordo)
Automazione ed Elettronica (gustavo)
Direttive per la sicurezza (ErnestoCappelletti)
EYnfo dall'Alaska (mir)
Apriamo il quadro! (attilio)
H7-25 (asdf)
Passione Elettrica (massimob)
Elettroni a spasso (guidob)
Bloguerra (guerra)




