Cos'è ElectroYou | Login Iscriviti

ElectroYou - la comunità dei professionisti del mondo elettrico

Problemi reset PIC con relè a 220 V

Tipologie, strumenti di sviluppo, hardware e progetti

Moderatore: Foto UtentePaolino

0
voti

[21] Re: Problemi reset PIC con relè a 220 V

Messaggioda Foto UtenteWALTERmwp » 8 dic 2015, 20:30

WALTERmwp ha scritto:(...) descrivere quello che uno schema (aderente alla realtà) restituisce immediatamente. (...)

No, non ci siamo.
Foto UtenteDavide90, magari non saprei comunque darti una risposta, ma con quel disegno mi risulta difficile anche provarci.
Avrai disegnato tu uno schema o ti sarai basato su uno esistente per la tua realizzazione, riproduci quello che, spero, non sia il contenuto del Post [18].

Saluti
W - U.H.F.
Avatar utente
Foto UtenteWALTERmwp
30,2k 4 8 13
G.Master EY
G.Master EY
 
Messaggi: 8986
Iscritto il: 17 lug 2010, 18:42
Località: le 4 del mattino

0
voti

[22] Re: Problemi reset PIC con relè a 220 V

Messaggioda Foto UtenteCandy » 8 dic 2015, 21:32

Io ti risponderei volentieri, perché è sensata la tua domanda. Ma siccome ho già visto lo schifo in [18], e ne sono rimasto schifato, mi è passata la voglia.
Avatar utente
Foto UtenteCandy
32,5k 7 10 13
CRU - Account cancellato su Richiesta utente
 
Messaggi: 10123
Iscritto il: 14 giu 2010, 22:54

-1
voti

[23] Re: Problemi reset PIC con relè a 220 V

Messaggioda Foto UtenteDavide90 » 8 dic 2015, 21:43

Foto UtenteCandy, Ciccio, sei il perfetto esempio per cui l' italia non andrà mai avanti, si viene nei forum per imparare ed esser supportati, non per esser derisi, visto che hai detto che la mia domanda è sensata, limitati a rispondere al mio quesito, magari io sarò anche un esempio di essere idiota che non sa disegnare uno schema elettrico(cosa che , ammetterai non è immediata con fidocadj, anzi , il motore del forum non riconosce molte librerie, forse proprio perché non sono standard ed è un software libero), ma il mio quesito potrà magari esser utile a qualcuno che se ne fregherà dello schema ma verrà a vedere una probabile soluzione ad un problema simile al mio.

Come hai visto, anche gli altri utenti mi hanno detto che lo schema è penoso, ma comunque , stimolano l' interesse dell' utente in una disciplina e comunque a migliorarsi, se fossimo tutti perfetti, probabilmente i forum , libri , facoltà universitarie , ed evidentemente anche il mondo non esisterebbero già da un bel pezzo.

Se vuoi fare una critica costruttiva , la accetto, se vuoi rispondere alla mia domanda, senza fare ulteriore polemica sei ben accetto, altrimenti, grazie del tuo sforzo fatto fin' ora.

Buona serata

PS: lo sto comunque ridisegnando da zero, verrà caricato appena pronto, se avrete voglia di continuare la discussione .
Avatar utente
Foto UtenteDavide90
29 6
Frequentatore
Frequentatore
 
Messaggi: 130
Iscritto il: 5 lug 2012, 11:34

0
voti

[24] Re: Problemi reset PIC con relè a 220 V

Messaggioda Foto UtenteIlGuru » 8 dic 2015, 21:59

Il reset è del tutto sbagliato. Collegato in quel modo il PIC è in reset fisso ed il pulsante è come se non ci fosse, l'unica sua utilità è quella di far consumare al circuito mezzo milliampere in più quando viene premuto.
E' meglio se lo colleghi così:


I fili non li devi disegnare tutti, se ci sono blocchi diversi in cui i pin sono collegati a segnali con lo stesso nome, si intendono collegati tra di loro e questo aumenta la leggibilità degli schemi.

Non ho capito che funzione abbia il relè, ma se è comandato dal PIC, collegato così non credo che possa funzionare, c'è bisogno di un driver per pilotare la bobina ed un BJT ci starebbe bene.
\Gamma\nu\tilde{\omega}\theta\i\ \sigma\epsilon\alpha\upsilon\tau\acute{o}\nu
Avatar utente
Foto UtenteIlGuru
5.482 2 10 13
G.Master EY
G.Master EY
 
Messaggi: 1924
Iscritto il: 31 lug 2015, 23:32

0
voti

[25] Re: Problemi reset PIC con relè a 220 V

Messaggioda Foto UtenteDavide90 » 8 dic 2015, 22:10

Foto UtenteIlGuru grazie della risposta, in effetti hai ragione, lo schema è sbagliato in molte parti, compresa quella del reset, in proteus l' ho disegnato esattamente come il tuo(ed infatti funziona), per il relè, visto che lo schema è disegnato male non è chiaro come funziona, in attesa del nuovo schema , spero di riuscire a disegnarlo, ti dico che non è il PIC che pilota il relé, bensì un pulsante in serie alla 220 volt di casa( la bobina è alimentata a 220 volt). Il relé è interfacciato al PIC solo mediante i contatti di scambio del relé, sostanzialmente , quando il relé è pilotato, i contati si chiudono e mandano alto il pin RA1 del PIC, quando il pulsante è rilasciato, il pin torna basso.
Avatar utente
Foto UtenteDavide90
29 6
Frequentatore
Frequentatore
 
Messaggi: 130
Iscritto il: 5 lug 2012, 11:34

0
voti

[26] Re: Problemi reset PIC con relè a 220 V

Messaggioda Foto UtenteWALTERmwp » 8 dic 2015, 22:10

"Ascoltami"
Foto UtenteDavide90 ha scritto:(...) il motore del forum non riconosce molte librerie (...)
per la resistenza, il condensatore (elettrolitico e non) e il diodo c'e' il suo simbolino.
Per il micro e il display puoi riportare un semplice rettangolo indicando naturalmente i riferimenti dei pin(s).
Per lo stabilizzatore di tensione, anche li, un rettangolo, per la bobina del rele' trovi l'oggetto del desiderio.
Presta attenzione ai punti di contatto delle linee (nodi) e a quelli che invece non sono tali.

Come nel codice, cosi' in uno schema, un dettaglio cambia completamente l'interpretazione e il funzionamento.
A una domanda sensata, facile o difficile che puo' essere la risposta, si prova a corrispondere, come ti ha precisato Foto UtenteCandy, ma con quel disegno (che non e' uno schema) non si puo' andare avanti, sarebbe mancanza di riguardo nei confronti di chi prova a darti una mano.
Riprova con qualcosa che sia uno schema definito e, se hai dubbi, chiedi.

Saluti
W - U.H.F.
Avatar utente
Foto UtenteWALTERmwp
30,2k 4 8 13
G.Master EY
G.Master EY
 
Messaggi: 8986
Iscritto il: 17 lug 2010, 18:42
Località: le 4 del mattino

0
voti

[27] Re: Problemi reset PIC con relè a 220 V

Messaggioda Foto UtenteIlGuru » 8 dic 2015, 22:17

Non ci vedo nulla di critico quindi nella lettura dello stato di quel pin. Se non c'è nessuna caduta di tensione sul contatto del relè tra il pin e la vdd.
Dovresti usare una configurazione così:

In questo modo quando l'interruttore è aperto, la resistenza di pull down assicura che al pin RA1 arrivi lo stato logico 0, mentre quando è chiuso gli arriva lo stato logico 1.
Metti un condensatore da 100nF il più vicino possibile ai pin VDD e massa del PIC.

Per il resto sembra tutto a posto.

Per il clock hai usato l'oscillatore interno?

EDIT: Ho visto che nello schema c'era già, ma si fa molta fatica a capirci qualcosa.
\Gamma\nu\tilde{\omega}\theta\i\ \sigma\epsilon\alpha\upsilon\tau\acute{o}\nu
Avatar utente
Foto UtenteIlGuru
5.482 2 10 13
G.Master EY
G.Master EY
 
Messaggi: 1924
Iscritto il: 31 lug 2015, 23:32

0
voti

[28] Re: Problemi reset PIC con relè a 220 V

Messaggioda Foto UtenteDavide90 » 8 dic 2015, 23:13

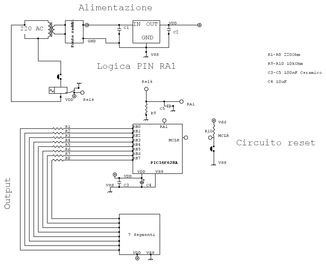
Riprovo con lo schema,
Foto UtenteIlGuru spero si capisca che ho già messo due condensatori in parallelo all' alimentazione( uno ceramico e l'altro elettrolitico) ed in più ne ho messo uno ceramico in parallelo al pin RA1.
La logica funziona tutta perfettamente, se lo collego alla 220 volt ed aziono anche il relé con una presa , non sbaglia un colpo, se invece lo collego al contatto del citofono ( ho i 220 volt quando citofonano) il PIC si resetta con o senza relé.
Foto UtenteWALTERmwp, non trovavo i simboli magici perché sembra che ci sia un bug in fidocadj( o forse sto usando una versione datata), selezionando le librerie di default non avevo(e non ho tuttora) alcuna preview del simbolo selezionato, ecco perché, in parte, ho dovuto disegnare quello schifo di diagramma a blocchi.
Contatterò lo sviluppare al riguardo.
Spero che questo sia migliore, non ho riportato i nomi dei pin ai quali è collegata la PORTB , in quanto ininfluente alla soluzione del problema(spero).


Avatar utente
Foto UtenteDavide90
29 6
Frequentatore
Frequentatore
 
Messaggi: 130
Iscritto il: 5 lug 2012, 11:34

2
voti

[29] Re: Problemi reset PIC con relè a 220 V

Messaggioda Foto UtenteWALTERmwp » 9 dic 2015, 1:03

Mi permetto di aggiungere un'altra mia opinione, per il resto vedo che c'e' gia' chi segue la discussione.

Questo spero solo possa essere di aiuto per ripensare a quanto si e' scritto.

Davide90 ha scritto:(...) limitati a rispondere al mio quesito (...)
a prescindere dal "tono" assunto nella discussione, considera che non e' l'OP (in tal caso tu) ma vale per chiunque altro, che stabilisce i limiti del merito dell'intervento di un utente: non ce lo si puo' permettere.
Si puo' esprimere un'opinione, cosa diversa dalla tua affermazione.

Davide90 ha scritto:(...) ma il mio quesito potrà magari esser utile a qualcuno che se ne fregherà dello schema ma verrà a vedere una probabile soluzione ad un problema simile al mio. (...)
e' vero, il problema che tu poni potrebbe far parte dell'esperienza di qualcun altro o interessare diversi utenti ma, proprio per questo, e' necessario documentare adeguatamente la propria esposizione.
Se a qualcun altro non glie ne "frega" niente ( ... forse), non significa che al forum vada bene ugualmente; da parte dell'OP un minimo di impegno e' dovuto, e richiesto, se chiede un supporto dove c'e' chi e' pronto a darglielo.
Nello specifico, poi, difficile prescindere da uno schema: basta rileggere gli interventi che si sono susseguiti.

Quanto sopra perche' non ritengo corretto che le tue affermazioni passino "sottotono", lasciando credere ad altri utenti che comunque si possa scrivere, in ragione del fatto che piu' persone leggono il thread.

Saluti
W - U.H.F.
Avatar utente
Foto UtenteWALTERmwp
30,2k 4 8 13
G.Master EY
G.Master EY
 
Messaggi: 8986
Iscritto il: 17 lug 2010, 18:42
Località: le 4 del mattino

1
voti

[30] Re: Problemi reset PIC con relè a 220 V

Messaggioda Foto UtenteDavide90 » 9 dic 2015, 1:58

Foto UtenteWALTERmwphai ragione, ho usato un tono sbagliato ma, vedere i propri sforzi vanificati in un secondo, ti fa innervosire, avrei preferito di gran lunga :" quello non è uno schema elettrico, rifallo e poi ne riparliamo"(come hai fatto tu ed un altro utente prima di te) . Infatti, appena mi avete fatto notare l'errore l'ho rifatto da zero. Mi parli di impegno da parte di chi chiede aiuto, beh, più che provare a tirare fuori uno schema elettrico con un software che ho usato pochissime volte, e che " a quanto sembra" sul mio PC presenta dei bug(devo scrivere allo/agli sviluppatori) , più che non chiedere la pappa pronta, ma chiedere di argomentare le risposte (logicamente il fine ultimo è sempre la formazione), non so cosa altro fare.
Almeno da questa discussione spero di aver capito come improntare uno schema elettrico, puoi darmi un feedback?
Sicuramente ho esagerato e posso anche chiedere scusa
a Foto UtenteCandy ed eliminare la discussione(non so se posso o non posso farlo), è stata una risposta a caldo alle sue affermazioni.

Saluti
Avatar utente
Foto UtenteDavide90
29 6
Frequentatore
Frequentatore
 
Messaggi: 130
Iscritto il: 5 lug 2012, 11:34

PrecedenteProssimo

Torna a Realizzazioni, interfacciamento e nozioni generali.

Chi c’è in linea

Visitano il forum: Nessuno e 11 ospiti