Esercizio Thevenin con fasori
Moderatori:
g.schgor,
IsidoroKZ
15 messaggi
• Pagina 1 di 2 • 1, 2
0
voti
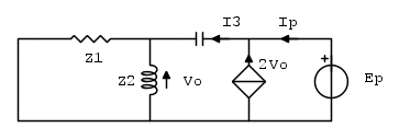
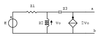
Ciao a tutti , nell'esercizio proposto dal mio prof , dovrei calcolare la resistenza equivalente e la tensione equivalente di un circuito di Thevenin . Il mio prof usa i seguenti calcoli , ma non ho capito con quali tecniche li ha ottenuti . So che Rth = Ep/Ip ma poi non capisco...
-

themagiciant95
27 1 1 7 - Frequentatore

- Messaggi: 167
- Iscritto il: 5 ott 2015, 15:57
2
voti
themagiciant95 ha scritto: ma non ho capito con quali tecniche li ha ottenuti
Io lo so.
Ha applicato Thevenin
Tu lo conosci? Sia come funziona? E se si', dove ti blocchi?
-

PietroBaima
90,7k 7 12 13 - G.Master EY

- Messaggi: 12206
- Iscritto il: 12 ago 2012, 1:20
- Località: Londra
0
voti
Si so come funziona . Io avevo pensato di trovarmi Rth=Ep/Ip sfruttando la sovrapposizione degli effetti ( dato che c'è un generatore pilotato ) e le leggi di Kirchhoff , ma il prof risolve tutto con pochi calcoli e non capisco come ha fatto
-

themagiciant95
27 1 1 7 - Frequentatore

- Messaggi: 167
- Iscritto il: 5 ott 2015, 15:57
3
voti
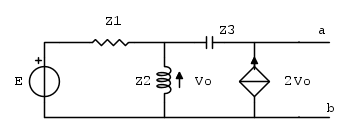
Calcolo di ZTh




Calcolo di ETh

V0 si calcola con Millman





Calcolo di ETh

V0 si calcola con Millman

4
voti
Vedo che
admin ha gia' risolto il tutto ottimamente
Ma questa e' solo una ovvieta' lapalissiana
Di mio volevo solo aggiungere un ulteriore modo per calcolare la Zeq.
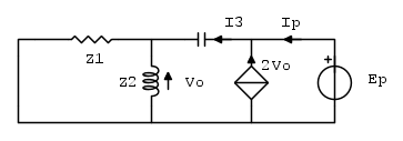
Se il generatore di prova vede una impedenza pari a Zeq, allora posso scrivere questa KCL:

Dove Ym e' la transammettenza del generatore pilotato e Z4 e' definita come il parallelo di Z1 e Z2.
Quindi divido per Ep:



Ciao,
Pietro.
Ma questa e' solo una ovvieta' lapalissiana
Di mio volevo solo aggiungere un ulteriore modo per calcolare la Zeq.
Se il generatore di prova vede una impedenza pari a Zeq, allora posso scrivere questa KCL:

Dove Ym e' la transammettenza del generatore pilotato e Z4 e' definita come il parallelo di Z1 e Z2.
Quindi divido per Ep:



Ciao,
Pietro.
-

PietroBaima
90,7k 7 12 13 - G.Master EY

- Messaggi: 12206
- Iscritto il: 12 ago 2012, 1:20
- Località: Londra
0
voti
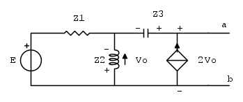
Allora ,Zth sono riuscito a calcolarlo , così come , Vo nel calcolo di Veq .
MA mentre all'admin viene Veq = Vo +2Vo*Z3 , a me viene Veq = -Vo +2Vo*Z3 . Ho fatto la maglia centrale con Kirchhoff rispettando i segni :S
MA mentre all'admin viene Veq = Vo +2Vo*Z3 , a me viene Veq = -Vo +2Vo*Z3 . Ho fatto la maglia centrale con Kirchhoff rispettando i segni :S
-

themagiciant95
27 1 1 7 - Frequentatore

- Messaggi: 167
- Iscritto il: 5 ott 2015, 15:57
0
voti
Ragazzi , ho un dubbio , quella freccia a sinistra di Vo , cosa rappresenta ? Il verso della corrente per il calcolo di Vo ?
-

themagiciant95
27 1 1 7 - Frequentatore

- Messaggi: 167
- Iscritto il: 5 ott 2015, 15:57
1
voti
No.
-----
PS:
Ad ogni modo cosa indica quella freccia, se corrente o tensione, lo devi sapere tu. Se tensione, come penso io, la polarità + - che hai messo tu è errata. La punta della freccia della tensione indica il + convenzionalmente, per tutti meno che per i tedeschi.
-----
PS:
Ad ogni modo cosa indica quella freccia, se corrente o tensione, lo devi sapere tu. Se tensione, come penso io, la polarità + - che hai messo tu è errata. La punta della freccia della tensione indica il + convenzionalmente, per tutti meno che per i tedeschi.
15 messaggi
• Pagina 1 di 2 • 1, 2
Torna a Elettrotecnica generale
Chi c’è in linea
Visitano il forum: Nessuno e 89 ospiti

Elettrotecnica e non solo (admin)
Un gatto tra gli elettroni (IsidoroKZ)
Esperienza e simulazioni (g.schgor)
Moleskine di un idraulico (RenzoDF)
Il Blog di ElectroYou (webmaster)
Idee microcontrollate (TardoFreak)
PICcoli grandi PICMicro (Paolino)
Il blog elettrico di carloc (carloc)
DirtEYblooog (dirtydeeds)
Di tutto... un po' (jordan20)
AK47 (lillo)
Esperienze elettroniche (marco438)
Telecomunicazioni musicali (clavicordo)
Automazione ed Elettronica (gustavo)
Direttive per la sicurezza (ErnestoCappelletti)
EYnfo dall'Alaska (mir)
Apriamo il quadro! (attilio)
H7-25 (asdf)
Passione Elettrica (massimob)
Elettroni a spasso (guidob)
Bloguerra (guerra)
pigreco]=π




