Decifrare il circuito del Prof
Moderatori:
g.schgor,
IsidoroKZ
14 messaggi
• Pagina 2 di 2 • 1, 2
0
voti
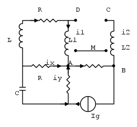
Ho provato a calcolare Vth , mi sono venute 7 equazioni , trovate un modo per semplificare il mio lavoro ? ( I valori sono gli stessi del messaggio precendete )
Ho sfruttato le correnti nei nodi e i potenziali a nodo
Ho sfruttato le correnti nei nodi e i potenziali a nodo
-

themagiciant95
27 1 1 7 - Frequentatore

- Messaggi: 167
- Iscritto il: 5 ott 2015, 15:57
0
voti
Si può calcolare la corrente sul condensatore ripartendo quella del generatore di corrente tra la il resistore e l'impedenza equivalente ad esso in parallelo, che è data dal condensatore in serie al parallelo del resistore con la serie L,L1, R.
Ripartendo la corrente sul condensatore tra la resistenza e la serie R,L,L1 trovi la corrente su L1.
Con essa si può determinare la tensione di mutua induttanza ai capi di L2 oltre alla tensione su L1; Ig permette di calcolare la tensione sulla resistenza, quindi sommando vettorialmente le tre tensioni si trova la tensione tra D e C.
Ripartendo la corrente sul condensatore tra la resistenza e la serie R,L,L1 trovi la corrente su L1.
Con essa si può determinare la tensione di mutua induttanza ai capi di L2 oltre alla tensione su L1; Ig permette di calcolare la tensione sulla resistenza, quindi sommando vettorialmente le tre tensioni si trova la tensione tra D e C.
14 messaggi
• Pagina 2 di 2 • 1, 2
Torna a Elettrotecnica generale
Chi c’è in linea
Visitano il forum: Nessuno e 62 ospiti

Elettrotecnica e non solo (admin)
Un gatto tra gli elettroni (IsidoroKZ)
Esperienza e simulazioni (g.schgor)
Moleskine di un idraulico (RenzoDF)
Il Blog di ElectroYou (webmaster)
Idee microcontrollate (TardoFreak)
PICcoli grandi PICMicro (Paolino)
Il blog elettrico di carloc (carloc)
DirtEYblooog (dirtydeeds)
Di tutto... un po' (jordan20)
AK47 (lillo)
Esperienze elettroniche (marco438)
Telecomunicazioni musicali (clavicordo)
Automazione ed Elettronica (gustavo)
Direttive per la sicurezza (ErnestoCappelletti)
EYnfo dall'Alaska (mir)
Apriamo il quadro! (attilio)
H7-25 (asdf)
Passione Elettrica (massimob)
Elettroni a spasso (guidob)
Bloguerra (guerra)
, sì

