Ciao a tutti , so che un nullore si modella così :
-nullatore come corcocircuito con corrente nulla
-noratore come generatore indipendente di valore qualsiasi con corrente qualsiasi
Quando vado a calcolare Rth spegnendo i generatore equivalenti , la proprietà della corrente qualsiasi del noratore permane ?
Thevenin del nullore
Moderatori:
g.schgor,
IsidoroKZ
4 messaggi
• Pagina 1 di 1
0
voti
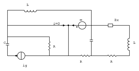
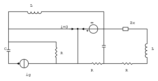
Questo è l'esercizio che ho provato a svolgere , potresti dirmi se il metodo è corretto ?
Testo originale
Devo calcolare la potenza massima su Zx , quindi faccio il Circuito equivalente di thevenin
Calcolo di Zth
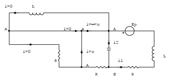
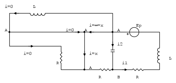
Sfrutto i Potenziali ai Nodi A e B , mi accorgo così che posso calcolare Rth=Ep/Ip , risolvendo un sistema a 5 incognite , che sono : Va , Vb ,ix=x , i1 e i2 . Calcolandomi così Ip=i1 in funzione di Ep
Testo originale
Devo calcolare la potenza massima su Zx , quindi faccio il Circuito equivalente di thevenin
Calcolo di Zth
Sfrutto i Potenziali ai Nodi A e B , mi accorgo così che posso calcolare Rth=Ep/Ip , risolvendo un sistema a 5 incognite , che sono : Va , Vb ,ix=x , i1 e i2 . Calcolandomi così Ip=i1 in funzione di Ep
-

themagiciant95
27 1 1 7 - Frequentatore

- Messaggi: 167
- Iscritto il: 5 ott 2015, 15:57
3
voti
Gli up non sono graditi
. Mi sembrava di averlo gia` detto. Se nessuno risponde puo` darsi che non si trovi il tempo, o non ci sia la compentenza, o che non sia stata capita la domanda... da parte mia ho visto che in passato non hai risposto alle mie domande e tengo fede alla mia firma.
Per usare proficuamente un simulatore, bisogna sapere molta più elettronica di lui
Plug it in - it works better!
Il 555 sta all'elettronica come Arduino all'informatica! (entrambi loro malgrado)
Se volete risposte rispondete a tutte le mie domande
Plug it in - it works better!
Il 555 sta all'elettronica come Arduino all'informatica! (entrambi loro malgrado)
Se volete risposte rispondete a tutte le mie domande
4 messaggi
• Pagina 1 di 1
Torna a Elettrotecnica generale
Chi c’è in linea
Visitano il forum: Nessuno e 29 ospiti

Elettrotecnica e non solo (admin)
Un gatto tra gli elettroni (IsidoroKZ)
Esperienza e simulazioni (g.schgor)
Moleskine di un idraulico (RenzoDF)
Il Blog di ElectroYou (webmaster)
Idee microcontrollate (TardoFreak)
PICcoli grandi PICMicro (Paolino)
Il blog elettrico di carloc (carloc)
DirtEYblooog (dirtydeeds)
Di tutto... un po' (jordan20)
AK47 (lillo)
Esperienze elettroniche (marco438)
Telecomunicazioni musicali (clavicordo)
Automazione ed Elettronica (gustavo)
Direttive per la sicurezza (ErnestoCappelletti)
EYnfo dall'Alaska (mir)
Apriamo il quadro! (attilio)
H7-25 (asdf)
Passione Elettrica (massimob)
Elettroni a spasso (guidob)
Bloguerra (guerra)


