Cos'è ElectroYou | Login Iscriviti

ElectroYou - la comunità dei professionisti del mondo elettrico

Impianto di terra

Progettazione, esercizio, manutenzione, sicurezza, leggi, normative...

Moderatori: Foto Utentesebago, Foto UtenteMASSIMO-G, Foto Utentelillo, Foto UtenteMike

1
voti

[21] Re: Impianto di terra

Messaggioda Foto UtentePaoloLiutaio » 28 dic 2015, 15:47

Ok, ora credo di aver capito... Correggetemi se sbaglio.

Quando c'è un guasto a terra di un apparecchio, la corrente fa di tutto per andare -appunto- a terra. Se non c'è altra strada lo fa anche attraverso il corpo umano che offre comunque una certa resistenza. Se invece c'è un qualcosa che offre molta meno resistenza rispetto ad un corpo umano, la corrente "preferirà" quella certa cosa.
Credo di aver capito che una protezione precaria come un chiodo nel muro o i piedini a terra non possano garantire una resistenza abbastanza bassa da far preferire quella via alla corrente; se fossero resistenze analoghe, al massimo la corrente farebbe metà e metà.
Se invece che un chiodo si murasse un palo da 2 metri, non dico che andrebbe bene, ma la resistenza offerta dal palo sarebbe molto minore del chiodo citato nel primo post.
Per rispondere quindi alla mia stessa domanda, non è che la corrente debba preferire per forza il corpo umano ma anzi, se non riesce ad andare a terra in altro modo lo fa anche attraverso di me.

Corretto? :D
Avatar utente
Foto UtentePaoloLiutaio
1.228 2 6 11
Frequentatore
Frequentatore
 
Messaggi: 262
Iscritto il: 24 lug 2015, 16:54

1
voti

[22] Re: Impianto di terra

Messaggioda Foto Utentematto » 28 dic 2015, 16:29

Io ho posto la domanda ed io penso di aver capito. Non è tanto il problema dell'attraversare il corpo umano,l'impianto di terra cerca proprio di evitare questa situazione. Il differenziale scatta solo quando c'è dispersione verso terra. In caso di assenza di impianto di terra questa si verifica solo al contatto del corpo umano. Con l'impianto il differenziale scatta subito e quindi uno capisce che c'è qualcosa che non va e prende provvedimenti.
Avatar utente
Foto Utentematto
5 2
 
Messaggi: 7
Iscritto il: 26 dic 2015, 19:22

1
voti

[23] Re: Impianto di terra

Messaggioda Foto UtenteMike » 28 dic 2015, 16:44

Differenziale + coordinamento con impianto di terra = Prevenzione
--
Michele Lysander Guetta
--
"Non pensare mai al dolore, al pericolo o ai nemici un momento più lungo del necessario per combatterli." — Ayn Rand
Avatar utente
Foto UtenteMike
55,6k 7 10 12
G.Master EY
G.Master EY
 
Messaggi: 17005
Iscritto il: 1 ott 2004, 18:25
Località: Conegliano (TV)

1
voti

[24] Re: Impianto di terra

Messaggioda Foto UtenteFranco012 » 28 dic 2015, 17:58

PaoloLiutaio ha scritto:Quando c'è un guasto a terra di un apparecchio, la corrente fa di tutto per andare -appunto- a terra. Se non c'è altra strada lo fa anche attraverso il corpo umano che offre comunque una certa resistenza.

Questo è vero, anche attraverso il corpo umano la corrente va comunque a terra.
Se invece c'è un qualcosa che offre molta meno resistenza rispetto ad un corpo umano, la corrente "preferirà" quella certa cosa.

Non è proprio così. Se la tensione dell'impianto a 230 volt è costante (e possiamo supporre che lo sia) la corrente scorrerà sia nel corpo umano sia in quella "certa cosa", in misura inversamente proporzionale alle rispettive resistenze. In altre parole, non c'è una quantità fissa di corrente che si divide in più rami. Ogni ramo fa passare sempre la corrente che gli "compete", determinata dalla tensione e dalla resistenza di ogni singolo ramo, indipendentemente dalla presenza o meno di altri rami collegati in parallelo.
Ovvio che se l'impianto di messa a terra ha una resistenza più bassa di quella del corpo umano, in quel ramo scorrerà molta più corrente, e la somma delle correnti verrà avvertita dall'interruttore differenziale, che provvederà, se è il caso, ad intervenire.
matto ha scritto:Non è tanto il problema dell'attraversare il corpo umano,l'impianto di terra cerca proprio di evitare questa situazione. Il differenziale scatta solo quando c'è dispersione verso terra. In caso di assenza di impianto di terra questa si verifica solo al contatto del corpo umano.

Sì, anche se detto in termini semplificati, sostanzialmente è così.
matto ha scritto: Con l'impianto il differenziale scatta subito e quindi uno capisce che c'è qualcosa che non va e prende provvedimenti

Sempre che l'impianto di terra sia ben fatto, ossia abbia una resistenza sufficientemente bassa da far intervenire il differenziale per le correnti previste.
Avatar utente
Foto UtenteFranco012
5.842 3 4 8
G.Master EY
G.Master EY
 
Messaggi: 2713
Iscritto il: 8 ago 2015, 19:40
Località: Sardegna

0
voti

[25] Re: Impianto di terra

Messaggioda Foto UtenteFabio992 » 28 dic 2015, 20:02

Ho letto, ma pensavo che fossero numeri approssimativi visti i 2000 ohm dell'impianto di terra e i 2 Mohm del corpo umano :mrgreen: appena ho due minuti di tempo uniformo i vari ragionamenti con un post :ok:
Avatar utente
Foto UtenteFabio992
593 1 5 7
Expert
Expert
 
Messaggi: 497
Iscritto il: 26 gen 2013, 20:07

1
voti

[26] Re: Impianto di terra

Messaggioda Foto UtenteFabio992 » 28 dic 2015, 23:07

Riassumo quanto detto fino ad ora, anche per permettere a PaoloLiutaio di capire quanto detto.

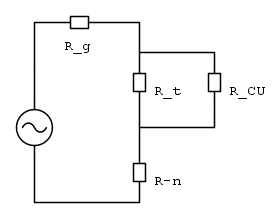
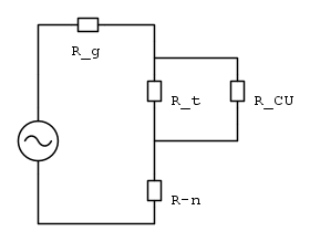
Iniziamo col dire che possono presentarsi due situazioni:

1) Cortocircuito netto ( o a bassa impedenza) tra fase e massa.

In questa situazione vale il seguente circuito equivalente



La resistenza di terra si trova in parallelo con la resistenza del corpo umano, e in serie con la resistenza di messa a terra del distributore. Visto che R_t>>R_n, gran parte della caduta di tensione si ha sulla resistenza di terra. In questa situazione la corrente che scorre nel corpo umano risulta praticamente indipendente dal valore della resistenza dell'impianto di messa a terra.


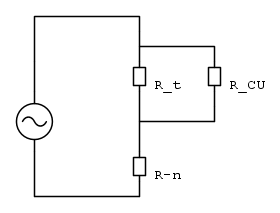
2) Cortocircuito non netto fra fase e massa.

La situazione che si presenta è questa



In questo caso, il valore della resistenza di guasto determina quanta caduta di tensione avrò sulla stessa e quanta invece sulla resistenza di terra. Un sufficientemente elevato valore della resistenza di guasto, o per meglio dire, un sufficientemente elevato valore del rapporto \frac{R_g}{R_T} può permettere che una buona parte della corrente di dispersione non attraversi il corpo umano.
Va ovviamente osservato che questa condizione è non cautelativa e affidata al caso ( ovvero al valore assunto dalla resistenza di guasto)

Per concludere, per chiunque voglia farsi due conti, allego qualche valore tipico delle grandezze in gioco

R_N \cong 1 \Omega
R_T \cong 20 \Omega
R_{CU} \cong 1850 \Omega

Con questi valori può essere divertente andare a vedere come variano le correnti in gioco :ok:
Avatar utente
Foto UtenteFabio992
593 1 5 7
Expert
Expert
 
Messaggi: 497
Iscritto il: 26 gen 2013, 20:07

3
voti

[27] Re: Impianto di terra

Messaggioda Foto Utente6367 » 28 dic 2015, 23:34

Fabio992 ha scritto:Credo che 6367 intendesse che la domanda fosse stata posta come presa in giro.


In Italia per la resistenza di terra basta il coordinamento con l'interruttore differenziale.
La norma docet.
Facendo riferimento alla taglia di interruttore differenziale più di moda corrisponde a un kiloohm e mezzo.
Però non sarebbe proibito usare un differenziale da 10 mA, quindi con una resistenza di terra di ben cinque kiloohm.

Un chiodo, magari di quelli belli grossi, piantato in un muro umido, potrebbe bastare.
Avatar utente
Foto Utente6367
22,3k 6 9 12
G.Master EY
G.Master EY
 
Messaggi: 6997
Iscritto il: 9 set 2005, 0:00

2
voti

[28] Re: Impianto di terra

Messaggioda Foto Utente6367 » 29 dic 2015, 0:22

all impianto di terra c'è collegato uno SPD (forse...) il quale necessita di valori bassi per svolgere la sua funzione.


Per la verità l'SPD per svolgere la sua funzione va collegato al PE, ovvero al nodo locale di terra.
Avatar utente
Foto Utente6367
22,3k 6 9 12
G.Master EY
G.Master EY
 
Messaggi: 6997
Iscritto il: 9 set 2005, 0:00

0
voti

[29] Re: Impianto di terra

Messaggioda Foto UtenteRST » 29 dic 2015, 0:27

Il quale nulla ha che fare con l impianto di terra , vero ?
Avatar utente
Foto UtenteRST
57 1 3
 
Messaggi: 32
Iscritto il: 24 nov 2009, 20:37
Località: Padova-Trento-Udine

2
voti

[30] Re: Impianto di terra

Messaggioda Foto Utente6367 » 29 dic 2015, 0:28

Ni.

Ma non divaghiamo sul funzionamento degli SPD perché questa discusssione è già abbastanza lunga...
Avatar utente
Foto Utente6367
22,3k 6 9 12
G.Master EY
G.Master EY
 
Messaggi: 6997
Iscritto il: 9 set 2005, 0:00

PrecedenteProssimo

Torna a Impianti, sicurezza e quadristica

Chi c’è in linea

Visitano il forum: Nessuno e 172 ospiti