Cos'è ElectroYou | Login Iscriviti

ElectroYou - la comunità dei professionisti del mondo elettrico

Preamplificatore audio, confronto schemi

Elettronica lineare e digitale: didattica ed applicazioni

Moderatori: Foto Utentecarloc, Foto Utenteg.schgor, Foto UtenteBrunoValente, Foto UtenteIsidoroKZ

0
voti

[1] Preamplificatore audio, confronto schemi

Messaggioda Foto UtenteSediciAmpere » 31 dic 2015, 12:24

Salve a tutti
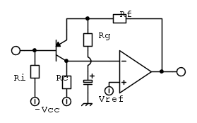
sto studiando lo schema di un preamplificatore per microfono (un oggetto professionale, prodotto in serie, di qualità molto alta). Questo è lo schema dello stadio d'ingresso:


La Vref è negativa e +3V rispetto alla -Vcc
l'operazionale fa in modo che Vref sia uguale a Rc*Ic , ed è stata scelta tale che Ic = 1mA
Vo = Vi*(1+(Rf/Rg))
Quali sono i vantaggi di questa configurazione rispetto al solo operazionale in configurazione non invertente?
A cosa serve far precedere l'operazionale da un BJT discreto?

Auguro un buon 2016 a tutti i partecipanti del forum O_/
Ultima modifica di Foto UtenteSediciAmpere il 31 dic 2015, 12:34, modificato 2 volte in totale.
Avatar utente
Foto UtenteSediciAmpere
4.187 5 5 8
Master
Master
 
Messaggi: 4847
Iscritto il: 31 ott 2013, 15:00

0
voti

[2] Re: Preamplificatore audio, confronto schemi

Messaggioda Foto UtenteSediciAmpere » 31 dic 2015, 12:25

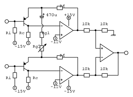
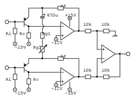
Questo è lo schema completo: con ingresso bilanciato
i due pnp sono contenuti in un unico package
Avatar utente
Foto UtenteSediciAmpere
4.187 5 5 8
Master
Master
 
Messaggi: 4847
Iscritto il: 31 ott 2013, 15:00

0
voti

[3] Re: Preamplificatore audio, confronto schemi

Messaggioda Foto Utenteabusivo » 31 dic 2015, 13:37

SediciAmpere ha scritto:...un oggetto professionale, prodotto in serie, di qualità molto alta...

Interessante!
Da dove proviene, esattamente, questa circuiteria?
Se quello che funziona basta non lo tocca' sennò te lassa!
Avatar utente
Foto Utenteabusivo
13,3k 4 7 10
Master
Master
 
Messaggi: 7008
Iscritto il: 16 ott 2012, 18:43
Località: L'Aquila

0
voti

[4] Re: Preamplificatore audio, confronto schemi

Messaggioda Foto UtenteSediciAmpere » 1 gen 2016, 13:58

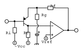
Quali sarebbero i vantaggi, rispetto a questa classica configurazione?
Immagine
Avatar utente
Foto UtenteSediciAmpere
4.187 5 5 8
Master
Master
 
Messaggi: 4847
Iscritto il: 31 ott 2013, 15:00

0
voti

[5] Re: Preamplificatore audio, confronto schemi

Messaggioda Foto Utenteelettroigor » 1 gen 2016, 14:09

Ciao Foto UtenteSediciAmpere a me non piacciono molto. Nel secondo caso ,Schema, vedo l' uscita direttamente in saturazione. Sarebbe utile avere valori e Op che si intende utilizzare.
Ultima modifica di Foto Utenteelettroigor il 1 gen 2016, 14:18, modificato 1 volta in totale.
Avatar utente
Foto Utenteelettroigor
2.063 1 5 12
Expert free
 
Messaggi: 780
Iscritto il: 22 gen 2011, 0:02

0
voti

[6] Re: Preamplificatore audio, confronto schemi

Messaggioda Foto UtenteSediciAmpere » 1 gen 2016, 14:17

Lo schema è corretto e funziona, ho provato anche a simularlo
(è un pre per microfoni dinamici, il segnale in ingresso è poche decine di mV)
Avatar utente
Foto UtenteSediciAmpere
4.187 5 5 8
Master
Master
 
Messaggi: 4847
Iscritto il: 31 ott 2013, 15:00

0
voti

[7] Re: Preamplificatore audio, confronto schemi

Messaggioda Foto Utenteabusivo » 1 gen 2016, 14:19

SediciAmpere ha scritto:Lo schema è corretto e funziona...

Tra l'altro è trito e ritrito per tutte le volte viene riproposto!
Se quello che funziona basta non lo tocca' sennò te lassa!
Avatar utente
Foto Utenteabusivo
13,3k 4 7 10
Master
Master
 
Messaggi: 7008
Iscritto il: 16 ott 2012, 18:43
Località: L'Aquila

0
voti

[8] Re: Preamplificatore audio, confronto schemi

Messaggioda Foto UtenteSediciAmpere » 1 gen 2016, 14:21

Lo conoscevi già :?:
Avatar utente
Foto UtenteSediciAmpere
4.187 5 5 8
Master
Master
 
Messaggi: 4847
Iscritto il: 31 ott 2013, 15:00

0
voti

[9] Re: Preamplificatore audio, confronto schemi

Messaggioda Foto Utenteabusivo » 1 gen 2016, 14:28

Avendo lavorato in un centro assistenza per strumenti musicali direi che vagamente ho qualche reminescenza.
Senza poi considerare che ancora oggi collaboro con grandi service per la manutenzione e riparazione dell'attrezzature.
Poi però...
Se quello che funziona basta non lo tocca' sennò te lassa!
Avatar utente
Foto Utenteabusivo
13,3k 4 7 10
Master
Master
 
Messaggi: 7008
Iscritto il: 16 ott 2012, 18:43
Località: L'Aquila

0
voti

[10] Re: Preamplificatore audio, confronto schemi

Messaggioda Foto Utenteelettroigor » 1 gen 2016, 14:36

Da elettronico amatoriale ora però voglio le risposte :mrgreen:
E le caratteristiche degli amplificatori. O quantomeno i link O_/
Quasi dimenticato... Auguri
Avatar utente
Foto Utenteelettroigor
2.063 1 5 12
Expert free
 
Messaggi: 780
Iscritto il: 22 gen 2011, 0:02

Prossimo

Torna a Elettronica generale

Chi c’è in linea

Visitano il forum: Nessuno e 203 ospiti