Avrei bisogno di generare una tensione duale di ±15Vdc a partire da 6Vdc (tensione fornita da 4 batterie AA in serie, quindi i 6Vdc possono diventare 4Vdc). Consumo massimo di ogni uscita 150mA (anche 100mA sono sufficienti).
Mi indicate qualche IC o application note dove posso trovare qualcosa di già pronto?
Ho visto qualcosa di TI ma sono package impossibili da saldare per un hobbista (oppure LM2577 ma forse è un po datato).
Se prendessi qualcosa già pronto tipo STEP-UP-3A-Convertitore-regolabile
Potrei invertire l'uscita in maniera semplice?
Qualsiasi suggerimento è ben accetto!
Grazie,
Dario
Tensione duale ±15 V c.c. a partire da 6 V c.c.
Moderatori:
carloc,
g.schgor,
BrunoValente,
IsidoroKZ
13 messaggi
• Pagina 1 di 2 • 1, 2
0
voti
non credo sia facile se non dividendo il pacco in due parti e prendendo come riferimento il centro, ossia 3+3 V
usare due step up (ce ne sono che partono da 0,9 V min)
poi ce un altro problema che riguarda la bilanciatura delle celle , i due rami dovrebbero assorbire la stessa identica corrente (pena sbilanciatura delle batterie - io ho supposto siano ricaricabili se cosi non è non sussiste il problema) sempre fermo restando che un ramo puo cedere prima dell'altro.
usare due step up (ce ne sono che partono da 0,9 V min)
poi ce un altro problema che riguarda la bilanciatura delle celle , i due rami dovrebbero assorbire la stessa identica corrente (pena sbilanciatura delle batterie - io ho supposto siano ricaricabili se cosi non è non sussiste il problema) sempre fermo restando che un ramo puo cedere prima dell'altro.
1
voti
Ho usato alcune volte un MC34063: http://www.onsemi.com/pub/Collateral/MC34063A-D.PDF
Dacci una occhiata.
Dacci una occhiata.
2
voti
TITAN ha scritto:non credo sia facile se non dividendo il pacco in due parti e prendendo come riferimento il centro, ossia 3+3 V..
No, non è indispensabile per ricavare anche la tensione negativa.
dadituri ha scritto:Se prendessi qualcosa già pronto tipo STEP-UP-3A-Convertitore-regolabile..
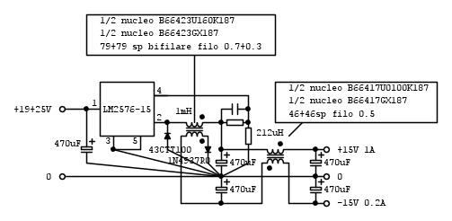
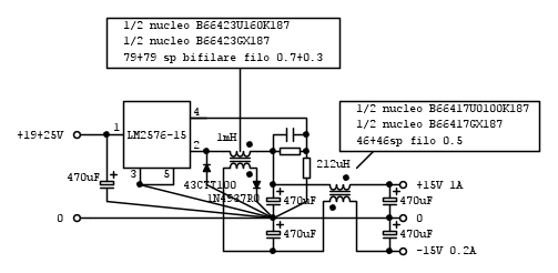
Tempo fa dimensionai questo che segue per un'applicazione su cui sto lavorando, non l'ho ancora realizzato ma dovrebbe funzionare, puoi prendere spunti da questa soluzione che andrebbe bene se la fai precedere dallo step-up che hai proposto.
Dovrebbe funzionare con tutti i regolatori strutturati come l'LM2576-15, si tratta di avvolgere l'induttore con due avvolgimenti identici ben accoppiati invece di uno solo e con il secondo si ricava la tensione negativa.
L'altro induttore è solo un filtro per ridurre il ripple ad alta freauenza in uscita, puoi anche farne a meno.
-

BrunoValente
39,6k 7 11 13 - G.Master EY

- Messaggi: 7796
- Iscritto il: 8 mag 2007, 14:48
1
voti
Ottimo grazie a tutti.
Colgo l'occasione per approfondire l'argomento SMPS.
BrunoValente sicuramente ti chiederò aiuto e conferme sulla realizzazione del trasformatore.
Dario
Colgo l'occasione per approfondire l'argomento SMPS.
Dario
⋮ƎlectroYou e non smetti mai di imparare!
0
voti
Ho fatto un po di conti e mi serve un trasformatore con induttanza da
.
La potenza che devo trasferire è di circa 6,5W.
Vediamo un po se ho fatto ragionamenti corretti.
Ho scelto un core EFD 15/8/5 ferrite N49 (dalle tabelle che si trovano sul databook TDK dovrei poter reggere sia la frequenza che la potenza trasferibile):
http://www.farnell.com/datasheets/1859553.pdf
Presenta un
Mi sono ricavato il numero di spire del primario come
, ovvero 6 spire.
La corrente media nel MOSFET e di circa 1,6A e dunque userò due fili in rame isolato in parallelo da 0,5mm di diametro.
A questo punto ho verificato che il flusso magnetico massimo sia inferiore a quello di saturazione che ho fissato in
.
I dati di partenza sono:





Ricavo infine il numero di spire del secondario dalla relazione
e dunque
.
Userò sempre filo diametro 0,5mm di diametro.
Fino qua è tutto corretto?
Grazie,
Dario
.La potenza che devo trasferire è di circa 6,5W.
Vediamo un po se ho fatto ragionamenti corretti.
Ho scelto un core EFD 15/8/5 ferrite N49 (dalle tabelle che si trovano sul databook TDK dovrei poter reggere sia la frequenza che la potenza trasferibile):
http://www.farnell.com/datasheets/1859553.pdf
Presenta un

Mi sono ricavato il numero di spire del primario come
, ovvero 6 spire.La corrente media nel MOSFET e di circa 1,6A e dunque userò due fili in rame isolato in parallelo da 0,5mm di diametro.
A questo punto ho verificato che il flusso magnetico massimo sia inferiore a quello di saturazione che ho fissato in
.I dati di partenza sono:





Ricavo infine il numero di spire del secondario dalla relazione
e dunque
.Userò sempre filo diametro 0,5mm di diametro.
Fino qua è tutto corretto?
Grazie,
Dario
⋮ƎlectroYou e non smetti mai di imparare!
0
voti
Si parte con l'avvolgimento del primario sul rocchetto.
Occuperò 6mm su circa 10mm di lunghezza (due fili per 6 spire).
Li compatto tutti lato primario in questo modo?
Oppure equispaziati?
Poi ci sono i due secondari. Li avvolgo sul primario? Devo mettere un isolante fra li strati? Di che tipo? Dove lo trovo?
Grazie,
Dario
Occuperò 6mm su circa 10mm di lunghezza (due fili per 6 spire).
Li compatto tutti lato primario in questo modo?
Oppure equispaziati?
Poi ci sono i due secondari. Li avvolgo sul primario? Devo mettere un isolante fra li strati? Di che tipo? Dove lo trovo?
Grazie,
Dario
⋮ƎlectroYou e non smetti mai di imparare!
0
voti
Non hai specificato il circuito che utilizzerai.
-

BrunoValente
39,6k 7 11 13 - G.Master EY

- Messaggi: 7796
- Iscritto il: 8 mag 2007, 14:48
13 messaggi
• Pagina 1 di 2 • 1, 2
Chi c’è in linea
Visitano il forum: Nessuno e 162 ospiti

Elettrotecnica e non solo (admin)
Un gatto tra gli elettroni (IsidoroKZ)
Esperienza e simulazioni (g.schgor)
Moleskine di un idraulico (RenzoDF)
Il Blog di ElectroYou (webmaster)
Idee microcontrollate (TardoFreak)
PICcoli grandi PICMicro (Paolino)
Il blog elettrico di carloc (carloc)
DirtEYblooog (dirtydeeds)
Di tutto... un po' (jordan20)
AK47 (lillo)
Esperienze elettroniche (marco438)
Telecomunicazioni musicali (clavicordo)
Automazione ed Elettronica (gustavo)
Direttive per la sicurezza (ErnestoCappelletti)
EYnfo dall'Alaska (mir)
Apriamo il quadro! (attilio)
H7-25 (asdf)
Passione Elettrica (massimob)
Elettroni a spasso (guidob)
Bloguerra (guerra)






