probabilmente il titolo sarà un po' generico, ma non sapevo come descriverlo
Vi spiego brevemente cosa vorrei fare:
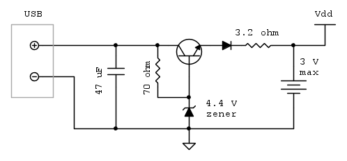
Ho acquistato un piccolo PAM8403 al modico prezzo di 1.20€ per usare due piccolissime casse (trovate all'interno di quei "mini" speaker che regalavano con le patatine). Vorrei sapere se esiste un modo, per avere una doppia alimentazione:
In pratica, il circuito può essere alimentato tra i 2.5 e i 5.5V. La mia idea era di avere comunque qualcosa di portatile e quindi mi sono detto: collego 2 pile in serie da 1.5V e 2500MAh e sono a posto.
Però ci sarebbe la menata di dover tutte le volte dover cambiare le pile, metterle sotto carica ecc.
Per fare un lavoro più pulito, pensavo di usare comunque le pile, ma volendo, anche un generatore esterno(anche una classicissima USB, tanto non credo che il circuito chieda più di 500mA e come tensione ci siamo); ma allo stesso tempo, che quando il circuito si connette alla USB, ricarichi le pile.
Vi ringrazio, buona serata

Elettrotecnica e non solo (admin)
Un gatto tra gli elettroni (IsidoroKZ)
Esperienza e simulazioni (g.schgor)
Moleskine di un idraulico (RenzoDF)
Il Blog di ElectroYou (webmaster)
Idee microcontrollate (TardoFreak)
PICcoli grandi PICMicro (Paolino)
Il blog elettrico di carloc (carloc)
DirtEYblooog (dirtydeeds)
Di tutto... un po' (jordan20)
AK47 (lillo)
Esperienze elettroniche (marco438)
Telecomunicazioni musicali (clavicordo)
Automazione ed Elettronica (gustavo)
Direttive per la sicurezza (ErnestoCappelletti)
EYnfo dall'Alaska (mir)
Apriamo il quadro! (attilio)
H7-25 (asdf)
Passione Elettrica (massimob)
Elettroni a spasso (guidob)
Bloguerra (guerra)





