Disattivazione temporizzata sirena a lancio imp. intrusione.
Moderatori:
carloc,
g.schgor,
BrunoValente,
IsidoroKZ
44 messaggi
• Pagina 4 di 5 • 1, 2, 3, 4, 5
0
voti
Credevo volessi sapere se se sapevo usarlo o meno..comunque, visto che non hai tutto questo tempo,vogliamo fare un esempio pratico di applicazione, o di un comparatore o di questo 431 di cui mi parli??
0
voti
Ciao.
Bene, che ne dici se ripartiamo dall'inizio:
dalla terminologia a lancio di corrente ricavo che hai una normale sirena a 12V che quando alimenti suona (normalmente questa dicitura si usa per gli interruttori, mentre per le sirene si omette il "di corrente"). Ora, la centrale d'allarme che genere d'uscita ha? un contatto libero formC cui colleghi la 12V su un polo e la sirena sull'altro? o chiude a massa? hai a disposizione un'alimentazione sempre presente per il circuito di temporizzazione o va alimentato dalla linea sirena? dopo un allarme che è stato resettato prima della fine della temporizzazione, dopo quanto tempo il sistema deve essere pronto per un nuovo allarme?
Bene, che ne dici se ripartiamo dall'inizio:
menu ha scritto:Salve a tutti,cercavo dei consigli sulla realizzazione di un piccolo e semplice circuito, per disattivare una piccola sirena acustica (12 V 400mA)a lancio di corrente,dopo alcuni minuti trascorsi,nel caso in cui il sitema in cui lavora rimanga in allarme per un tempo eccessivamente prolungato.
dalla terminologia a lancio di corrente ricavo che hai una normale sirena a 12V che quando alimenti suona (normalmente questa dicitura si usa per gli interruttori, mentre per le sirene si omette il "di corrente"). Ora, la centrale d'allarme che genere d'uscita ha? un contatto libero formC cui colleghi la 12V su un polo e la sirena sull'altro? o chiude a massa? hai a disposizione un'alimentazione sempre presente per il circuito di temporizzazione o va alimentato dalla linea sirena? dopo un allarme che è stato resettato prima della fine della temporizzazione, dopo quanto tempo il sistema deve essere pronto per un nuovo allarme?
_______________________________________________________
Gli oscillatori non oscillano mai, gli amplificatori invece sempre
Io HO i poteri della supermucca, e ne vado fiero!
Gli oscillatori non oscillano mai, gli amplificatori invece sempre
Io HO i poteri della supermucca, e ne vado fiero!
0
voti
menu ha scritto:E comunque non credo sia cosi' semplice la soluzione,dal momento che, non abbiamo ottenuto ancora la logica desiderata.
Una soluzione la si trova, sempre e comunque

Però devi rispondere alle domande che ti ha fatto
Verba volant, scripta manent
-

ibra
1.282 3 4 6 - CRU - Account cancellato su Richiesta utente
- Messaggi: 2100
- Iscritto il: 15 lug 2015, 0:45
0
voti
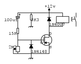
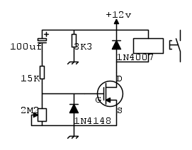
Scusate
,la centrale dispone di un contatto libero da potenziale,comunque ho procurato,realizzato e collaudato questo progetto in poco tempo,e l'ho trovato abbastanza valido..(scusate ma non sono abilissimo con fcd
)cosa ne pensate?
44 messaggi
• Pagina 4 di 5 • 1, 2, 3, 4, 5
Chi c’è in linea
Visitano il forum: Nessuno e 35 ospiti

Elettrotecnica e non solo (admin)
Un gatto tra gli elettroni (IsidoroKZ)
Esperienza e simulazioni (g.schgor)
Moleskine di un idraulico (RenzoDF)
Il Blog di ElectroYou (webmaster)
Idee microcontrollate (TardoFreak)
PICcoli grandi PICMicro (Paolino)
Il blog elettrico di carloc (carloc)
DirtEYblooog (dirtydeeds)
Di tutto... un po' (jordan20)
AK47 (lillo)
Esperienze elettroniche (marco438)
Telecomunicazioni musicali (clavicordo)
Automazione ed Elettronica (gustavo)
Direttive per la sicurezza (ErnestoCappelletti)
EYnfo dall'Alaska (mir)
Apriamo il quadro! (attilio)
H7-25 (asdf)
Passione Elettrica (massimob)
Elettroni a spasso (guidob)
Bloguerra (guerra)




