Cos'è ElectroYou | Login Iscriviti

ElectroYou - la comunità dei professionisti del mondo elettrico

Sintesi bipolo RLCM

Elettronica lineare e digitale: didattica ed applicazioni

Moderatori: Foto Utentecarloc, Foto Utenteg.schgor, Foto UtenteBrunoValente, Foto UtenteIsidoroKZ

0
voti

[1] Sintesi bipolo RLCM

Messaggioda Foto Utentepietrojoe » 11 gen 2016, 12:27

Buongiorno a tutti,
ho questa immettenza F(s) che devo realizzare (per un esame di Reti Elettriche):

Z(s)=F(s)=\frac{2s(s^2+4)(s^2+9)}{(s^2+5)^2}

Chiaramente risulta NON fisicamente realizzabile in quanto viola la condizione necessaria e sufficiente che la somma tra il polinomio che costituisce il numeratore N(s) e quello che costituisce il denominatore D(s) non è un polinomio strettamente di Hurwitz (ossia non ha radici tutte a parte reale negativa).
La mia domanda è: come fare a renderla fisicamente realizzabile? La nostra professoressa è stata vaga perché vuole metterci alla prova perciò non posso dare come risposta "no, non è fisicamente realizzabile quindi non la faccio" :shock:

Grazie a tutti per l'aiuto :)
Avatar utente
Foto Utentepietrojoe
5 2
 
Messaggi: 23
Iscritto il: 6 gen 2016, 13:22

4
voti

[2] Re: Sintesi bipolo RLCM

Messaggioda Foto UtenteIsidoroKZ » 11 gen 2016, 13:11

In quale universita` si fanno quelle belle cose? Purtroppo svariati atenei le hanno abbandonate :(

Non ti so dare una risposta, perche' dipende da come il corso e` stato impostato. Si potrebbe provare ad esempio a sintetizzare una impedenza che si comporti come quella richiesta solo su una parte delle banda frequenze. Oppure durante la sintesi si aggiungono delle resistenze serie o parallelo, in modo euristico per togliere le non realizzabilita`.

Ho provato a fare una sintesi, viene un LC serie con valori di L e C negativi. Se potete usare dei NIC la si puo` realizzare...

Il problema di quella immettenza e` che hai un quadrato a denominatore. Le immettenze LC possono solo avere poli e zeri semplici e alternati sull'asse immaginario, e questa non e` di quella famiglia. Se puoi barare spostando un pochino la posizione di zeri e poli... ad esempio se il denominatore fosse (s^2+3)(s^2+5) dovrebbe essere realizzabile.

Altre idee non mi vengono in mente :(
Per usare proficuamente un simulatore, bisogna sapere molta più elettronica di lui
Plug it in - it works better!
Il 555 sta all'elettronica come Arduino all'informatica! (entrambi loro malgrado)
Se volete risposte rispondete a tutte le mie domande
Avatar utente
Foto UtenteIsidoroKZ
121,2k 1 3 8
G.Master EY
G.Master EY
 
Messaggi: 21059
Iscritto il: 17 ott 2009, 0:00

0
voti

[3] Re: Sintesi bipolo RLCM

Messaggioda Foto Utentepietrojoe » 11 gen 2016, 13:25

IsidoroKZ ha scritto:In quale universita` si fanno quelle belle cose? Purtroppo svariati atenei le hanno abbandonate :(


Il Politecnico di Bari non le ha abbandonate :)

IsidoroKZ ha scritto:Non ti so dare una risposta, perche' dipende da come il corso e` stato impostato.


Purtroppo però i metodi di insegnamento di queste cose non sono dei migliori. Il corso è stato appunto impostato malissimo!!!

No, non possiamo usare NIC. Però la sintesi può essere fatta con R, L e C e quindi non necessariamente LC. Abbiamo provato a spostare dei poli, ma non riesco a capire l'utilità di tutto ciò, se questo porta solo a modificare "opportunamente" la funzione per poterla realizzare fisicamente.
ODIO il fatto di dovere completamente stravolgere la funzione per poterla realizzare (ce l'ho con la professoressa, non con la tua proposta innocente :D ). Non esistono altre metodologie?
Avatar utente
Foto Utentepietrojoe
5 2
 
Messaggi: 23
Iscritto il: 6 gen 2016, 13:22

0
voti

[4] Re: Sintesi bipolo RLCM

Messaggioda Foto Utentepietrojoe » 11 gen 2016, 13:27

IsidoroKZ ha scritto:ad esempio se il denominatore fosse (s^2+3)(s^2+5) dovrebbe essere realizzabile.


Tentativo già fatto. Nemmeno in questo modo la funzione è fisicamente realizzabile! (viola sempre la stessa condizione di cui parlavo all'inizio della discussione)
Avatar utente
Foto Utentepietrojoe
5 2
 
Messaggi: 23
Iscritto il: 6 gen 2016, 13:22

2
voti

[5] Re: Sintesi bipolo RLCM

Messaggioda Foto UtenteIsidoroKZ » 11 gen 2016, 14:44

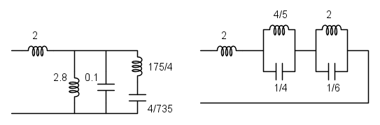
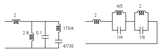
Se sdoppi il denominatore diventa realizzabile. L'impedenza Z(s)=\frac{2s(s^2+4)(s^2+9)}{(s^2+3)(s^2+5)} la si sintetizza in tanti modi, due dei quali sono



Sfortunatamente non sono la funzione iniziale :(

Che libro di testo usate?
Per usare proficuamente un simulatore, bisogna sapere molta più elettronica di lui
Plug it in - it works better!
Il 555 sta all'elettronica come Arduino all'informatica! (entrambi loro malgrado)
Se volete risposte rispondete a tutte le mie domande
Avatar utente
Foto UtenteIsidoroKZ
121,2k 1 3 8
G.Master EY
G.Master EY
 
Messaggi: 21059
Iscritto il: 17 ott 2009, 0:00

0
voti

[6] Re: Sintesi bipolo RLCM

Messaggioda Foto Utentepietrojoe » 12 gen 2016, 1:31

So che non è possibile spostare dei poli (quelli in +-j*sqrt5) oltre degli zeri già esistenti (quelli in +-j*2). Non so perché, ma so che c'è questa "regola".

Usiamo (poco) il Perfetti e le dispense (pessime) del corso.
Avatar utente
Foto Utentepietrojoe
5 2
 
Messaggi: 23
Iscritto il: 6 gen 2016, 13:22

0
voti

[7] Re: Sintesi bipolo RLCM

Messaggioda Foto Utentepietrojoe » 12 gen 2016, 19:16

Nessun'altra idea?
Avatar utente
Foto Utentepietrojoe
5 2
 
Messaggi: 23
Iscritto il: 6 gen 2016, 13:22

0
voti

[8] Re: Sintesi bipolo RLCM

Messaggioda Foto UtenteIsidoroKZ » 12 gen 2016, 19:20

Non sapendo quali sono le regole del gioco date dalla prof in modo piu` o meno esplicito durante tutto il corso, non si possono avere troppe idee :(

Pero` saro` curioso di sapere che soluzione ha in mente.
Per usare proficuamente un simulatore, bisogna sapere molta più elettronica di lui
Plug it in - it works better!
Il 555 sta all'elettronica come Arduino all'informatica! (entrambi loro malgrado)
Se volete risposte rispondete a tutte le mie domande
Avatar utente
Foto UtenteIsidoroKZ
121,2k 1 3 8
G.Master EY
G.Master EY
 
Messaggi: 21059
Iscritto il: 17 ott 2009, 0:00

0
voti

[9] Re: Sintesi bipolo RLCM

Messaggioda Foto Utentepietrojoe » 12 gen 2016, 19:30

Diciamo pure che lei ha spiegato molto male questo argomento e tra le varie cose random che sparava c'era questo fatto di oltrepassare gli zeri presenti con i poli e viceversa. Il materiale che ci ha dato non dice nulla a proposito di questi caso e in giro non ho trovato niente :( forse perché quando qualcosa non è realizzabile con RLC allora non si realizza e basta, come la logica direbbe a chiunque!
Avatar utente
Foto Utentepietrojoe
5 2
 
Messaggi: 23
Iscritto il: 6 gen 2016, 13:22

0
voti

[10] Re: Sintesi bipolo RLCM

Messaggioda Foto UtenteIsidoroKZ » 12 gen 2016, 19:37

Forse intendeva dire che in una immettenza LC fisicamente realizzabile i poli non possono essere spostati oltre gli zeri altrimenti non e` piu` realizzabile. Ma se non e` fisicamente realizzabile in partenza, allora spostare i poli oltre gli zeri puo` essere un modo per realizzare qualcosa.
Per usare proficuamente un simulatore, bisogna sapere molta più elettronica di lui
Plug it in - it works better!
Il 555 sta all'elettronica come Arduino all'informatica! (entrambi loro malgrado)
Se volete risposte rispondete a tutte le mie domande
Avatar utente
Foto UtenteIsidoroKZ
121,2k 1 3 8
G.Master EY
G.Master EY
 
Messaggi: 21059
Iscritto il: 17 ott 2009, 0:00

Prossimo

Torna a Elettronica generale

Chi c’è in linea

Visitano il forum: Nessuno e 50 ospiti