Eccitare un relè a 13.5 V e diseccitare a 12.5 V
Moderatori:
carloc,
g.schgor,
BrunoValente,
IsidoroKZ
24 messaggi
• Pagina 1 di 3 • 1, 2, 3
0
voti
saluti a tutti . premetto che di elettronica ne capisco poco ma qualche circuito piccolo lo faccio con lo schema di nuova elettronica. il mio problema e che vorrei sapere come fare a eccitare un rele quando la tensione della batteria servizi del camper quando e sotto carica (o tensione di rete o pannello solare ) e diseccitare il rele quando la tensione scende a 12.5 volt , questo servirebbe a mettere in parallelo la batteria sevizi con la batteria motore , in modo che giornalmente un ora al giorno (me le metta in paralleo con un time che ho gia. in pratica servirebbe un circuito che solo quando la tensione sulla batteria sevizi supera i 13 volt fa scattare un rele che mette in parallelo le batterie con diodo e resistenza gia collaudati, e quando la tensione scende 12.5 volt segno che non c'e' ne tensione di rete ne tensione dal pann. solare stacchi il rele per non scaricare inutilmente la batteria servizi. spero di essere stato chiaro spero in voi un saluto a ing. G. Schgor che mi ha aiutato a far funzionare il mio antifurto con cd4013 proprio una brava persona un vero ingegnere
-

francopallino
15 3 - New entry

- Messaggi: 51
- Iscritto il: 6 nov 2015, 18:07
1
voti
Sono appena arrivto su questo forum e non ho ancora dimestichezza con gli strumrenti di disegno (...imparerò)
in attesa che qualcuno più preparato ti dia una riposta esasutiva ti suggerisco di cercare in rete i comparatori con isteresi che svolgono esattamente la tua funzione. Si possono definire due soglie quella superiore commuta l'uscita ON e quella inferiroe l'uscita OFF (... o viceversa)
Non so quali sono le tue competenze in elettronica ma alla fine si tratta di mettere insieme qualche resistenza e un comparatore e un transistor all'uscita per pilotare il relè
in attesa che qualcuno più preparato ti dia una riposta esasutiva ti suggerisco di cercare in rete i comparatori con isteresi che svolgono esattamente la tua funzione. Si possono definire due soglie quella superiore commuta l'uscita ON e quella inferiroe l'uscita OFF (... o viceversa)
Non so quali sono le tue competenze in elettronica ma alla fine si tratta di mettere insieme qualche resistenza e un comparatore e un transistor all'uscita per pilotare il relè
-

luxinterior
4.311 3 4 9 - Master EY

- Messaggi: 2690
- Iscritto il: 6 gen 2016, 17:48
0
voti
Secondo me si può realizzare qualcosa del genere con un paio di zener e un scr...
Con il primo zener (13.5v) inneschi il gate dell'scr che resterà in conduzione fino a che non gli togli l'alimentazione, e qui ecco che metti il secondo zener (12.5v) in serie che al di sotto di tale tensione toglierà alimentazione all'anodo dell'scr. Infine sul catodo dell'scr collegherai (magari interponendo un transistor) il tuo relè.
Con il primo zener (13.5v) inneschi il gate dell'scr che resterà in conduzione fino a che non gli togli l'alimentazione, e qui ecco che metti il secondo zener (12.5v) in serie che al di sotto di tale tensione toglierà alimentazione all'anodo dell'scr. Infine sul catodo dell'scr collegherai (magari interponendo un transistor) il tuo relè.

0
voti
OK , grazie per le risposte , ma e possibile avere qualche schemino? senza di quello non mi muovo
so che ad esempio per gli zener necessita una resistenza da calcolare ma non so come
forse come argomento e gia stato trattato ma non lo ho trovato
grazie
so che ad esempio per gli zener necessita una resistenza da calcolare ma non so come
forse come argomento e gia stato trattato ma non lo ho trovato
grazie
-

francopallino
15 3 - New entry

- Messaggi: 51
- Iscritto il: 6 nov 2015, 18:07
1
voti
ciao
francopallino
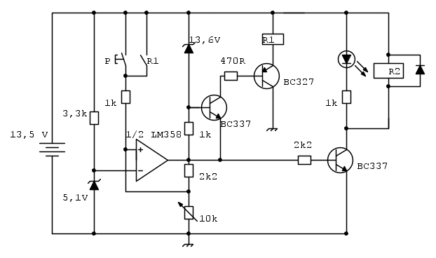
Uno schema semplice te l' ho fatto e funziona.
Devo dire che non è stato facile fare una cosa semplice che comprenda due commutazioni veloci con isteresi.
Diciamo che c'ho ammattito un pochino, prima di trovare la soluzione semplice ma funzionante.
( anch'io sono un elettronico della domenica ,
francopallino
)
comunque oggi mi ci sono divertito un po', così si impara sempre qualcosa....
Lo schema è questo, se ti va bene domani o appena posso ti do una spiegazione più dettagliata
La tensione di alimentazione deve provenire direttamente dalla batteria che vuoi tenere sotto controllo
Il Relè R2 è quello che ti servirà per staccare e attaccare le batterie dal carico
Il pulsante P che vedi, te lo inserito per facilitare la taratura del trimmer da 10 k che vedi.
Con quello regoli a che tensione minima vuoi staccare il relè R2
Lo zener da 13,6 V lo devi ricavare con uno zener da 13 V e poi inserisci in serie un normale diodo 1N 4004 o simili.
( se vuoi puoi inserirne due in serie e arrivare a 14,2 V senza problemi e ricaricare meglio le batterie )
Al BC 337 che comanda R2, puoi seguire un secondo transistor di media potenza se il relè che devi gestire è grosso , oppure usare direttamente un darlington di media potenza.
domani, con calma, al limite ti spiego nel dettaglio come funziona .
Adesso devo andare

Uno schema semplice te l' ho fatto e funziona.
Devo dire che non è stato facile fare una cosa semplice che comprenda due commutazioni veloci con isteresi.
Diciamo che c'ho ammattito un pochino, prima di trovare la soluzione semplice ma funzionante.
( anch'io sono un elettronico della domenica ,
comunque oggi mi ci sono divertito un po', così si impara sempre qualcosa....
Lo schema è questo, se ti va bene domani o appena posso ti do una spiegazione più dettagliata
La tensione di alimentazione deve provenire direttamente dalla batteria che vuoi tenere sotto controllo
Il Relè R2 è quello che ti servirà per staccare e attaccare le batterie dal carico
Il pulsante P che vedi, te lo inserito per facilitare la taratura del trimmer da 10 k che vedi.
Con quello regoli a che tensione minima vuoi staccare il relè R2
Lo zener da 13,6 V lo devi ricavare con uno zener da 13 V e poi inserisci in serie un normale diodo 1N 4004 o simili.
( se vuoi puoi inserirne due in serie e arrivare a 14,2 V senza problemi e ricaricare meglio le batterie )
Al BC 337 che comanda R2, puoi seguire un secondo transistor di media potenza se il relè che devi gestire è grosso , oppure usare direttamente un darlington di media potenza.
domani, con calma, al limite ti spiego nel dettaglio come funziona .
Adesso devo andare

0
voti
grazie della risposta, ci sono alcune cose che non capisco tipo lo zener sullo schema e da 5.1
cosa serve il terzo transistor (solo per accendere il led?) aspettero fiducioso
grazie
cosa serve il terzo transistor (solo per accendere il led?) aspettero fiducioso
grazie
-

francopallino
15 3 - New entry

- Messaggi: 51
- Iscritto il: 6 nov 2015, 18:07
0
voti
come non detto visto lo zener da 13.6
-

francopallino
15 3 - New entry

- Messaggi: 51
- Iscritto il: 6 nov 2015, 18:07
0
voti
francopallino ha scritto: ci sono alcune cose che non capisco
Stasera che ho più tempo ti spiego ( e anche per altri utenti se interessa ) il funzionamento nel dettaglio.
ciao
0
voti
Avevo disegnato anch'io un circuito e anche se
Pixy mi ha preceduto, ormai l'ho fatto e lo posto.
francopallino, adesso hai due circuiti al prezzo di uno
Big fan of ⋮ƎlectroYou! Ausili per disabili e anziani su ⋮ƎlectroYou
Caratteri utili: À È É Ì Ò Ó Ù α β γ δ ε η θ λ μ π ρ σ τ φ ω Ω º ª ² ³ √ ∛ ∜ ₀ ₁ ₂ ₃ ₄ ₅ ₆ ∃ ∄ ∆ ∈ ∉ ± ∓ ∾ ≃ ≈ ≠ ≤ ≥
Caratteri utili: À È É Ì Ò Ó Ù α β γ δ ε η θ λ μ π ρ σ τ φ ω Ω º ª ² ³ √ ∛ ∜ ₀ ₁ ₂ ₃ ₄ ₅ ₆ ∃ ∄ ∆ ∈ ∉ ± ∓ ∾ ≃ ≈ ≠ ≤ ≥
24 messaggi
• Pagina 1 di 3 • 1, 2, 3
Chi c’è in linea
Visitano il forum: Nessuno e 170 ospiti

Elettrotecnica e non solo (admin)
Un gatto tra gli elettroni (IsidoroKZ)
Esperienza e simulazioni (g.schgor)
Moleskine di un idraulico (RenzoDF)
Il Blog di ElectroYou (webmaster)
Idee microcontrollate (TardoFreak)
PICcoli grandi PICMicro (Paolino)
Il blog elettrico di carloc (carloc)
DirtEYblooog (dirtydeeds)
Di tutto... un po' (jordan20)
AK47 (lillo)
Esperienze elettroniche (marco438)
Telecomunicazioni musicali (clavicordo)
Automazione ed Elettronica (gustavo)
Direttive per la sicurezza (ErnestoCappelletti)
EYnfo dall'Alaska (mir)
Apriamo il quadro! (attilio)
H7-25 (asdf)
Passione Elettrica (massimob)
Elettroni a spasso (guidob)
Bloguerra (guerra)






