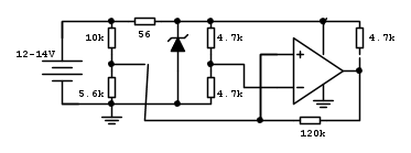
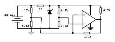
alessandrocolos ha scritto:primo trimer resistenza massima 51 ohm
Ti riferisci allo schema del post [7] vero? Ma i valori previsti erano
R5 -> 8K-12K
R6 -> 10-50K
Che te ne fai di 51 Ohm?
Moderatori:
g.schgor,
IsidoroKZ
alessandrocolos ha scritto:primo trimer resistenza massima 51 ohm


alessandrocolos ha scritto:non sono riuscito a concludere nulla


francopallino ha scritto:mi frigge il rele
francopallino ha scritto:a me serve che quando la tensione sale a 13.5 V attacchi il rele , e quando scende a 12.5 V
disecciti il rele , e' possibile ?






Torna a Elettrotecnica generale
Visitano il forum: Nessuno e 84 ospiti