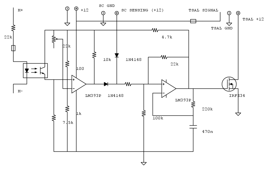
Ora sto cercando di capire nel dettaglio il funzionamento di una scheda che accende una luce quando c'è alta tensione fuori dal pacco batterie.
Mi sono già fermato su una cosa molto banale cioè il dimensionamento della resistenza sulla linea di alimentazione dell'elemento fotoemittente dell'optoisolatore.
Ora la tensione in ingresso dovrebbe essere 352.8 V.
La mia difficoltà sta nel capire quali valori del datasheet utilizzare. Stando allo schema viene utilizzato un CNY17-3.
Ho scaricato quindi questo datasheet
http://www.vishay.com/docs/83606/cny17.pdf
Quale forward voltage devo considerare? La tipica (TYP) o la massima (MAX)?

Quale valore di corrente devo utilizzare? If=60 mA? O i valori riportati in quest'altra tabella?


Elettrotecnica e non solo (admin)
Un gatto tra gli elettroni (IsidoroKZ)
Esperienza e simulazioni (g.schgor)
Moleskine di un idraulico (RenzoDF)
Il Blog di ElectroYou (webmaster)
Idee microcontrollate (TardoFreak)
PICcoli grandi PICMicro (Paolino)
Il blog elettrico di carloc (carloc)
DirtEYblooog (dirtydeeds)
Di tutto... un po' (jordan20)
AK47 (lillo)
Esperienze elettroniche (marco438)
Telecomunicazioni musicali (clavicordo)
Automazione ed Elettronica (gustavo)
Direttive per la sicurezza (ErnestoCappelletti)
EYnfo dall'Alaska (mir)
Apriamo il quadro! (attilio)
H7-25 (asdf)
Passione Elettrica (massimob)
Elettroni a spasso (guidob)
Bloguerra (guerra)






