Cos'è ElectroYou | Login Iscriviti

ElectroYou - la comunità dei professionisti del mondo elettrico

Contagiri digitale per motore a scoppio

Elettronica lineare e digitale: didattica ed applicazioni

Moderatori: Foto Utentecarloc, Foto Utenteg.schgor, Foto UtenteBrunoValente, Foto UtenteIsidoroKZ

1
voti

[1] Contagiri digitale per motore a scoppio

Messaggioda Foto UtenteCeres99 » 28 gen 2016, 17:08

Buongiorno, :D
Premetto di non sapere se è la categoria giusta, ma il progetto a cui ci servirebbe una mano che stiamo(Il mio gruppo di compagni insieme alla scuola/professore) sviluppando occupa un po tutti i campi se cosi si può definire.
Il progetto in se è:
Nome Progetto: Contagiri Digitale a LCD 8x1
Piattaforma: Arduino UNOFunzionalità: Conta il numero di giri dell'albero di un motore a scoppio(2 tempi) basandosi sul numero di segnali inviati dalla/e centralina(CDI)/Puntine alla Bobina AT per lo scocco della scintilla di accensione e li mostra su un Display LCD 8x1 pilotato da Arduino UNO che svolge anche la funzione di PIC(Microcontrollore)
Accensione di partenza: Elettronica/Puntine a Volano magnetico esterno e statore interno.
Tipo di corrente Generata dall'accensione: Alternata (AC) 6/12v(a seconda dell'accensione) non stabili(Questo valore è indicativo).
Arduino Uno sarà alimentato a batteria.
Il motore in questione è un motore Piaggio per Ciao/Si/bravo ad accensione a puntine a 2 poli.
Ora stiamo verificando e controllando il tipo di corrente che manda fuori l'accensione "Che in questo caso è a Puntine Platinate". A ogni giro di motore corrisponde un impulso.
Abbiamo applicato un ponte raddrizzatore KBU6K da 800V 6A(Per stare larghi) per convertire da Ac/Dc il segnale inviato alla Bobina At.
A circa 1000giri/m(Minimo) la tensione dell'impulso generata è di 5-6v Dc. Mentre a 9000-10000giri/m(Massimo) abbiamo una tensione pari quasi a 80v Dc.
Prelevando questo segnale per utilizzarlo come contatore, abbiamo il problema che la corrente non è stabile, quando gira piano genera poca tensione(Che andrebbe bene) ma quando gira forte ne genera troppa(Brucerebbe l'arduino stesso).
Un'idea del nostro professore, sarebbe quella di utilizzare un Accoppiatore Ottico, ma non siamo sicuri di quali valori tenere in considerazione. Dovrebbe avere un range di utilizzo alto fino a 100v Dc.
Che tipo di accoppiatore ottico si potrebbe utilizzare? Con che valori?
Qualcuno riuscirebbe ad aiutarci?
Se vi servono ulteriore delucidazioni per aiutarmi nel progetto chiedete, spero di non aver dimenticato nulla,
la parte di porgrammazione non è un problema.
Grazie in Anticipo O_/
Avatar utente
Foto UtenteCeres99
51 1 4
Frequentatore
Frequentatore
 
Messaggi: 166
Iscritto il: 21 nov 2011, 14:58

1
voti

[2] Re: Contagiri Digitale per motore a scoppio

Messaggioda Foto UtenteMax2433BO » 28 gen 2016, 17:48

Ceres99 ha scritto:... Abbiamo applicato un ponte raddrizzatore KBU6K da 800V 6A(Per stare larghi) per convertire da Ac/Dc il segnale inviato alla Bobina At.
A circa 1000giri/m(Minimo) la tensione dell'impulso generata è di 5-6v Dc. Mentre a 9000-10000giri/m(Massimo) abbiamo una tensione pari quasi a 80v Dc...


Premetto che non sono un esperto... tutt'altro... :mrgreen: ma invece di radrizzare la tensione pulsante inviata alla bobina AT per poi darla in pasto ad ARDUINO per riconvertirla in un numero che rappresenti i giri del motore (se ho ben capito...), perché non gli date in pasto direttamente gli impulsi, naturalmente opportunamente filtrati, squadrati e "cimati" ad una tensione consona, e glie li fate contare?

Potreste fargli contare gli impulsi che riceve in un secondo, poi moltiplicarla per 60 e dividerla per il numero di cilindri, per ottenere i giri al minuto:

esempio, se abbiamo un monocilindrico, e il micro conta 78 impulsi in un secondo, sul display dovrà visualizzare 4680 giri/minuto.

Comunque attendete anche pareri di persona molto più esperte... mi raccomando!! :mrgreen:

O_/ Max
Disapprovo quello che dite, ma difenderò fino alla morte il vostro diritto di dirlo [attribuita a Voltaire]

La gentilezza dovrebbe diventare lo stile naturale della vita, non l'eccezione [Siddhārtha Gautama]
Avatar utente
Foto UtenteMax2433BO
18,6k 4 11 13
G.Master EY
G.Master EY
 
Messaggi: 4724
Iscritto il: 25 set 2013, 16:29
Località: Universo - Via Lattea - Sistema Solare - Terzo pianeta...

0
voti

[3] Re: Contagiri Digitale per motore a scoppio

Messaggioda Foto UtenteCeres99 » 28 gen 2016, 18:26

Max2433BO ha scritto:...perché non gli date in pasto direttamente gli impulsi, naturalmente opportunamente filtrati, squadrati e "cimati" ad una tensione consona, e glie li fate contare?

Potreste fargli contare gli impulsi che riceve in un secondo, poi moltiplicarla per 60 e dividerla per il numero di cilindri, per ottenere i giri al minuto:

esempio, se abbiamo un monocilindrico, e il micro conta 78 impulsi in un secondo, sul display dovrà visualizzare 4680 giri/minuto.
...

Questo è esattamente quello che vogliamo fare :)
L'idea dell'accoppiatore ottico era per non doverci preoccupare di "sistemare" la corrente e tensione in uscita dall'accensione.
Il problema è come fargli leggere gli impulsi ad arduino.
Siccome come spiegato, gli impulsi hanno una tensione molto variabile in proporzione al numero di giri.
Premetto che possiamo lavorare con gli impulsi sia in Ac che in Dc, quale tipo di corrente verrebbe più comoda da livellare, filtrare(come?) e far leggere ad arduino?
Come si può fare questo "naturalmente opportunamente filtrati, squadrati e "cimati" ad una tensione consona"?
Il problema rimane comunque livellare la tensione 5-6v Dc(7-8vAc) al minimo e 80v Ac(circa 85v Dc) per non bruciare arduino. Non penso esistano regolatori di tensioni con queste caratteristiche...
Avatar utente
Foto UtenteCeres99
51 1 4
Frequentatore
Frequentatore
 
Messaggi: 166
Iscritto il: 21 nov 2011, 14:58

2
voti

[4] Re: Contagiri Digitale per motore a scoppio

Messaggioda Foto UtenteMarcoD » 28 gen 2016, 19:00

Ciao Foto UtenteCeres99,
visto che ti stai impratichendo, ti aiuto volentieri, e ti auguro successo negli studi e nella attività lavorativa.
Concordo con quanto scritto dagli altri poster prima di me.

Sarebbe bene che prima visualizzassi la forma d'onda dell'impulso con un oscilloscopio.
L'accoppiatore opto va bene, è utile, ma non è indipensabile.

Non è un problema limitare la tensione.
Ti ilustro il circuito che ti propongo che potrebbe funzionare. Attendo anche i pareri degli altri poster, che potrebbero migliorarlo ulteriormente.
R1 2,2 kohm, limita la corrente massima impulsiva a circa 100 V / 2,2kohm = 50 mA
C1 0,1 uF facoltativo, toglie la eventuale componente continua.
C2 100 pF facoltativo, filtra eventuali disturbi veloci che possono fare sbagliare il contatore
D1 zener da 3,9 V 1/2 w, auspicabile ma forse non necessario.
Se non vuoi adoperare lo zener puoi provare a mettere 6 diodi al silicio come illustrato.

Ora è bene che fai le tue considerazioni e calcoli di verifica.
Valore delle tensioni per uno logico e zero logico dell'ingresso Arduino?
Gli ingressi Arduino forse hanno dei diodi di protezione. Verificare sul data sheet ATMEL. Che corrente massima sopportano prima di danneggiarsi?

Domande ??
O_/
Ultima modifica di Foto UtenteMarcoD il 28 gen 2016, 19:30, modificato 2 volte in totale.
Avatar utente
Foto UtenteMarcoD
12,2k 5 9 13
Master EY
Master EY
 
Messaggi: 6696
Iscritto il: 9 lug 2015, 16:58
Località: Torino

2
voti

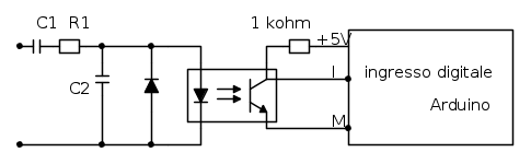
[5] Re: Contagiri Digitale per motore a scoppio

Messaggioda Foto UtenteMarcoD » 28 gen 2016, 19:22

Propongo anche la versione con opto, i valori sono da definire.
Quale è la corrente minima nell diodo opto per la saturazione del transistor?
Quale corrente massima sopporta il diodo?
Quale opto intendi adoperare ?



In un progetto, nessun componente e nessun valore è lasciato al caso, ma è dimensionato con un calcolo. Il progetto migliore è quello che NON ha un componente in più del necessario e che consuma il meno possibile, ma che funziona in tutte le condizioni limite previste.
Avatar utente
Foto UtenteMarcoD
12,2k 5 9 13
Master EY
Master EY
 
Messaggi: 6696
Iscritto il: 9 lug 2015, 16:58
Località: Torino

0
voti

[6] Re: Contagiri Digitale per motore a scoppio

Messaggioda Foto UtenteCeres99 » 29 gen 2016, 1:58

Ciao, grazie per aver risposto e aver dato un tuo possibile schema da utilizzare, domani rileggo tutto con calma, guardo le domande che mi hai fatto, guardo gli schemi, valuto/rilevo misure con compagni e prof, e ti rispondo!
Grazie intanto! =D> :ok:
Avatar utente
Foto UtenteCeres99
51 1 4
Frequentatore
Frequentatore
 
Messaggi: 166
Iscritto il: 21 nov 2011, 14:58

2
voti

[7] Re: Contagiri digitale per motore a scoppio

Messaggioda Foto UtenteMarcoD » 29 gen 2016, 10:16

Nel precedente schema avevo supposto che il segnale fosse simile a una sinusoide.
Se il segnale è un treno di oscillazioni smorzate di durata complessiva meno di un decimo del periodo, il circuito ottimale si modifica come segue:

8000 RPM >> 133 Hz motore a due tempi
D2 diodo con almeno 400 Vinversa esempio 1N4004
R2 10kohm realizza la scarica di C2
C2 a sensazione portiamolo a 1nF

Però sarebbe sempre meglio rilevare la forma d'onda del segnale in ingresso per motore al minimo e alla massima velocità ( applica un attenuatore addizionale alla sonda dell'oscilloscopio (per esempio partitore 100 k / 10 k ohm; attento a non danneggiare il canale di ingresso dell'oscillo).

In un progetto, nessun componente e nessun valore è lasciato al caso, ma è dimensionato con un calcolo. Il progetto migliore è quello che NON ha un componente in più del necessario e che consuma il meno possibile, ma che funziona in tutte le condizioni limite previste.
Dimenticavo: il progetto deve essere possibilmente ROBUSTO ossia il circuito deve funzionare anche con grandi tolleranze dei componenti e dei segnali in ingresso, alle volte si deve anche ottimizzare il tempo di progetto ( in parole povere serve progettarlo in fretta (quick and dirty) ), alla volta ottimizzare la capacità del progettista disponibile :-) ( in parole povere non siamo capaci a fare tutto e bene, ci si arrangia come si può :-) ).
O_/


Avatar utente
Foto UtenteMarcoD
12,2k 5 9 13
Master EY
Master EY
 
Messaggi: 6696
Iscritto il: 9 lug 2015, 16:58
Località: Torino

0
voti

[8] Re: Contagiri Digitale per motore a scoppio

Messaggioda Foto UtenteMax2433BO » 29 gen 2016, 12:09

Vedo che Foto UtenteMarcoD, molto più esperto e pratico del sottoscritto, ti sta già dando delle risposte e delle dritte su come impostare il lavoro.

Solo una curiosità Foto UtenteCeres99, cosa intendi con:

Ceres99 ha scritto:... Premetto che possiamo lavorare con gli impulsi sia in Ac che in Dc...


Io sono un tantino arrugginito (... per usare un eufemismo :mrgreen: ) ma se parliamo di un "treno" di impulsi, come sono quelli generati dalle puntine di un motore a scoppio, quindi di un segnale sicuramente "alternato" nel tempo, mi puoi spiegare cosa si intende per "impulsi in DC"?? :-k

O_/ Max
Disapprovo quello che dite, ma difenderò fino alla morte il vostro diritto di dirlo [attribuita a Voltaire]

La gentilezza dovrebbe diventare lo stile naturale della vita, non l'eccezione [Siddhārtha Gautama]
Avatar utente
Foto UtenteMax2433BO
18,6k 4 11 13
G.Master EY
G.Master EY
 
Messaggi: 4724
Iscritto il: 25 set 2013, 16:29
Località: Universo - Via Lattea - Sistema Solare - Terzo pianeta...

0
voti

[9] Re: Contagiri Digitale per motore a scoppio

Messaggioda Foto UtenteCeres99 » 29 gen 2016, 15:49

Max2433BO ha scritto:...
Io sono un tantino arrugginito (... per usare un eufemismo :mrgreen: ) ma se parliamo di un "treno" di impulsi, come sono quelli generati dalle puntine di un motore a scoppio, quindi di un segnale sicuramente "alternato" nel tempo, mi puoi spiegare cosa si intende per "impulsi in DC"?? :-k

O_/ Max

Intendo che possiamo tenere il ponte di diodi e al posto di lavorare con gli impulsi in AC li convertiamo e ce li teniamo in DC.
Non so se mi sono spiegato :)
Domani in mattinata comunque a scuola ho il prof, gli faccio vedere l'idea avanzata da Marco e vediamo di prendere delle rilevazioni.
Marco, con:
-D2 diodo con almeno 400 Vinversa esempio 1N4004
Cos'è che fa esattamente?
Grazie O_/
Avatar utente
Foto UtenteCeres99
51 1 4
Frequentatore
Frequentatore
 
Messaggi: 166
Iscritto il: 21 nov 2011, 14:58

0
voti

[10] Re: Contagiri digitale per motore a scoppio

Messaggioda Foto UtenteMax2433BO » 29 gen 2016, 15:59

Ah!

Ho capito, avevo interpretato male la frase, in pratica dovevo intendere:

Premetto che possiamo lavorare sia con gli impulsi in Ac, che in Dc


... così ha un senso.

:ok: Grazie e buon lavoro!!

O_/ Max
Disapprovo quello che dite, ma difenderò fino alla morte il vostro diritto di dirlo [attribuita a Voltaire]

La gentilezza dovrebbe diventare lo stile naturale della vita, non l'eccezione [Siddhārtha Gautama]
Avatar utente
Foto UtenteMax2433BO
18,6k 4 11 13
G.Master EY
G.Master EY
 
Messaggi: 4724
Iscritto il: 25 set 2013, 16:29
Località: Universo - Via Lattea - Sistema Solare - Terzo pianeta...

Prossimo

Torna a Elettronica generale

Chi c’è in linea

Visitano il forum: Nessuno e 139 ospiti