Cos'è ElectroYou | Login Iscriviti

ElectroYou - la comunità dei professionisti del mondo elettrico

Misura temperatura remota con PT1000 e MCP3008

Elettronica lineare e digitale: didattica ed applicazioni

Moderatori: Foto Utentecarloc, Foto Utenteg.schgor, Foto UtenteBrunoValente, Foto UtenteIsidoroKZ

0
voti

[11] Re: Misura temperatura remota con PT1000 e MCP3008

Messaggioda Foto Utentespivo » 8 feb 2016, 14:59

Scusate se sono lento a rispondere ma tra famiglia e lavoro è un periodo che sono un po' occupato.
Averi ancora qualche domanda sull'impianto che mia ha allegato Foto UtenteCandy,
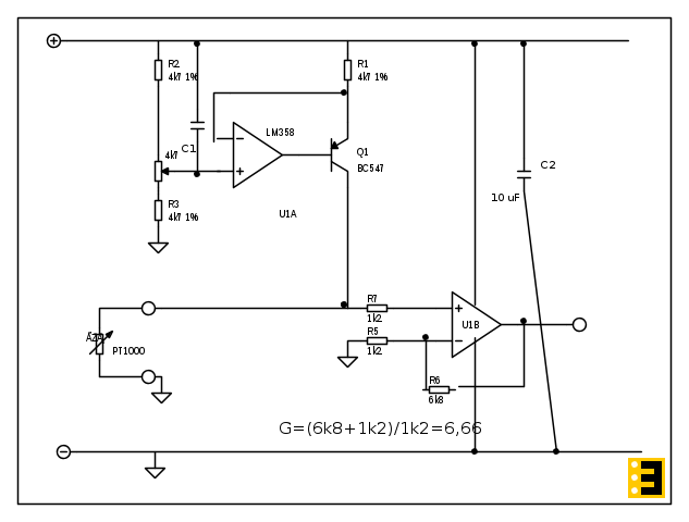
che valore ha il condensatore collegato a U1A, di preciso a che serve il reostato collegato al condensatore di U1A, e l'alimentazione di questo circuito è sempre a 5Vcc?

Candy ha scritto:E comunque è veramente semplice. C'è proprio niente da lavorarci sopra.

Ci devo lavorare sopra per capire come funziona, non ho mai usato un amplificatore, domani vado a comprarli poi vi farò sapere.
Grazie ancora ciao Ivo
Avatar utente
Foto Utentespivo
375 1 12
Frequentatore
Frequentatore
 
Messaggi: 197
Iscritto il: 19 dic 2012, 21:29

0
voti

[12] Re: Misura temperatura remota con PT1000 e MCP3008

Messaggioda Foto UtenteCandy » 8 feb 2016, 15:20

Si, l'alimentazione del tutto è a 5 V, la stessa del circuito digitale di campionatura.
Per il condensatore puoi mettere un 100nF in poliestere o ceramico.
Le resistenze meglio se tutte allo 1%.
Avatar utente
Foto UtenteCandy
32,5k 7 10 13
CRU - Account cancellato su Richiesta utente
 
Messaggi: 10123
Iscritto il: 14 giu 2010, 22:54

0
voti

[13] Re: Misura temperatura remota con PT1000 e MCP3008

Messaggioda Foto Utentespivo » 8 feb 2016, 15:34

Grazie mille continuo come mi hai detto, ciao Ivo
Avatar utente
Foto Utentespivo
375 1 12
Frequentatore
Frequentatore
 
Messaggi: 197
Iscritto il: 19 dic 2012, 21:29

1
voti

[14] Re: Misura temperatura remota con PT1000 e MCP3008

Messaggioda Foto UtenteMarcoD » 8 feb 2016, 16:33

Suggerisco di spostare il condensatore C1 fra il +5V e l'ingresso + dell'operazionale.
Mi pare che in questo modo un breve disturbo della tensione di alimentazione non varia la tensione ai capi di R1 4k7 e non influisce come disturbo sulla corrente nel collettore.
Potrei aver sbagliato nel mio ragionamento, attendo pareri pro/contro.
Metterei anche il condensatore C2 10 uF di filtro sull'alimentazione,( per quel che costa... :-) )

Il potenziometro da 4k7 regola l'offset.
Quale è il guadagno di trasduzione del circuito espresso in V/R (volt per ohm variazione di PT1000) e V/K° (volt per variazione di grado centigrado) ?? Qualche tesista è in grado di calcolarlo ?
O_/


Avatar utente
Foto UtenteMarcoD
12,2k 5 9 13
Master EY
Master EY
 
Messaggi: 6696
Iscritto il: 9 lug 2015, 16:58
Località: Torino

0
voti

[15] Re: Misura temperatura remota con PT1000 e MCP3008

Messaggioda Foto Utenteclaudiocedrone » 8 feb 2016, 16:39

MarcoD ha scritto: ... V/K° (volt per variazione di grado centigrado) ??...

:?: ...
"Non farei mai parte di un club che accettasse la mia iscrizione" (G. Marx)
Avatar utente
Foto Utenteclaudiocedrone
21,3k 4 7 9
Master EY
Master EY
 
Messaggi: 15302
Iscritto il: 18 gen 2012, 13:36

0
voti

[16] Re: Misura temperatura remota con PT1000 e MCP3008

Messaggioda Foto UtenteMarcoD » 8 feb 2016, 16:47

.. V/K° (volt per variazione di grado centigrado) ..chiarisco: intendevo variazione di tensione in volt dell'uscita per variazione di temperatura in gradi centigradi... ma, ripensandoci... è sbagliato:
il potenziometro oltre che influire sull'offset influisce anche un poco sul guadagno.
Avatar utente
Foto UtenteMarcoD
12,2k 5 9 13
Master EY
Master EY
 
Messaggi: 6696
Iscritto il: 9 lug 2015, 16:58
Località: Torino

0
voti

[17] Re: Miusra temperatura remota con PT1000 e MCP3008

Messaggioda Foto UtenteIsidoroKZ » 8 feb 2016, 16:48

Candy ha scritto:Uscita lineare proporzionale alla temperatura, tra circa 3 V e 4.5 V


Il 358 non ce la fa ad arrivare a tensioni cosi` alte in uscita con alimentazione a 5V, bisogna usare un rail to rail, poi metterei anche un filtro per togliere un po' di disturbi: 25m di cavo twistato comunque un po' di rumore lo raccatta comunque!

Una domanda a Foto Utentespivo: vuoi misurare la temperatura in caldaia a partire da -20°C? Mi pare bassa :-), per quella esterna ci puo` stare, ma misurare una temperatura esterna e` un discreto casino, l'influenza di suolo, edifici... e` abbastanza importante.
Per usare proficuamente un simulatore, bisogna sapere molta più elettronica di lui
Plug it in - it works better!
Il 555 sta all'elettronica come Arduino all'informatica! (entrambi loro malgrado)
Se volete risposte rispondete a tutte le mie domande
Avatar utente
Foto UtenteIsidoroKZ
121,2k 1 3 8
G.Master EY
G.Master EY
 
Messaggi: 21059
Iscritto il: 17 ott 2009, 0:00

0
voti

[18] Re: Misura temperatura remota con PT1000 e MCP3008

Messaggioda Foto Utenteclaudiocedrone » 8 feb 2016, 17:02

:-) Ma Foto UtenteMarcoD, K è Kelvin non Celsius ! E a proposito di condensatori, un dischetto da 100 nF "appiccicato" ai piedini di alimentazione dell'opamp non vogliamo dire di mettercelo ? L'OP non ha mai usato opamp... ;-) O_/
P.s. Giuste considerazioni di IsidoroKZ, sia per il fatto che uno LM358 non può fornire 4,5 V se alimentato a 5 V, sia per il limite inferiore del range di temperatura desiderato... a pressione atmosferica l'acqua a 0 *C (circa) congela e la temperatura del ghiaccio resta "inchiodata" a quel valore... quale è la pressione nella caldaia ?
"Non farei mai parte di un club che accettasse la mia iscrizione" (G. Marx)
Avatar utente
Foto Utenteclaudiocedrone
21,3k 4 7 9
Master EY
Master EY
 
Messaggi: 15302
Iscritto il: 18 gen 2012, 13:36

0
voti

[19] Re: Misura temperatura remota con PT1000 e MCP3008

Messaggioda Foto UtenteMarcoD » 8 feb 2016, 17:11

Ma K è Kelvin non Celsius
Non ho capito l'osservazione, ho scritto qualcosa di errato? Come variazione di temperatura i K° coincidono con i C°. O_/
Avatar utente
Foto UtenteMarcoD
12,2k 5 9 13
Master EY
Master EY
 
Messaggi: 6696
Iscritto il: 9 lug 2015, 16:58
Località: Torino

0
voti

[20] Re: Misura temperatura remota con PT1000 e MCP3008

Messaggioda Foto Utenteboiler » 8 feb 2016, 17:27

Aggiungo la mia...
Capisco che è un forum di elettronica e si vuol far da sè. Se è per scopo didattico posso capirlo e sostengo appieno l'iniziativa, altrimenti direi di non complicarsi la vita e di usare qualcosa di sicuro.

Per esempio un ADAM-4015.
Non costa poco, ma puoi attaccarci 6 sensori ed ha un uscita RS-485 alla quale il rumore su 25 m non fa una pippa. Inoltre l'interfacciamento ad un computer è facilissimo.
C'è anche la versione Ethernet che ha un altro nome...

Se vuoi far da te, eviterei assolutamente di portarsi a spasso il segnale, anche se condizionato. Io prenderei un microcontroller facile da programmare (guarda qui: http://www.electroyou.it/boiler/wiki/cy ... ti-arduino costa pochissimo, è facilissimo da programmare ed ha diversa paccottiglia analogica on-board, quindi sostituisce tranquillamente l'ADC).

L'uscita seriale la converti in RS-485 (basta un driver che costa 50 cent) e hai così la tua trasmissione ultra-sicura verso il PC.
Se serve aiuto per definire un sistema di comunicazione sul PsoC, posso aiutarti.

Saluti Boiler
Avatar utente
Foto Utenteboiler
26,4k 5 9 13
G.Master EY
G.Master EY
 
Messaggi: 5612
Iscritto il: 9 nov 2011, 12:27

PrecedenteProssimo

Torna a Elettronica generale

Chi c’è in linea

Visitano il forum: Nessuno e 78 ospiti