Cos'è ElectroYou | Login Iscriviti

ElectroYou - la comunità dei professionisti del mondo elettrico

Misura temperatura remota con PT1000 e MCP3008

Elettronica lineare e digitale: didattica ed applicazioni

Moderatori: Foto Utentecarloc, Foto Utenteg.schgor, Foto UtenteBrunoValente, Foto UtenteIsidoroKZ

0
voti

[21] Re: Miusra temperatura remota con PT1000 e MCP3008

Messaggioda Foto Utentespivo » 8 feb 2016, 19:56

IsidoroKZ ha scritto:
Candy ha scritto:Uscita lineare proporzionale alla temperatura, tra circa 3 V e 4.5 V


Il 358 non ce la fa ad arrivare a tensioni cosi` alte in uscita con alimentazione a 5 V, bisogna usare un rail to rail, poi metterei anche un filtro per togliere un po' di disturbi: 25m di cavo twistato comunque un po' di rumore lo raccatta comunque!

Una domanda a Foto Utentespivo: vuoi misurare la temperatura in caldaia a partire da -20°C? Mi pare bassa :-), per quella esterna ci puo` stare, ma misurare una temperatura esterna e` un discreto casino, l'influenza di suolo, edifici... e` abbastanza importante.


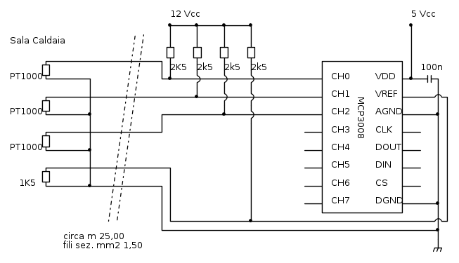
Nel primo post non lo ho specificato, ma se possibile volevo mettere una pt1000 all'esterno, vicino al sensore temperatura esterna della caldaia (che ho scoperto essere anche lui pt1000), cosi conoscendo le curve della caldaia posso sapere la temperatura teorica delle mandate.
Cosa intendi per rail to rail?
Grazie per l'interessamento Ciao Ivo
Avatar utente
Foto Utentespivo
375 1 12
Frequentatore
Frequentatore
 
Messaggi: 197
Iscritto il: 19 dic 2012, 21:29

2
voti

[22] Re: Miusra temperatura remota con PT1000 e MCP3008

Messaggioda Foto UtenteCandy » 8 feb 2016, 19:59

IsidoroKZ ha scritto:Il 358 non ce la fa ad arrivare a tensioni cosi` alte in uscita con alimentazione a 5 V, bisogna usare un rail to rail, poi metterei anche un filtro per togliere un po' di disturbi: 25m di cavo twistato comunque un po' di rumore lo raccatta comunque!


Ho fatto tutto a memoria ed ho cappellato sul serio! Si mangia mediamente 2 V sto pezzo di sabbia cotta.

BASTA. Non progetto più niente di elettronico per nessuno.
Avatar utente
Foto UtenteCandy
32,5k 7 10 13
CRU - Account cancellato su Richiesta utente
 
Messaggi: 10123
Iscritto il: 14 giu 2010, 22:54

0
voti

[23] Re: Miusra temperatura remota con PT1000 e MCP3008

Messaggioda Foto Utentespivo » 8 feb 2016, 22:46

IsidoroKZ ha scritto:Il 358 non ce la fa ad arrivare a tensioni cosi` alte in uscita con alimentazione a 5 V, bisogna usare un rail to rail, poi metterei anche un filtro per togliere un po' di disturbi: 25m di cavo twistato comunque un po' di rumore lo raccatta comunque!


per me non sarebbe un problema alimentare le pt1000 con un alimentatore diverso da quello 5Vcc che uso per MCP3008, ho solo qualche dubbio su cosa come V ref.

Sull'onda di un altro alimentatore oh pensato questo:


Dal datasheet non ho ben capito a che tensione (analogica) posso arrivare con il mcp3008, ma in teoria nel mio esempio come Vref dovrei avere 4.5V.
Sui CHi
a 0°C dovrei avere 3.42V (circa 778 lettura decimale del mcp3008)
a 100°C dovrei avere 4.28V (circa 973 lettuura decimale del mcp3008)
in teoria una risoluzione di 0.51°C.

Mi resta sempre il dubbio su che intensità di corrente possono sopportare le pt1000
Ciao Ivo
Avatar utente
Foto Utentespivo
375 1 12
Frequentatore
Frequentatore
 
Messaggi: 197
Iscritto il: 19 dic 2012, 21:29

0
voti

[24] Re: Miusra temperatura remota con PT1000 e MCP3008

Messaggioda Foto Utentespivo » 8 feb 2016, 22:53

Candy ha scritto:
IsidoroKZ ha scritto:Il 358 non ce la fa ad arrivare a tensioni cosi` alte in uscita con alimentazione a 5 V, bisogna usare un rail to rail, poi metterei anche un filtro per togliere un po' di disturbi: 25m di cavo twistato comunque un po' di rumore lo raccatta comunque!


Ho fatto tutto a memoria ed ho cappellato sul serio! Si mangia mediamente 2 V sto pezzo di sabbia cotta.

BASTA. Non progetto più niente di elettronico per nessuno.

Non è un esame grazie mille dei consigli :ok: :ok: .....se ne hai ancora sono qui
Avatar utente
Foto Utentespivo
375 1 12
Frequentatore
Frequentatore
 
Messaggi: 197
Iscritto il: 19 dic 2012, 21:29

0
voti

[25] Re: Misura temperatura remota con PT1000 e MCP3008

Messaggioda Foto UtenteCandy » 8 feb 2016, 23:31

Mah, per ora direi che invece Foto UtenteIsidoroKZ magari sa a memoria di un operazionale duale rail to rail in contenitore 8 pin, così si riprende la cosa, perché:
1. Come minimo ti serve un generatore di corrente costante per misurare una tensione proporzionale alla temperatura;
2. Potrai amplificare la banda di 140 K che desideravi almeno su 8 bit, ma anche più.

Diversamente col solo partitore resistivo perdi solo tempo, dovresti usare un DAC a 16 bit e linearizzare poi la curva via software.
Avatar utente
Foto UtenteCandy
32,5k 7 10 13
CRU - Account cancellato su Richiesta utente
 
Messaggi: 10123
Iscritto il: 14 giu 2010, 22:54

2
voti

[26] Re: Misura temperatura remota con PT1000 e MCP3008

Messaggioda Foto Utenteboiler » 9 feb 2016, 0:30

Candy ha scritto:1. Come minimo ti serve un generatore di corrente costante per misurare una tensione proporzionale alla temperatura;


Se si fa una misura raziometrica (che è sempre una buona idea) non serve.

Riguardo alla massima corrente attraverso la Pt1000: piú corrente usi, piú si scalda la Pt1000. Meno corrente usi, meno S/N hai. Si misura senza problemi con 250 uA, se si cura un po' il circuito.

Ad ogni modo, invece di complicarsi la vita, ci sono soluzioni integrate che costano meno dell'ADC microchip proposto e fanno un ottimo lavoro:
http://www.ti.com/product/lmp90078

Boiler
Avatar utente
Foto Utenteboiler
26,4k 5 9 13
G.Master EY
G.Master EY
 
Messaggi: 5612
Iscritto il: 9 nov 2011, 12:27

3
voti

[27] Re: Misura temperatura remota con PT1000 e MCP3008

Messaggioda Foto Utenteboiler » 9 feb 2016, 1:37

Ah, e se ti basta una misura ogni 10 secondi e la misura dura, per esempio, 100 ms, ti basta accendere l'alimentazione della sorgente di corrente per quel periodo di tempo. Il duty cycle è in questo modo all'1% e anche il riscaldamento della sonda corrisponde solo all'1% della potenza dissipata con l'alimentazione accesa.

Boiler
Avatar utente
Foto Utenteboiler
26,4k 5 9 13
G.Master EY
G.Master EY
 
Messaggi: 5612
Iscritto il: 9 nov 2011, 12:27

1
voti

[28] Re: Misura temperatura remota con PT1000 e MCP3008

Messaggioda Foto Utenteclaudiocedrone » 9 feb 2016, 1:54

spivo ha scritto: ...Cosa intendi per rail to rail?...

:-) Che riesce a fornire in uscita un valore di tensione pari a quello di alimentazione (rail="ramo di alimentazione"); dipendentemente dal tipo di circuitazione interna, ci sono amplificatori operazionali integrati che possono farlo; il doppio opamp (operational amplifier) LM358 proposto da Mauro non rientra in tale tipologia e al massimo riesce ad arrivare a un paio di volt al di sotto della tensione di alimentazione; per essere sicuri di potergli tirare fuori 4,5 V occorrerebbe alimentarlo ad almeno 6,5 V (circa). O_/
"Non farei mai parte di un club che accettasse la mia iscrizione" (G. Marx)
Avatar utente
Foto Utenteclaudiocedrone
21,3k 4 7 9
Master EY
Master EY
 
Messaggi: 15302
Iscritto il: 18 gen 2012, 13:36

0
voti

[29] Re: Misura temperatura remota con PT1000 e MCP3008

Messaggioda Foto Utenteclaudiocedrone » 9 feb 2016, 2:35

MarcoD ha scritto: ...Come variazione di temperatura i K° coincidono con i C°...

:-) Certo; condividendo la stessa "scalatura", in valore assoluto la variazione espressa in gradi Kelvin o Celsius coincide; però a mio modo di vedere, per come avevi scritto non c'era omogeneità nelle unità di misura e ciò, personalmente, non lo trovo molto corretto... poi, per carità, so benissimo di essere un gran... ... daltronde guardacaso "C C" sono le mie iniziali ;-) :mrgreen: O_/
"Non farei mai parte di un club che accettasse la mia iscrizione" (G. Marx)
Avatar utente
Foto Utenteclaudiocedrone
21,3k 4 7 9
Master EY
Master EY
 
Messaggi: 15302
Iscritto il: 18 gen 2012, 13:36

0
voti

[30] Re: Misura temperatura remota con PT1000 e MCP3008

Messaggioda Foto Utentespivo » 9 feb 2016, 13:00

boiler ha scritto:Ah, e se ti basta una misura ogni 10 secondi e la misura dura, per esempio, 100 ms, ti basta accendere l'alimentazione della sorgente di corrente per quel periodo di tempo. Il duty cycle è in questo modo all'1% e anche il riscaldamento della sonda corrisponde solo all'1% della potenza dissipata con l'alimentazione accesa.
Boiler

Mi piace come soluzione, potre mettere un transistor pnp sul CS del mcp3008 così da controllare la corrente 12v che alimenta le pt1000. In casa dovrei avere dei bc327, questa sera spero di avere del tempo per provare.
Grazie Ciao Ivo
Avatar utente
Foto Utentespivo
375 1 12
Frequentatore
Frequentatore
 
Messaggi: 197
Iscritto il: 19 dic 2012, 21:29

PrecedenteProssimo

Torna a Elettronica generale

Chi c’è in linea

Visitano il forum: Nessuno e 93 ospiti