Seguendo i suoi articoli dovresti riuscire benissimo nel tuo intento; questo è il link all'inizio del corso microcap: http://www.electroyou.it/vis_resource.p ... Corso&id=9
Circuito da dimensionare, e perché no anche simulare
Moderatori:
carloc,
g.schgor,
BrunoValente,
IsidoroKZ
43 messaggi
• Pagina 3 di 5 • 1, 2, 3, 4, 5
1
voti
Se hai difficoltà con LTSpice, ti consiglierei di provare ad usare microcap, per il quale potrai trovare, qui nel forum, le ottime guide di
g.schgor: http://www.electroyou.it/g.schgor/blog
Seguendo i suoi articoli dovresti riuscire benissimo nel tuo intento; questo è il link all'inizio del corso microcap: http://www.electroyou.it/vis_resource.p ... Corso&id=9
Seguendo i suoi articoli dovresti riuscire benissimo nel tuo intento; questo è il link all'inizio del corso microcap: http://www.electroyou.it/vis_resource.p ... Corso&id=9
Alberto
La vita è come una bicicletta, devi sempre pedalare per rimanere in equilibrio
Annuncio sempre valido: http://www.electroyou.it/forum/viewtopic.php?f=10&t=62668
La vita è come una bicicletta, devi sempre pedalare per rimanere in equilibrio
Annuncio sempre valido: http://www.electroyou.it/forum/viewtopic.php?f=10&t=62668
-

AlbertoBianchi
2.009 3 5 - Master

- Messaggi: 836
- Iscritto il: 4 dic 2014, 18:30
- Località: Lastra a Signa (FI)
0
voti
Prima di usare un simulatore sarebbe opportuno sapere bene il funzionamento di che cosa si sta simulando.
Per usare proficuamente un simulatore, bisogna sapere molta più elettronica di lui
Plug it in - it works better!
Il 555 sta all'elettronica come Arduino all'informatica! (entrambi loro malgrado)
Se volete risposte rispondete a tutte le mie domande
Plug it in - it works better!
Il 555 sta all'elettronica come Arduino all'informatica! (entrambi loro malgrado)
Se volete risposte rispondete a tutte le mie domande
0
voti
Grazie mille
AlbertoBianchi!
Ti do pienamente ragione
IsidoroKZ, infatti al momento sto studiando un po' di circuiti simili per poter approfondire prima il funzionamento..
Ti do pienamente ragione
"La teoria attrae la pratica come il magnete attrae il ferro" C. Gauss
Seguitemi anche su youtube, un saluto da AT
https://www.youtube.com/c/atlaboratory
Seguitemi anche su youtube, un saluto da AT
https://www.youtube.com/c/atlaboratory
0
voti
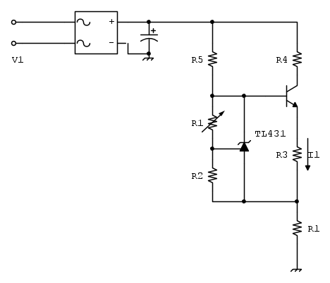
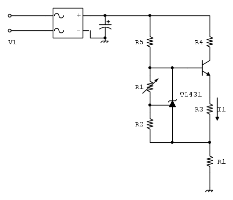
Ho ripensato e ridisegnato il circuito in maniera che sia leggermente più semplice.
Così dovrebbe poter funzionare.
In linea di massima R4 potrebbe non servire, anzi potrebbe essere inutile, l'ho posizionata nell'ipotesi in cui non si riesca ad alimentare il circuito del TL.
Così dovrebbe poter funzionare.
In linea di massima R4 potrebbe non servire, anzi potrebbe essere inutile, l'ho posizionata nell'ipotesi in cui non si riesca ad alimentare il circuito del TL.
"La teoria attrae la pratica come il magnete attrae il ferro" C. Gauss
Seguitemi anche su youtube, un saluto da AT
https://www.youtube.com/c/atlaboratory
Seguitemi anche su youtube, un saluto da AT
https://www.youtube.com/c/atlaboratory
0
voti

"Non farei mai parte di un club che accettasse la mia iscrizione" (G. Marx)
-

claudiocedrone
21,3k 4 7 9 - Master EY

- Messaggi: 15303
- Iscritto il: 18 gen 2012, 13:36
0
voti
@
claudiocedrone
E perché mai ??? se si tratta si un'apparecchiatura progettata e costruita conformemente alla norma EN 60950 (qui da noi) si può stare tranquilli.
Chiaramente quello proposto è uno schema di principio e mancano gli elementi di protezione, in primis un fusibile.
aggiunta:
La norma prevede tantissime cosa, ma in particolare che in caso di guasto (ad un qualsiasi componente) l'utilizzatore non venga mai esposto a potenziali pericolosi. Non sappiamo quale potrebbe essre l'utilizzo finale di quasto circuito, ma ipotizzando per esempio, che serva ad accendere una stringa di led, non ci vedrei controindicazioni; ovviamente se il tutto fosse racchiuso in un involucro protettivo a prova di contatti accidentali.
E perché mai ??? se si tratta si un'apparecchiatura progettata e costruita conformemente alla norma EN 60950 (qui da noi) si può stare tranquilli.
Chiaramente quello proposto è uno schema di principio e mancano gli elementi di protezione, in primis un fusibile.
aggiunta:
La norma prevede tantissime cosa, ma in particolare che in caso di guasto (ad un qualsiasi componente) l'utilizzatore non venga mai esposto a potenziali pericolosi. Non sappiamo quale potrebbe essre l'utilizzo finale di quasto circuito, ma ipotizzando per esempio, che serva ad accendere una stringa di led, non ci vedrei controindicazioni; ovviamente se il tutto fosse racchiuso in un involucro protettivo a prova di contatti accidentali.
Alberto
La vita è come una bicicletta, devi sempre pedalare per rimanere in equilibrio
Annuncio sempre valido: http://www.electroyou.it/forum/viewtopic.php?f=10&t=62668
La vita è come una bicicletta, devi sempre pedalare per rimanere in equilibrio
Annuncio sempre valido: http://www.electroyou.it/forum/viewtopic.php?f=10&t=62668
-

AlbertoBianchi
2.009 3 5 - Master

- Messaggi: 836
- Iscritto il: 4 dic 2014, 18:30
- Località: Lastra a Signa (FI)
0
voti
claudiocedrone ha scritto: direttamente da rete senza interporre un trasformatore di isolamento![]()
Sisi, per il collaudo e le verifiche uso sempre un trafo di isolamento e un bel variac, a scanso di equivoci e di possibili contatti accidentali.
Inoltre verrà installato in una scatola metallica chiusa e collegata a terra, il circuito per altro deve proprio pilotare una lunga fila di LED.
"La teoria attrae la pratica come il magnete attrae il ferro" C. Gauss
Seguitemi anche su youtube, un saluto da AT
https://www.youtube.com/c/atlaboratory
Seguitemi anche su youtube, un saluto da AT
https://www.youtube.com/c/atlaboratory
0
voti
Lo sai vero... che esistono regolatori switching da rete, sicuramente più efficienti?
per esempio: http://www.diodes.com/_files/datasheets/AL9901.pdf
Alberto
La vita è come una bicicletta, devi sempre pedalare per rimanere in equilibrio
Annuncio sempre valido: http://www.electroyou.it/forum/viewtopic.php?f=10&t=62668
La vita è come una bicicletta, devi sempre pedalare per rimanere in equilibrio
Annuncio sempre valido: http://www.electroyou.it/forum/viewtopic.php?f=10&t=62668
-

AlbertoBianchi
2.009 3 5 - Master

- Messaggi: 836
- Iscritto il: 4 dic 2014, 18:30
- Località: Lastra a Signa (FI)
0
voti
Se pure la soluzione switching normalmente è quella che preferisco sempre anche io data l'elevata efficienza, per una volta ho lasciato stare!
"La teoria attrae la pratica come il magnete attrae il ferro" C. Gauss
Seguitemi anche su youtube, un saluto da AT
https://www.youtube.com/c/atlaboratory
Seguitemi anche su youtube, un saluto da AT
https://www.youtube.com/c/atlaboratory
43 messaggi
• Pagina 3 di 5 • 1, 2, 3, 4, 5
Chi c’è in linea
Visitano il forum: Nessuno e 66 ospiti

Elettrotecnica e non solo (admin)
Un gatto tra gli elettroni (IsidoroKZ)
Esperienza e simulazioni (g.schgor)
Moleskine di un idraulico (RenzoDF)
Il Blog di ElectroYou (webmaster)
Idee microcontrollate (TardoFreak)
PICcoli grandi PICMicro (Paolino)
Il blog elettrico di carloc (carloc)
DirtEYblooog (dirtydeeds)
Di tutto... un po' (jordan20)
AK47 (lillo)
Esperienze elettroniche (marco438)
Telecomunicazioni musicali (clavicordo)
Automazione ed Elettronica (gustavo)
Direttive per la sicurezza (ErnestoCappelletti)
EYnfo dall'Alaska (mir)
Apriamo il quadro! (attilio)
H7-25 (asdf)
Passione Elettrica (massimob)
Elettroni a spasso (guidob)
Bloguerra (guerra)




