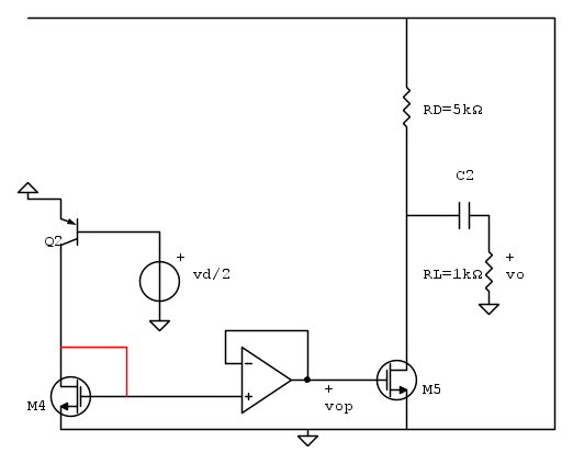
slashino ha scritto:Se posso permettermi di darti un consiglio, il tuo problema è che ti concentri troppo sul circuito elettrotecnico derivante dal modello a piccolo segnali senza capire per bene cosa sta succedendo in tutto il circuito.Q1 e Q2 formano una coppia differenziale polarizzata con un generatore di corrente ideale (visto che stiamo trascurando le

). Immagino che tu già sappia come essa funziona, quale sia il guadagno differenziale etc etc.
In poche parole il guadagno della prima parte del circuito a centro banda dovrebbe essere praticamente noto.
Certo che puoi darmi un consiglio, sono qui per questo

comunque hai ragione, il procedimento che ci fa utilizzare il prof è mirato unicamente alla risoluzione dell'esercizio ma perde di vista quello che accade realmente nel circuito..vuol dire che a partire dai prossimi esercizi presterò più attenzione all'analisi teorica del circuito in modo da farmi un idea generale di quello che accade e poi in seguito andare giù di calcoli.
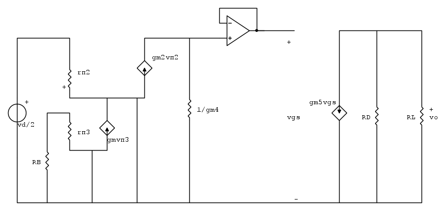
slashino ha scritto:Tu hai studiato cosa accade ad un semicircuito, cioè un solo ramo della coppia differenziale. Nel caso di coppia bilanciata questo è fattibile, ma devi ricordarti di mettere a massa (sul segnale differenziale) gli emettitori del BJT.
Ecco questo me l'ero perso tra gli appunti, adesso sono andato a ricontrollare ed è stato proprio questo che mi ha fatto perdere la concezione del circuito. Ti ringrazio tantissimo per l'aiuto che mi stai dando
slashino ha scritto:Quello che tu hai fatto vale per il segnale di modo comune, cioè dividere la coppia e poi lasciare aperto. Infatti, giustamente, trovi che il segnale di modo comune non viene amplificato per niente.
Perfetto ci sono

il prof richiede solo il guadagno di tensione differenziale (preso dall'uscita bilanciata) e non quello di modo comune però allenarsi un po' non fa male (anche se l'ho fatto per errore

).
slashino ha scritto:Edit: mi sto riferendo a quello che hai scritto nel post [12], non [6], perché lì hai messo un corto, che è doppiamente sbagliato.
Sisi anche qui hai ragione

infatti nel post [12] poi mi sono reso conto che avevo scritto una castroneria..
slashino ha scritto:Ps: intendevo dire che mancava la connessione a diodo nello schema "generale" che hai postato, cioè il primo, quello disegnato con i componenti effettivi e non i modelli equivalenti.

Ah ecco, per la fretta ho dimenticato di disegnare la connessione a diodo, purtroppo però non posso più modificare quel post.
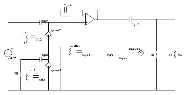
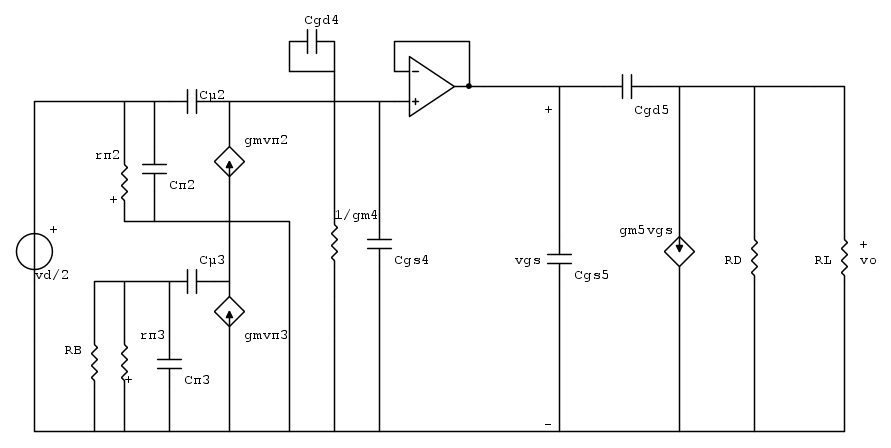
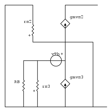
Tornando all'esercizio, dato che devo porre gli emettitori della coppia differenziale a massa, avrei un circuito del genere giusto?
Nuovamente abbiamo resistenze e generatori che si spengono ma stavolta

ed hai ragione tu dicendo che sul MOS 4 scorre il segnale di corrente

.
Forse però cambierà l'analisi per determinare il taglio di frequenza..mmm adesso inizio a ricontrollarlo e posto il seguito.