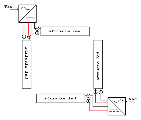
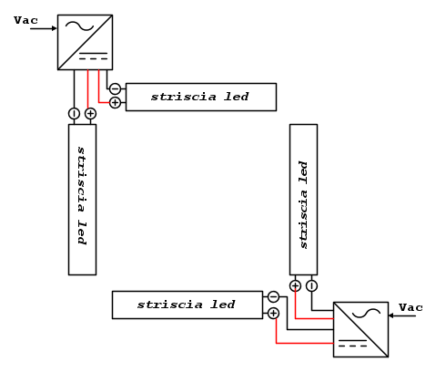
NB. non si può alimentare una striscia led da entrambi i lati se c'è continuità elettrica.
Assorbimento striscia LED che non mi torna
Moderatore:
IsidoroKZ
25 messaggi
• Pagina 2 di 3 • 1, 2, 3
0
voti
mir ha scritto:forse intendevi dire con due alimentatori ...
NB. non si può alimentare una striscia led da entrambi i lati se c'è continuità elettrica.
Grazie.
Si lo schema che hai postato te è la mia idea di base , poi volendo strafare e avendo in caso 4 alimentatori avevo pensato di alimentarli da ambedue i lati ma a quanto ho capito non è fattibile , almeno come ho postato io.
Il mio problema è che ho difficoltà a passare tutti quei metri di filo per alimentarli alle estremità.
.
0
voti
Se vuoi puoi provare ad alimentare una striscia con un unico alimentatore, e portare però i cavi dell'alimentazione ad entrambi i lati della striscia. Forse riesci a guadagnare qualcosina.
"La teoria attrae la pratica come il magnete attrae il ferro" C. Gauss
Seguitemi anche su youtube, un saluto da AT
https://www.youtube.com/c/atlaboratory
Seguitemi anche su youtube, un saluto da AT
https://www.youtube.com/c/atlaboratory
0
voti
ma... scusate a parte l'efficienza leggermente migliore (ammesso che quella pagina wiki sia affidabile) cosa vorrebbe dire secondo voi "heat sink integrato"?
Sono montati su strip giusto? L'unica dissipazione la fa la strip stessa, e anche gli altri (5630, 5730) mandano il calore alla strip...
Il punto però non era l'efficienza né la dissipazione ma le correnti assorbite, e i 2835 sono dati a 0,2W cioè circa 60mA teorici, normale che su strip gliene facciano tirare circa 1/2-1/3
E infatti.... poiché la Vf sarà come al solito intorno ai 3-3,2V -> (12-3,2*3)/100=24 mA circa...
Sono montati su strip giusto? L'unica dissipazione la fa la strip stessa, e anche gli altri (5630, 5730) mandano il calore alla strip...
Il punto però non era l'efficienza né la dissipazione ma le correnti assorbite, e i 2835 sono dati a 0,2W cioè circa 60mA teorici, normale che su strip gliene facciano tirare circa 1/2-1/3
E infatti.... poiché la Vf sarà come al solito intorno ai 3-3,2V -> (12-3,2*3)/100=24 mA circa...
1
voti
riguardo l'alimentazione ripeto quanto già detto...
Se l'alimentatore è "sufficiente", ci sono vari modi per collegarlo alle strisce.
Il più semplice ma anche peggiore è a una estremità; a causa della caduta di tensione sulle piste si avrà una luminosità non proprio uniforme:
Un po' meglio alimentare ogni settore al centro:
meglio ancora alimentarlo da 3 punti; utile solo con settori lunghi, e comunque si dovrebbero usare fili esterni di sezione adeguata
Ovviamente "molto" e "poco" decrescente è una indicazione relativa, a meno di settori lunghi diversi metri la differenza di luminosità è difficilmente percepibile
Se l'alimentatore è "sufficiente", ci sono vari modi per collegarlo alle strisce.
Il più semplice ma anche peggiore è a una estremità; a causa della caduta di tensione sulle piste si avrà una luminosità non proprio uniforme:
Un po' meglio alimentare ogni settore al centro:
meglio ancora alimentarlo da 3 punti; utile solo con settori lunghi, e comunque si dovrebbero usare fili esterni di sezione adeguata
Ovviamente "molto" e "poco" decrescente è una indicazione relativa, a meno di settori lunghi diversi metri la differenza di luminosità è difficilmente percepibile
0
voti
Scusatemi ma sono evidentemente di coccio. Cosa vuol dire "non si può alimentare una striscia led da entrambi i lati se c'è continuità elettrica."?
Posso alimentarle agli estremi solo dallo stesso alimentatore?
Posso alimentarle agli estremi solo dallo stesso alimentatore?
0
voti
esatto.... perché sarebbe come mettere in parallelo due generatori di tensione per giunta switching...
E comunque non avrebbe nessuna utilità. O compri un driver sufficiente per tutti i LED che vuoi accendere... o più driver meno potenti, da distribuire per evitare cadute di tensione, ma a quel punto tagli le strisce in modo che ogni driver alimenti una parte dei LED...
E comunque non avrebbe nessuna utilità. O compri un driver sufficiente per tutti i LED che vuoi accendere... o più driver meno potenti, da distribuire per evitare cadute di tensione, ma a quel punto tagli le strisce in modo che ogni driver alimenti una parte dei LED...
0
voti
Se, come hai detto, ci sono 120 LED per metro ed ogni unità ha 3 LED + resistore, o i segmenti minimi sono lunghi 2,5 cm oppure ogni segmento è di 5 cm e comprende 6 LED e due resistori.
Inoltre, se i LED sono 120 al metro, le mie congetture precedenti sulle correnti in gioco (messaggio [7]) sono sbagliate e da rivedere.
Ma non hai un link dove si leggano le caratteristiche di quelle strip?
-

FedericoSibona
5.022 3 5 8 - Master

- Messaggi: 3951
- Iscritto il: 19 mar 2013, 11:43
0
voti
claustro ha scritto: Cosa vuol dire "non si può alimentare una striscia led da entrambi i lati se c'è continuità elettrica."?
Ti ha già risposto
Non ha senso in questo caso, è come mettere in parallelo due alimentatori con possibili rischi per gli stessi.
0
voti
ok grazie a tutti sono arrivato quasi al termine .
Mi manca da decidere il dimensionamento dei cavi .
Potrei usare un cavo da 0,5mm2 ? ho fatto i calcoli mettendo
tensione 12v potenza 45W ( in eccesso rispetto al misurato si 12 x 2,5 ) lunghezza del cavo dal trasformatore alla striscia 2 metro ( raddoppiato rispetto al valore reale) e mi viene fuori:
cavo 0.5 caduta tensione 0.5v (4,45%)
cavo 0,75 caduta tensione 0.36v (2,97%)
Mi interessa il cavo piu' piccolo possibile perché ho poco spazio.
Per chi mi chiedeva i dati dei led , sono cinesi e il tipo ch emi ha vednuto mi ha risposto che secondo lui devono assorbire 0,1w chip quindi 12/14 W metro. In realtà io ho misurato 6w metro (2,5A /5 metri)
Grazie
Andrea
Mi manca da decidere il dimensionamento dei cavi .
Potrei usare un cavo da 0,5mm2 ? ho fatto i calcoli mettendo
tensione 12v potenza 45W ( in eccesso rispetto al misurato si 12 x 2,5 ) lunghezza del cavo dal trasformatore alla striscia 2 metro ( raddoppiato rispetto al valore reale) e mi viene fuori:
cavo 0.5 caduta tensione 0.5v (4,45%)
cavo 0,75 caduta tensione 0.36v (2,97%)
Mi interessa il cavo piu' piccolo possibile perché ho poco spazio.
Per chi mi chiedeva i dati dei led , sono cinesi e il tipo ch emi ha vednuto mi ha risposto che secondo lui devono assorbire 0,1w chip quindi 12/14 W metro. In realtà io ho misurato 6w metro (2,5A /5 metri)
Grazie
Andrea
25 messaggi
• Pagina 2 di 3 • 1, 2, 3
Torna a Elettronica e spettacolo
Chi c’è in linea
Visitano il forum: Nessuno e 15 ospiti

Elettrotecnica e non solo (admin)
Un gatto tra gli elettroni (IsidoroKZ)
Esperienza e simulazioni (g.schgor)
Moleskine di un idraulico (RenzoDF)
Il Blog di ElectroYou (webmaster)
Idee microcontrollate (TardoFreak)
PICcoli grandi PICMicro (Paolino)
Il blog elettrico di carloc (carloc)
DirtEYblooog (dirtydeeds)
Di tutto... un po' (jordan20)
AK47 (lillo)
Esperienze elettroniche (marco438)
Telecomunicazioni musicali (clavicordo)
Automazione ed Elettronica (gustavo)
Direttive per la sicurezza (ErnestoCappelletti)
EYnfo dall'Alaska (mir)
Apriamo il quadro! (attilio)
H7-25 (asdf)
Passione Elettrica (massimob)
Elettroni a spasso (guidob)
Bloguerra (guerra)










