Ora per
come amplificare un segnale negativo?
Moderatori:
carloc,
g.schgor,
BrunoValente,
IsidoroKZ
24 messaggi
• Pagina 2 di 3 • 1, 2, 3
0
voti
Ora per
_______________________________________________________
Gli oscillatori non oscillano mai, gli amplificatori invece sempre
Io HO i poteri della supermucca, e ne vado fiero!
Gli oscillatori non oscillano mai, gli amplificatori invece sempre
Io HO i poteri della supermucca, e ne vado fiero!
0
voti
Il comune ed il contatto NA del relè saranno collegati a due contatti di un temporizzatore.quando i due contatti vanno in corto parte le temporizzazione.quindi il relè sarà diseccitato in fase di riposo e si ecciterà per un istante quando il sensore rileverà una vibrazione.
-

heliodromos
45 2 - Messaggi: 31
- Iscritto il: 7 ott 2015, 14:36
2
voti
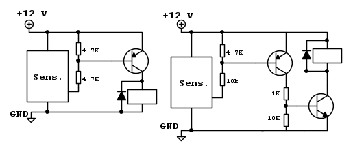
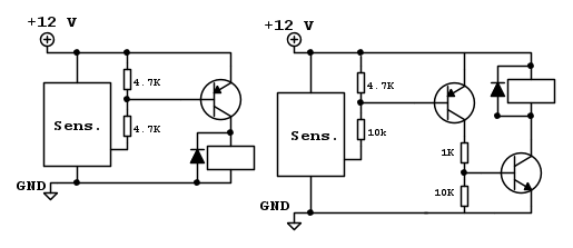
Bene allora...ci mancano alcune informazioni per decidere quale circuito usare e scegliere i transistor.
comunque, uno di questi due va senz'altro bene:
quello di sinistra manda in saturazione un singolo PNP cui fornisce una corrente di base di circa 2,5mA. Supponendo un guadagno di 20 in saturazione, il relay si eccita se ha corrente di aggancio inferiore ai 50mA.
Nel caso in cui il relay abbia corrente più alta o che il sensore non riesca ad erogare 2,5mA (possibile, vista l'accensione fioca del LED), allora devi usare il secondo che utilizza il PNP per fornire a un NPN adeguata corrente di base.
comunque, uno di questi due va senz'altro bene:
quello di sinistra manda in saturazione un singolo PNP cui fornisce una corrente di base di circa 2,5mA. Supponendo un guadagno di 20 in saturazione, il relay si eccita se ha corrente di aggancio inferiore ai 50mA.
Nel caso in cui il relay abbia corrente più alta o che il sensore non riesca ad erogare 2,5mA (possibile, vista l'accensione fioca del LED), allora devi usare il secondo che utilizza il PNP per fornire a un NPN adeguata corrente di base.
_______________________________________________________
Gli oscillatori non oscillano mai, gli amplificatori invece sempre
Io HO i poteri della supermucca, e ne vado fiero!
Gli oscillatori non oscillano mai, gli amplificatori invece sempre
Io HO i poteri della supermucca, e ne vado fiero!
0
voti
Grazie per il prezioso aiuto.purtroppo non ho avuto il tempo di realizzare il circuito,ma ho fatto una ulteriore prova, mettendo una resistenza da 470ohm tra il segnale ed il catodo del led. Il risultato è che si illumina con la giusta intensità, non più fiocamente. Ho scelto tale valore ipotizzando il led come se fosse inserito in un circuito di alimentazione a 12v, cosa che in effetti avviene nel mio caso.Ciò conferma le vostre ipotesi?per capire quali sono i valori in gioco, devo misurare la resistenza tra il segnale e i 12v di alimentazione?
-

heliodromos
45 2 - Messaggi: 31
- Iscritto il: 7 ott 2015, 14:36
0
voti
heliodromos ha scritto:mettendo una resistenza da 470ohm tra il segnale ed il catodo del led. Il risultato è che si illumina con la giusta intensità, non più fiocamente.
Ti è andata di lusso che l'uscita era protetta...
Alberto
La vita è come una bicicletta, devi sempre pedalare per rimanere in equilibrio
Annuncio sempre valido: http://www.electroyou.it/forum/viewtopic.php?f=10&t=62668
La vita è come una bicicletta, devi sempre pedalare per rimanere in equilibrio
Annuncio sempre valido: http://www.electroyou.it/forum/viewtopic.php?f=10&t=62668
-

AlbertoBianchi
2.009 3 5 - Master

- Messaggi: 836
- Iscritto il: 4 dic 2014, 18:30
- Località: Lastra a Signa (FI)
0
voti
Non c'è motivo, la protezione non è rilevante ai fini del funzionamento...
Se realizzi il circuitino al post 14 ti funzionerà certamente; Il relay verrà attivato con la stessa logica con cui ti si accende il led adesso
Se realizzi il circuitino al post 14 ti funzionerà certamente; Il relay verrà attivato con la stessa logica con cui ti si accende il led adesso
Alberto
La vita è come una bicicletta, devi sempre pedalare per rimanere in equilibrio
Annuncio sempre valido: http://www.electroyou.it/forum/viewtopic.php?f=10&t=62668
La vita è come una bicicletta, devi sempre pedalare per rimanere in equilibrio
Annuncio sempre valido: http://www.electroyou.it/forum/viewtopic.php?f=10&t=62668
-

AlbertoBianchi
2.009 3 5 - Master

- Messaggi: 836
- Iscritto il: 4 dic 2014, 18:30
- Località: Lastra a Signa (FI)
0
voti
AlbertoBianchi ha scritto:heliodromos ha scritto:mettendo una resistenza da 470ohm tra il segnale ed il catodo del led. Il risultato è che si illumina con la giusta intensità, non più fiocamente.
Ti è andata di lusso che l'uscita era protetta...![]()
concordo
AlbertoBianchi ha scritto:probabilmente usa un polyswitch che in caso di intervento aumenta la sua resistenza (ptc) e per questo il led si illuminava fiocamente.
hmmm, concordo meno :) mi sembra più probabile un limitatore di corrente fall back in uscita, il ptc avrebbe un tempo di intervento troppo lungo.
In ogni caso, con una 470 ohm passano 5mA, che se usati per la base del PNP del circuito di sinistra dovrebbero assicurarti almeno una settantina di mA sul collettore, quasi qualunque transistor tu metta. 70mA di bobina potrebbero essere sufficienti per far scattare il tuo relay, quindi prova col circuito più semplice di sinistra e vedi se va (oppure scrivici qui le caatteristiche del relay così te lo diciamo direttamente noi quale circuito fare :) )
_______________________________________________________
Gli oscillatori non oscillano mai, gli amplificatori invece sempre
Io HO i poteri della supermucca, e ne vado fiero!
Gli oscillatori non oscillano mai, gli amplificatori invece sempre
Io HO i poteri della supermucca, e ne vado fiero!
24 messaggi
• Pagina 2 di 3 • 1, 2, 3
Chi c’è in linea
Visitano il forum: Nessuno e 39 ospiti

Elettrotecnica e non solo (admin)
Un gatto tra gli elettroni (IsidoroKZ)
Esperienza e simulazioni (g.schgor)
Moleskine di un idraulico (RenzoDF)
Il Blog di ElectroYou (webmaster)
Idee microcontrollate (TardoFreak)
PICcoli grandi PICMicro (Paolino)
Il blog elettrico di carloc (carloc)
DirtEYblooog (dirtydeeds)
Di tutto... un po' (jordan20)
AK47 (lillo)
Esperienze elettroniche (marco438)
Telecomunicazioni musicali (clavicordo)
Automazione ed Elettronica (gustavo)
Direttive per la sicurezza (ErnestoCappelletti)
EYnfo dall'Alaska (mir)
Apriamo il quadro! (attilio)
H7-25 (asdf)
Passione Elettrica (massimob)
Elettroni a spasso (guidob)
Bloguerra (guerra)

