Comincio subito.
La prima cosa che devo capire è come riconoscere in un circuito la rete diretta da quella di retroazione.
In generale a occhio devo vedere quando l'uscita viene riportata sull'ingresso.
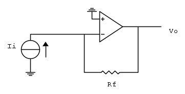
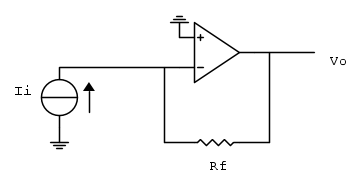
Ad esempio in questo circuito:
vedo subito che
rappresenta la rete di retroazione.Ma già in questo ad esempio:
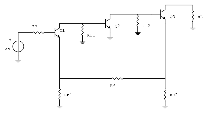
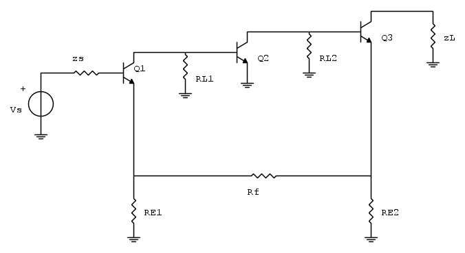
Non vedo perché non potrei dire che la rete di retroazione è composta dalla sola
, invece che da
,
ed
.Magari mi chiarisco prima questo e poi passo a chiedere un'altra cosa sulla rappresentazione come rete 2 porte di queste reti di retroazione.
Il libro che sto leggendo è il Gray Meyer, 5 edizione, capitolo 8.
Grazie in anticipo.
PS: Quelli sono 3 emettitori comuni, giusto? Però ognuno ha in uscita sia una resistenza di carico che un altro transistor (tranne l'ultimo), che senso ha?

Elettrotecnica e non solo (admin)
Un gatto tra gli elettroni (IsidoroKZ)
Esperienza e simulazioni (g.schgor)
Moleskine di un idraulico (RenzoDF)
Il Blog di ElectroYou (webmaster)
Idee microcontrollate (TardoFreak)
PICcoli grandi PICMicro (Paolino)
Il blog elettrico di carloc (carloc)
DirtEYblooog (dirtydeeds)
Di tutto... un po' (jordan20)
AK47 (lillo)
Esperienze elettroniche (marco438)
Telecomunicazioni musicali (clavicordo)
Automazione ed Elettronica (gustavo)
Direttive per la sicurezza (ErnestoCappelletti)
EYnfo dall'Alaska (mir)
Apriamo il quadro! (attilio)
H7-25 (asdf)
Passione Elettrica (massimob)
Elettroni a spasso (guidob)
Bloguerra (guerra)






all'uscita di ogni stadio se poi l'uscita la prendo alla fine?



