Ci provo: aprire un 3d generico sui LED visto i ripetuti 3d aperti per chiedere info.
Per ora più che altro voglio condividere alcune misure e considerazioni fatte su lampadine "pannocchia" o comunque economiche, comprate da me online. Spero si aggiungano altre esperienze.
Una delle prime lampadine comprate è stata questa:
E' una lampadina attacco G9 luce fredda (6400K) 8W 363 lumen , pagata nel febbraio 2014 a 7,5€ su ebay
E' stato uno dei primi acquisti.
Nella foto è visibile il confronto con una alogena da 40W (a sinistra nella foto), che risulta un po' più luminosa oltre che più calda
La lampadina contiene 33 LED 5050 con guscio di protezione trasparente ed è ancora funzionante
Continua...
Lampadine, faretti, COB e STRIP LED: considerazioni e misure
Moderatori:
carloc,
g.schgor,
BrunoValente,
IsidoroKZ
42 messaggi
• Pagina 1 di 5 • 1, 2, 3, 4, 5
0
voti
In effetti i 6400 °K si traducono in una luce un po' spettrale 
-

FedericoSibona
5.022 3 5 8 - Master

- Messaggi: 3951
- Iscritto il: 19 mar 2013, 11:43
0
voti
vero, non ricordo neanch eperchè l'avessi presa, forse per valutare la maggior efficienza nominale dei LED bianchi "freddi".
Di solito prendo solo LED che dichiarano 2700-3500K e sono abbastanza simili alle vecchie incandescenza, forse ancora un po' più freddi.
Di solito prendo solo LED che dichiarano 2700-3500K e sono abbastanza simili alle vecchie incandescenza, forse ancora un po' più freddi.
0
voti
Ricomincio mettendo il link all'utile articolo di
paofanello, che riassume una serie di articoli e realizzazioni interessanti riguardanti i LED.
http://www.electroyou.it/paofanello/wik ... ticoli-led
Ora ecco la mia prima "pannocchia" vera e propria, comprata nel febbraio 2014.
E' una E27 da 15W bianco caldo (2700-3500K), 1200 lumen, 60 LED 5630, pagata 16 € nel febbraio 2014.
Nella foto la lampadina aperta di fianco a una CFL da 20W, risultata equivalente sia come luminosità che come tonalità (con un leggero vantaggio per la lampadina LED).
Il vantaggio di questo tipo di lampadine è nella buona gestione termica dei LED: infatti sono saldati su piastrine metalliche di ampie dimensioni con qualche foro per favorire l'areazione interna.
L'assenza del guscio plastico di protezione le rende potenzialmente pericolose: la tensione di rete è presente in superficie e può essere quindi inavvertitamente raggiunta impugnando la lampadina per avvitarla!
E' importantissimo un uso attento, con distacco della rete durante le operazioni di montaggio e smontaggio
Sono quindi prodotti non consigliabili e probabilmente non a norma in Europa. Io ne ho prese diverse per provarle, e perché le uso esclusivamente in lampadari e plafoniere a soffitto.
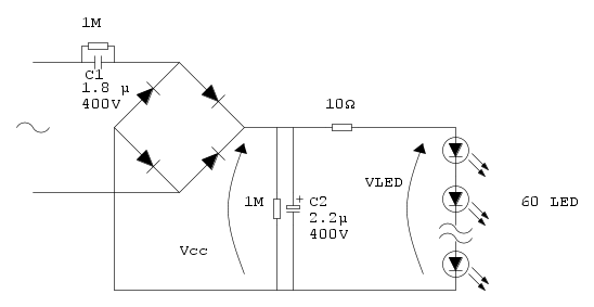
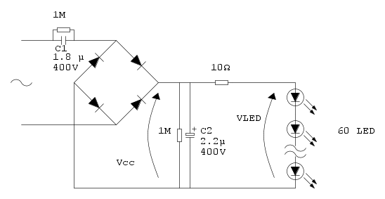
All'apertura (foto) la lampada ha mostrato il semplice circuito di alimentazione
Un partitore capacitivo riduce da tensione di rete raddrizzata da circa 300V a 177V nel caso in esame.
Il power meter misura solo 10,5W assorbiti dalla rete con fattore potenza 0,6, quindi la lampadina consuma, come spesso accade per le “cinesate”, meno dei 15W dichiarati.
Ai capi della serie di LED ho misurato circa 177V e una corrente di circa 50mA, quindi circa 9W totali.
http://www.electroyou.it/paofanello/wik ... ticoli-led
Ora ecco la mia prima "pannocchia" vera e propria, comprata nel febbraio 2014.
E' una E27 da 15W bianco caldo (2700-3500K), 1200 lumen, 60 LED 5630, pagata 16 € nel febbraio 2014.
Nella foto la lampadina aperta di fianco a una CFL da 20W, risultata equivalente sia come luminosità che come tonalità (con un leggero vantaggio per la lampadina LED).
Il vantaggio di questo tipo di lampadine è nella buona gestione termica dei LED: infatti sono saldati su piastrine metalliche di ampie dimensioni con qualche foro per favorire l'areazione interna.
L'assenza del guscio plastico di protezione le rende potenzialmente pericolose: la tensione di rete è presente in superficie e può essere quindi inavvertitamente raggiunta impugnando la lampadina per avvitarla!
E' importantissimo un uso attento, con distacco della rete durante le operazioni di montaggio e smontaggio
Sono quindi prodotti non consigliabili e probabilmente non a norma in Europa. Io ne ho prese diverse per provarle, e perché le uso esclusivamente in lampadari e plafoniere a soffitto.
All'apertura (foto) la lampada ha mostrato il semplice circuito di alimentazione
Un partitore capacitivo riduce da tensione di rete raddrizzata da circa 300V a 177V nel caso in esame.
Il power meter misura solo 10,5W assorbiti dalla rete con fattore potenza 0,6, quindi la lampadina consuma, come spesso accade per le “cinesate”, meno dei 15W dichiarati.
Ai capi della serie di LED ho misurato circa 177V e una corrente di circa 50mA, quindi circa 9W totali.
0
voti
[5] Faretti COB
aggiorno questo 3d con alcune considerazioni su un acquisto fatto mesi fa.
Come al solito... approccio low cost e acquisto su ebay di 4 faretti orientabili COB LED, dichiarati da 5W a 7€ cad.
All'arrivo sono risultati di due tipi diversi, con differenti driver. Successivamente ho verificato che la stessa differenza esiste anche nei COB LED sfusi che possono essere di tipo "A" (6 LED/COB) o "B" (10 LED/COB)
FARETTO TIPO "A" (6 LED / COB)
Valori da blister : 5W, caldo, 3300K, 240 lumen (solo 48 lumen/W?)
Misura driver + LED: 10.7 - 11.3V (circa 200 mA?) -> 2W
Valori da alimentatore: 210/260mA @ 11V (2,3/2,9W); 260/310mA @11,5V (3/3,6W)
I 6 LED si accendono contemporaneamente
sembrano polarizzati 2p 3s (LED parallelati singolarmente a coppie) ed è evidente che andrebbero usati max a 200 mA (Vled=3,7V cad circa)
FARETTO TIPO "B" (10 LED / COB)
Valori da blister: 5W, caldo, 3000-3500K, 400 lumen (80 lumen/W)
Misura driver + LED: 15.7 V (circa 200 mA) -> 3W
Valori da alimentatore: 180mA @ 11V (2W); 240mA @16V (3,8W); 310mA @16,5V (5,1W)
I LED si accendono in sequenza 2-2-2-4 (o 4-4-2 come in foto) a tensione 5.4 - 8,2 - 11,2 V ecc; forse sono polarizzati 2p 5s -> Vled = 3,3V a 300mA
COMMENTI: i COB sono risultati di qualità abbastanza scarsa, ma per fortuna i faretti sono risultati smontabili e quindi è possibile sostituire il solo COB!
cosa che ho effettivamente fatto su uno dei 4 faretti.
Anche il piccolo driver
non mi ispirava molta fiducia, e poiché li ho istallati in bagno ho preferito eliminare i driver inclusi e polarizzare i 4 faretti in serie con un driver, che già avevo, da 34-65V 300mA
Come al solito... approccio low cost e acquisto su ebay di 4 faretti orientabili COB LED, dichiarati da 5W a 7€ cad.
All'arrivo sono risultati di due tipi diversi, con differenti driver. Successivamente ho verificato che la stessa differenza esiste anche nei COB LED sfusi che possono essere di tipo "A" (6 LED/COB) o "B" (10 LED/COB)
FARETTO TIPO "A" (6 LED / COB)
Valori da blister : 5W, caldo, 3300K, 240 lumen (solo 48 lumen/W?)
Misura driver + LED: 10.7 - 11.3V (circa 200 mA?) -> 2W
Valori da alimentatore: 210/260mA @ 11V (2,3/2,9W); 260/310mA @11,5V (3/3,6W)
I 6 LED si accendono contemporaneamente
sembrano polarizzati 2p 3s (LED parallelati singolarmente a coppie) ed è evidente che andrebbero usati max a 200 mA (Vled=3,7V cad circa)
FARETTO TIPO "B" (10 LED / COB)
Valori da blister: 5W, caldo, 3000-3500K, 400 lumen (80 lumen/W)
Misura driver + LED: 15.7 V (circa 200 mA) -> 3W
Valori da alimentatore: 180mA @ 11V (2W); 240mA @16V (3,8W); 310mA @16,5V (5,1W)
I LED si accendono in sequenza 2-2-2-4 (o 4-4-2 come in foto) a tensione 5.4 - 8,2 - 11,2 V ecc; forse sono polarizzati 2p 5s -> Vled = 3,3V a 300mA
COMMENTI: i COB sono risultati di qualità abbastanza scarsa, ma per fortuna i faretti sono risultati smontabili e quindi è possibile sostituire il solo COB!
cosa che ho effettivamente fatto su uno dei 4 faretti.
Anche il piccolo driver
non mi ispirava molta fiducia, e poiché li ho istallati in bagno ho preferito eliminare i driver inclusi e polarizzare i 4 faretti in serie con un driver, che già avevo, da 34-65V 300mA
0
voti
Le ultime "pannocchie" hanno rilevato uno schema che supera qualsiasi immaginazione e rimette in discussione qualsiasi teoria:
ahhhh sti cinesi...per risparmiare qualche micro-yen
ahhhh sti cinesi...per risparmiare qualche micro-yen

0
voti
Metto qui una foto degli ultimi LED arrivati via posta ..peccato che non mi ricordo da chi li ho comprati e le caratteristiche...
Non è che li aveva consigliati qualcuno di voi?
Non è che li aveva consigliati qualcuno di voi?
1
voti
Avete mai comprato una "LED filament bulb", anche dette "vintage LED bulb"?
Io no... perché aparte la somiglianza con le vecchie lampadine a incandescenza non mi sembra il modo migliore di utilizzare i LED , di fatto sospesi in aria (o meglio in un gas "conduttivo" termicamente) senza un radiatore a contatto col chip.
https://en.wikipedia.org/wiki/LED_filament
Ma effettivamente ne fanno di veramente belle, ed ho pensato (eresia!
) alle lampade vintage di
abusivo...
https://www.earthled.com/collections/vi ... ight-bulbs
https://ledlam.co.uk/how-do-led-filament-work
Oggi ho provato ad aprire una di queste lampade non funzionanti, ricevuta da un amico che conosce la mia mania DIY...
Lampada OSRAM da 12W, sul vetro riportava 98mA
Incredibile, ci sono riuscito senza rompere il tutto, all'interno circuito di alimentazione abbastanza classico (ma forse non riesco a ricavarne lo schema)
Provo ad alimentare il bulbo ma niente.... fino a circa 46V non si accende.
Allora ne deduco che è bruciato qualche LED (in effetti la lampadina non funzionava più) e mi decido a rompere il vetro.
La fortuna aiuta gli audaci...e riesco a salvare tutti i filamenti! Ma non si accendono manco alimentandoli direttamente, nessuno, e comincio a insospettirmi.
Allora provo l' idea estrema, ne spezzo uno... e alimentando un estremo e toccando l'estremità dello spezzone con l'altro cavo dall'alimentatore...LUCE FU!
Ma quindi...conferma il fatto che qualche LED nella lunga serie era bruciato? Noooooooo
Prima di continuare col racconto...qualcuno ha mai provato ad aprire queste lampadine, o ne conosce nel dettaglio il funzionamento?
Continua (credo domani però...)
Io no... perché aparte la somiglianza con le vecchie lampadine a incandescenza non mi sembra il modo migliore di utilizzare i LED , di fatto sospesi in aria (o meglio in un gas "conduttivo" termicamente) senza un radiatore a contatto col chip.
https://en.wikipedia.org/wiki/LED_filament
Ma effettivamente ne fanno di veramente belle, ed ho pensato (eresia!
https://www.earthled.com/collections/vi ... ight-bulbs
https://ledlam.co.uk/how-do-led-filament-work
Oggi ho provato ad aprire una di queste lampade non funzionanti, ricevuta da un amico che conosce la mia mania DIY...
Lampada OSRAM da 12W, sul vetro riportava 98mA
Incredibile, ci sono riuscito senza rompere il tutto, all'interno circuito di alimentazione abbastanza classico (ma forse non riesco a ricavarne lo schema)
Provo ad alimentare il bulbo ma niente.... fino a circa 46V non si accende.
Allora ne deduco che è bruciato qualche LED (in effetti la lampadina non funzionava più) e mi decido a rompere il vetro.
La fortuna aiuta gli audaci...e riesco a salvare tutti i filamenti! Ma non si accendono manco alimentandoli direttamente, nessuno, e comincio a insospettirmi.
Allora provo l' idea estrema, ne spezzo uno... e alimentando un estremo e toccando l'estremità dello spezzone con l'altro cavo dall'alimentatore...LUCE FU!
Ma quindi...conferma il fatto che qualche LED nella lunga serie era bruciato? Noooooooo
Prima di continuare col racconto...qualcuno ha mai provato ad aprire queste lampadine, o ne conosce nel dettaglio il funzionamento?
Continua (credo domani però...)
0
voti
Non ho dati su codeste lampade, ma sono interessato all'argomento.
A presto

Alex
https://www.facebook.com/Elettronicaeelettrotecnica
<< vedi di pigliare arditamente in mano, il dizionario che ti suona in bocca,
se non altro è schietto e paesano.
(Giuseppe Giusti) <<
https://www.facebook.com/Elettronicaeelettrotecnica
<< vedi di pigliare arditamente in mano, il dizionario che ti suona in bocca,
se non altro è schietto e paesano.
(Giuseppe Giusti) <<
1
voti
Interessante sapere che all'interno di una comune lampadina Led c'è tutto un mondo!
Se quello che funziona basta non lo tocca' sennò te lassa!
42 messaggi
• Pagina 1 di 5 • 1, 2, 3, 4, 5
Chi c’è in linea
Visitano il forum: Nessuno e 36 ospiti

Elettrotecnica e non solo (admin)
Un gatto tra gli elettroni (IsidoroKZ)
Esperienza e simulazioni (g.schgor)
Moleskine di un idraulico (RenzoDF)
Il Blog di ElectroYou (webmaster)
Idee microcontrollate (TardoFreak)
PICcoli grandi PICMicro (Paolino)
Il blog elettrico di carloc (carloc)
DirtEYblooog (dirtydeeds)
Di tutto... un po' (jordan20)
AK47 (lillo)
Esperienze elettroniche (marco438)
Telecomunicazioni musicali (clavicordo)
Automazione ed Elettronica (gustavo)
Direttive per la sicurezza (ErnestoCappelletti)
EYnfo dall'Alaska (mir)
Apriamo il quadro! (attilio)
H7-25 (asdf)
Passione Elettrica (massimob)
Elettroni a spasso (guidob)
Bloguerra (guerra)




