Cos'è ElectroYou | Login Iscriviti

ElectroYou - la comunità dei professionisti del mondo elettrico

Massimo trasferimento di potenza

Circuiti, campi elettromagnetici e teoria delle linee di trasmissione e distribuzione dell’energia elettrica

Moderatori: Foto Utenteg.schgor, Foto UtenteIsidoroKZ

0
voti

[1] Massimo trasferimento di potenza

Messaggioda Foto UtenteLuigi94 » 5 mar 2016, 18:42

Salve a tutti!


Ho due settimane scarse di tempo prima del mio esame in elettrotecnica, sto risolvendo le tracce d'esame però non avendo alcuna soluzione ho qualche dubbio su cui vorrei far luce :D


in questo caso si tratta del calcolo del massimo trasferimento di potenza su di una impedenza; i calcoli non m'importano e dunque non li scriverò , vorrei solo sapere se il procedimento che ho applicato è giusto/efficiente, grazie anticipate :ok:


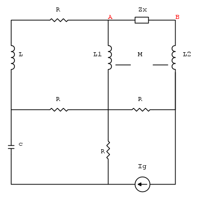
lo schema:


Essendo in regime sinusoidale applico prima tutte le trasformazioni fasoriali del caso (ad ig,c,L1,L2,L)

Successivamente utilizzo Thevenin ai morsetti A e B;
Per trovarmi la tensione di Thevenin(Vth) applico la legge di kirkhhoff delle tensioni alla maglia dell'impedenza; Vth=Vr+VL1+VL2,
Applico il metodo delle correnti fittizie per trovarmi le correnti necessarie:
La corrente che scorre nel ramo di L1 è proprio uguale alla corrente della maglia C, mentre la corrente che scorre nel ramo di R è proprio uguale alla corrente della maglia A

VL1 e VL2 le ricavo dalle equazioni caratteristiche delle IMA, la Vr da Ohm

ora passo al calcolo della Resistenza equivalente(o dovrei scrivere impedenza equivalente?):

Schema:



Collego un generatore di corrente fittizio ai capi di A e B e spengo tutti i generatori del circuito(in questo caso solo ig sostituendolo con un circuito aperto)

Applico di nuovo le legge di Kirkhhoff alla maglia di Ix, otengo che Vx=Vr+VL1+VL2

Di nuovo applico le correnti fittizie di maglia e sostituendo Vx con Zeq*Ix, ottengo:

Zeq=\frac{Vr+VL1+VL2}{Ix}

Trovata anche la Zeq lo schema diventa:



Per il massimo trasferimento di potenza dunque la Zx dovrà essere uguale alla Zeq anzi la Zx dovrà avere parte immaginaria opposta a Zx;
Per quanto riguarda la potenza massima , essa si calcola come

Pmax=\frac{Vth^2}{8Req}

Il procedimento che ho usato è giusto? ne esiste uno migliore in termini di velocità di calcolo?

Grazie 1000 e scusate per il papiro che è venuto fuori!!
Avatar utente
Foto UtenteLuigi94
85 3
New entry
New entry
 
Messaggi: 52
Iscritto il: 4 gen 2013, 12:43

3
voti

[2] Re: Massimo trasferimento di potenza

Messaggioda Foto Utenteadmin » 5 mar 2016, 21:48

A parte kirkhhoff \to Kirchhoff, il punto di connessione mancante nel disegno, le poco chiare caratteristiche delle IMA, la maglia C che probabilmente è la B, lo strano dubbio resistenza o impedenza, e che Zx deve essere il coniugato di Zeq, direi che il procedimento va bene
Avatar utente
Foto Utenteadmin
196,6k 9 12 17
Manager
Manager
 
Messaggi: 11950
Iscritto il: 6 ago 2004, 13:14

0
voti

[3] Re: Massimo trasferimento di potenza

Messaggioda Foto UtenteLuigi94 » 5 mar 2016, 23:05

cosa intendi con kirkhhoff \to kirkhhoff?

Per punto di connessione intendi quello degli IMA? ehm si l'ho dimenticato xD

Ho applicato due volte le correnti fittizie e ho nomi diversi per le maglie del primo e del secondo schema... ma ho dimenticato di mettere i nomi nel primo disegno :oops:

per il resto è tutto chiaro


Perfetto ti ringrazio per la conferma ora sono un po più sicuro! :ok: :ok:
Ultima modifica di Foto Utenteadmin il 5 mar 2016, 23:56, modificato 1 volta in totale.
Motivazione: eliminata citazione integrale del messaggio che precede. Usare "rispondi" non "cita". "Cita va usato con criterio.
Avatar utente
Foto UtenteLuigi94
85 3
New entry
New entry
 
Messaggi: 52
Iscritto il: 4 gen 2013, 12:43

1
voti

[4] Re: Massimo trasferimento di potenza

Messaggioda Foto UtenteStokes » 5 mar 2016, 23:46

Luigi94 ha scritto:cosa intendi con kirkhhoff \to Kirchhoff?

Che vi vuole la C al posto della K :lol:
Avatar utente
Foto UtenteStokes
456 1 5
Frequentatore
Frequentatore
 
Messaggi: 158
Iscritto il: 23 feb 2015, 15:04

0
voti

[5] Re: Massimo trasferimento di potenza

Messaggioda Foto UtenteLuigi94 » 6 mar 2016, 0:54

ahahahah oddio scusate :oops: :oops:
Ultima modifica di Foto Utenteadmin il 6 mar 2016, 1:01, modificato 1 volta in totale.
Motivazione: eliminata citazione integrale del messaggio che precede. Usare "rispondi" non "cita". "Cita va usato con criterio.
Avatar utente
Foto UtenteLuigi94
85 3
New entry
New entry
 
Messaggi: 52
Iscritto il: 4 gen 2013, 12:43


Torna a Elettrotecnica generale

Chi c’è in linea

Visitano il forum: Nessuno e 47 ospiti