BJT a collettore comune.

Elettronica lineare e digitale: didattica ed applicazioni

Moderatori: Foto Utentecarloc, Foto Utenteg.schgor, Foto UtenteBrunoValente, Foto UtenteIsidoroKZ

Avatar utente
Foto Utenteg.schgor
57,8k 9 12 13
G.Master EY
G.Master EY
Messaggi: 16971
Iscritto il: 25 ott 2005, 9:58
Località: MILANO
Contatta:
1
voti

[11] Re: BJT a collettore comune.

Messaggioda Foto Utenteg.schgor » 9 mar 2016, 10:32

No, giustamente Foto UtenteIsidoroKZ aveva consigliato di diminuire la R23
Per chiarire la situazione ecco una simulazione fatta con R23=4.7k e Rc=100 ohm:
Forum080316.gif
Forum080316.gif (11.28 KiB) Visto 2329 volte

La traccia blu è il segnale d'ingresso (da 0a 10V)
la verde la tensione di base, la rossa quella d'uscita (su R)
Come si vede la "saturazione" descritta al post[6]
si è spostata oltre i 6V (Con R23=10k è di poco superiore a 3V).

Avatar utente
Foto Utentelucaking
1.651 4 5 8
Expert
Expert
Messaggi: 1445
Iscritto il: 29 mag 2015, 14:28
Contatta:
0
voti

[12] Re: BJT a collettore comune.

Messaggioda Foto Utentelucaking » 9 mar 2016, 10:57

Capito, grazie.
Scusatemi.

Avatar utente
Foto Utentelucaking
1.651 4 5 8
Expert
Expert
Messaggi: 1445
Iscritto il: 29 mag 2015, 14:28
Contatta:
0
voti

[13] Re: BJT a collettore comune.

Messaggioda Foto Utentelucaking » 10 mar 2016, 15:02

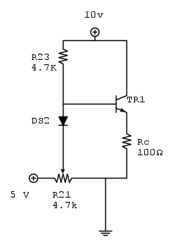
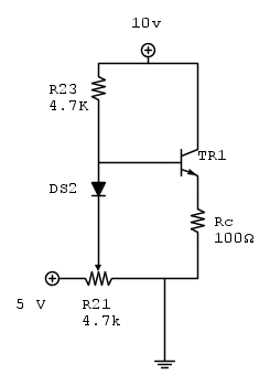
Intanto ho corretto cosi lo schema secondo le indicazioni di Foto Utenteg.schgor e Foto UtenteIsidoroKZ


Poi sono ritornato sull' articolo di Foto Utentebanjoman e sono sorte altre domande, ma per ora mi limito a due(spero non stupide)

-Nell' articolo, come parametro semplificato si dice che una scelta corretta e veloce in fase di progetto puo essere di imporre ReIe = \frac{Vcc}{10} e Ic a riposo = \frac{Ic max}{10}
E' per questo che in molti schemi trovo R23 dieci volte maggiore di Rc?

-Aumentando il valore di Rc aumenta la stabilita del circuito?

Avatar utente
Foto Utenteg.schgor
57,8k 9 12 13
G.Master EY
G.Master EY
Messaggi: 16971
Iscritto il: 25 ott 2005, 9:58
Località: MILANO
Contatta:
0
voti

[14] Re: BJT a collettore comune.

Messaggioda Foto Utenteg.schgor » 10 mar 2016, 16:11

Credo che non ci intendiamo.
Se vuoi fare un amplificazione di tensione
puoi seguire ila procedura di calcolo, ma
devi allora seguire anche lo schema
di Foto UtenteBenjamin (Rc lato collettore).

Tu continui invece con uno schema emitter follower
(amplificatore di corrente, come già detto)
e non puoi mescolare le due cose.

Avatar utente
Foto UtenteIsidoroKZ
121,2k 1 3 8
G.Master EY
G.Master EY
Messaggi: 21059
Iscritto il: 17 ott 2009, 0:00
5
voti

[15] Re: BJT a collettore comune.

Messaggioda Foto UtenteIsidoroKZ » 10 mar 2016, 17:52

Nel primo messaggio l'OP diceva di voler fare un finale a simmetria complementare in classe AB, e sta studiando per comodita` solo mezzo stadio.

Pero` Foto Utentelucaking stai analizzando il circuito "a rovescio". Si parte dalle specifiche, non aggiustando i componenti a caso, in particolare il carico.

Quello che segue non e` un progetto completo, faro` delle assunzioni giusto per tenere corto il post :-)

Supponiamo di avere una alimentazione di 10V e di voler alimentare un carico di 35 ohm con la massima tensione ragionevole per un circuito di quel tipo, che potrebbe essere ad esempio 7V. In realta` si parte dalla tensione voluta sul carico e si calcola la tensione di alimentazione, ma qui faccio solo parte del progetto.

In questo caso la corrente massima sul carico vale 7V/35ohm=200mA.

Ora ci serve la tensione di base e la corrente di base. La tensione di base massima e` pari alla tensione di uscita piu` VBE, che NON e` un valore fisso di 0.7V, puo` essere anche un po' di piu`, specie per transistori che conducono (densita` di) corrente elevata. Possiamo pensare che la tensione di base sia dalle parti di 7.8V-8V circa.

La corrente di base piu` critica, piu` difficile da fornire e` quella MASSIMA, che e` data dalla corrente di uscita divisa per il beta MINIMO (piu` uno, ma conta poco). Il beta va preso dal datasheet alla corrente di 200mA. Se non c'e` bisogna fare qualche minorazione o qualche interpolazione fra grafici e valori minimi.

Comunque il transistore che volevi usare, 2SC945, non va bene perche' e` troppo piccolo! E non si cambia il carico, si cambia il transistore!

Supponiamo che il beta MINIMO di un transistore adatto all'uso sia ad esempio di 60 unita`, vuol dire che la corrente di base MASSIMA sara` di 3.3mA, e questa corrente deve essere garantita quando la tensione di base e` al suo valore massimo.

Abbiamo allora che R23 deve fornire 3.3mA avendo ai suoi capi 2V circa: vuol dire che R23=2V/3.3mA=600ohm.

Un resistore da 600ohm non lo si trova, c'e` il 560ohm e il 620ohm, quale prendiamo? 620ohm e` piu` vicino al valore voluto rispetto a 560ohm, MA se alziamo il valore di R23 rischiamo di non fornire abbastanza corrente alla base, se il transistore avesse il beta minimo. E` vero che bisogna proprio essere sfigati per trovare un transistore con beta minimo, ma si sa che la fortuna e` cieca e la sfiga...

Quindi si prende 560ohm, per non rischiare che in produzione di tanti esemplari qualcuno non funzioni perche' il transistore e` venuto ai limiti inferiori delle caratteristiche.

Da notare che una resistenza cosi` bassa ha degli inconvenienti: quando metti tutti e due i finali e la tensione di ingresso allo stadio va al minimo negativo, -7V, sulla resistenza da 560ohm hai una caduta di tensione di circa 16V, cioe` una corrente di quasi 29mA che sono uno spreco assurdo. Inoltre lo stadio precedente deve essere in grado di fornire questa correte.

Per questa ragione si preferisce mettere al posto di R23 un generatore di corrente costante, in questo caso di 3.3mA, ma questo complica il circuito e in qualche caso puo` ridurre la massima tensione di uscita.

Finito? No, un controllo che bisogna fare e` la potenza dissipata dal transistore in condizioni peggiori, che si hanno quando la tensione di uscita e` continua e di valore pari a meta` dell'alimentazione. Quindi 5V in uscita da` una corrente di 143mA, che scorre attraverso il transistore che ha una caduta di tensione ai suoi capi di 5V, e dissipa 0.7W. I transistori in contenitore TO92 sono proprio da escludere!

Tutte le altre complicazioni, e ce ne sono ancora svariate, per quando avrai approfondito questa parte.
Per usare proficuamente un simulatore, bisogna sapere molta più elettronica di lui
Plug it in - it works better!
Il 555 sta all'elettronica come Arduino all'informatica! (entrambi loro malgrado)
Se volete risposte rispondete a tutte le mie domande

Avatar utente
Foto Utentelucaking
1.651 4 5 8
Expert
Expert
Messaggi: 1445
Iscritto il: 29 mag 2015, 14:28
Contatta:
0
voti

[16] Re: BJT a collettore comune.

Messaggioda Foto Utentelucaking » 10 mar 2016, 19:13

Foto Utenteg.schgor:
Stavo cercando di capire la configurazione a collettore comune proprio per fare amplificazione di corrente.
E' per quello che non mi ero perso troppo sull' articolo di banjoman, comunque non mi ha certo fatto male rileggerlo :D

Foto UtenteIsidoroKZ:
Hai colto a pieno il problema e questo esempio di come approcciare un progetto è proprio quello che cercavo.
Ci tengo solo a precisare che non ho un' esigenza specifica, e quindi ho pensato che smezzare il circuito mi avrebbe semplificato le cose e che per capire il funzionamento un BJT valesse l' altro.
I cambi di carico, tensione del "segnale" erano solo un tentativi per capire come reagiva il circuito a queste variabili.
Ma mi pare di capire che in elettronica non si operi cosi. :-" #-o
Penso di aver capito, almeno il modus operandi, ora come dici tu è solo questione di tempi di digestone.

Lo so, forse i metodi che uso per cercare capire le cose non sono i piu ortodossi, il problema è che leggo un casino (tranquilli, non capisco tutto :D ) ma quando è ora di passare dalla teoria alla pratica...

Grazie a TUTTI per la pazienza. ^_^
E speriamo che duri...O_/

Avatar utente
Foto Utentelucaking
1.651 4 5 8
Expert
Expert
Messaggi: 1445
Iscritto il: 29 mag 2015, 14:28
Contatta:
0
voti

[17] Re: BJT a collettore comune.

Messaggioda Foto Utentelucaking » 10 mar 2016, 19:16

Piuttosto, cos'è un OP :-k (non credo sia l' OPamp) [-(

Avatar utente
Foto UtenteIsidoroKZ
121,2k 1 3 8
G.Master EY
G.Master EY
Messaggi: 21059
Iscritto il: 17 ott 2009, 0:00
0
voti

[18] Re: BJT a collettore comune.

Messaggioda Foto UtenteIsidoroKZ » 10 mar 2016, 19:21

OP, Original Poster, quello che ha fatto partire il thread con la domanda iniziale. In pratica tu!
Per usare proficuamente un simulatore, bisogna sapere molta più elettronica di lui
Plug it in - it works better!
Il 555 sta all'elettronica come Arduino all'informatica! (entrambi loro malgrado)
Se volete risposte rispondete a tutte le mie domande

Avatar utente
Foto Utentelucaking
1.651 4 5 8
Expert
Expert
Messaggi: 1445
Iscritto il: 29 mag 2015, 14:28
Contatta:
0
voti

[19] Re: BJT a collettore comune.

Messaggioda Foto Utentelucaking » 10 mar 2016, 19:26

Che ero io l' avevo capito, credevo fosse un modo meno carino di dirlo :mrgreen:


Torna a “Elettronica generale”