Collegamento neon
Moderatori:
sebago,
MASSIMO-G,
lillo,
Mike
44 messaggi
• Pagina 2 di 5 • 1, 2, 3, 4, 5
2
voti
Franco012 ha scritto:Da quello che ha scritto paolo a m in questa discussione dovrebbe essere obbligatorio ...
Io toglierei il "dovrebbe", e lascerei il verbo "essere" ..
....
L'osservazione di
Edge ha scritto:Se hai poche competenze in materia il mio consiglio è di far eseguire il collegamento da una persona esperta (o comunque di farti seguire) in quanto può risultare pericoloso.
in quanto il rischio elettrico, è molto alto in presenza di circuiti elettrici sotto tensione di rete, pertanto questo tipo di interventi se non si hanno le giuste conoscenza è preferibile lasciar fare a chi è del mestiere,(vedi disegno-schema ed errori relativi) evitando così possibili rischi elettrici.
Pur essendo di semplice realizzazione, il collegamento dei cinque punti luce con accensione in due gruppi, presenta dei rischi di realizzazione, e di funzionamento che non vanno sottovalutati.
Pertanto alla luce di questi aspetti,considera la possibilità di far realizzare il collegamento a chi è del mestiere.
0
voti
Mir purtroppo chi è del mestiere non viene a farmelo gratis
sto cercando di fare tutto in economia e pensavo di riuscirci con il vostro aiuto
Infatti disegnato lo schema prima di metterlo in essere ho chiesto delucidazione sul forum.
Che poi l'errore è nato dal fatto che ho erroneamente ho pensato che sull'interruttore ( non l'avevo aperto prima) ci fosse un negativo ed una fase.
Poi certo nello spiegarmi le cose dovete non dovete usare termini tecnici ma parole che possa capire anche un bimbo
Poi chiaro che se nonostante tutto proprio non riesco a capire ahimè farò sta spesa di chiamare un elettricista
Infatti disegnato lo schema prima di metterlo in essere ho chiesto delucidazione sul forum.
Che poi l'errore è nato dal fatto che ho erroneamente ho pensato che sull'interruttore ( non l'avevo aperto prima) ci fosse un negativo ed una fase.
Poi certo nello spiegarmi le cose dovete non dovete usare termini tecnici ma parole che possa capire anche un bimbo
1
voti
Mir purtroppo chi è del mestiere non viene a farmelo gratissto cercando di fare tutto in economia e pensavo di riuscirci con il vostro aiuto
![]()
Ok, però devi anche capire che primo nessuno vuole che tu ti vada ad arrecare (o arrechi) del danno se fai delle manovre errate (poi vedi tu) ed inoltre non è tanto facile spiegarsi da qui.
Che poi attaccare 5 neon sotto due interruttori sia una cosa facile, questo non lo metto in dubbio, però un minimo di base su dove mettere le mani occorre saperlo per non farsi male.
Comunque, tanto per farti una idea, supponiamo che io ora ti dicessi di utilizzare il cavo grigio collegato ad uno dei morsetti dell'interruttore per poter andare ad alimentare i neon.
Già qua sorgono dei problemi: intanto la scelta del cavo grigio che tu vedi entrare nei due morsetti dell'interruttore non è indifferente. Detto in termini pratici (lasciatemi passare il termine) un morsetto è l'entrata e uno è l'uscita che va sulla lampadina. Tu devi individuare qual è l'ingresso e per farlo di occorre un tester o un cercafase. Ovviamente l'operazione deve essere fatta con l'interruttore aperto, dove aperto non significa che lo devi smontare ma significa che se con quell'interruttore vai ad accendere una lampadina, quella lampadina deve essere spenta (in gerco l'interruttore deve essere spento).
Sai utilizzare un tester o un cercafase?
Altra considerazione è che occorre verificare se la sezione del cavo grigio dell'interruttore è sufficiente a sopportare l'aggiunta di altri neon. Se è da 1,5mmq sicuramente si, però occorre saperlo.
Ultima modifica di
Edge il 25 mar 2016, 18:51, modificato 1 volta in totale.
0
voti
Posso prendere tutti i fili dalla presa usando questo schema ?? Oppure la fase devo prenderla necessariamente dall'interruttore andando ad individuare il grigio d'ingresso? Si comunque ho un tester e supergiu so usarlo. E chiaro che il primo a non voler recare danno sono io, fino a quando on avrò compreso tutto non metto mano a nulla
Il cavo e sicuramneto da 1.5mm
Il cavo e sicuramneto da 1.5mm
1
voti
Si comunque ho un tester e supergiu so usarlo.
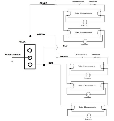
Guarda, lo schema che tu hai allegato e che prende tutti i fili dalla presa non va bene. Ti allego lo schema con i fili presi dalla presa come dovrebbe essere fatto. Però questa modifica NON E' A REGOLA D'ARTE. Vai a mettere un circuito della luce sotto il circuito della Forza Motrice (la forza motrice sono le prese).
Se invece vuoi mettere tutto sotto il filo grigio che arriva all'interruttore della luce, allora devi individuare qual è l'ingresso, ovvero qual è il filo che porta tensione (l'uscita è invece il morsetto che va verso la lampadina).
Una volta individuato quale morsetto, lo schema è come quello per la presa, l'unica differenza è che il grigio della presa lo lasci stare perché hai utilizzato quello dell'interruttore e il neutro lo devi individuare. Puoi prendere il neutro della presa, però sappi che comunque NON E' A REGOLA D'ARTE.
Il mio consiglio spassionato continua ad essere quello di chiamare una persona competente. Poi vedi tu. Uomo avvisato... Buona Pasqua

0
voti
Io ho un reattore per ogni neon tu ne segni solo due.
Poi la massa non va collegata ad ogni neon?
Adesso devo uscire al rientro stampo lo schema e me lo studio
Grazie e buona pasqua anche a te
Poi la massa non va collegata ad ogni neon?
Adesso devo uscire al rientro stampo lo schema e me lo studio
Grazie e buona pasqua anche a te

1
voti
Edge ha scritto: questa modifica NON E' A REGOLA D'ARTE.
Inoltre lo schema che hai allegato, prevede l'utilizzo di un reattore per n.. lampade (per ogni gruppo), il che presume una conoscenza tale da saper individuare correttamente la potenza del reattore per il rispettivo numero di lampade che dovrà alimentare, nonchè un cablaggio dedicato dei/del plafoni/ne interessato/ti, cosa a mio umile avviso non fattibile dall'op del thread che non sembra mostrare conoscenza della materia.
Inoltre, seppur richiesto, allo stesso op non è ancora, o meglio non ha ancora chiarito sulla tipologia dei punti luce che egli dovrà alimentare.
Pertanto, onde evitare possibili rischi/danni, sono dell'avviso che oltre a suggerire un intervento competente, all'op sia altresì corretto iniziare a capire, esattamente di quale tipologia di punti luce si stia parlando, in maniera tale da poter fare le giuste considerazioni, relativamente al possibile cablaggio realizzazione dell'impianto ed alla fattibilità della alimentazione dal punto presa, e non ultimo le considerazioni sugli interruttori.
Questo perché, negli schemi che stai postando non si considerano punti luce separati (come mi sembra di aver capito) ma plafoni su cui alimentare n.. tubi da un reattore per gruppo, e non credo sia nella condizione dell'op.
Pertanto, oltre alla presenza del già più volte citato "rischio elettrico", cerchiamo di non generare un ulteriore condizione di rischio, ed attendiamo, anzi sollecitiamo all'op. ovvero ad
Quindi.
I punti luce da cosa sono composti ? Che potenza hanno i tubi fluorescenti, e quanti sono per punto luce ? Che ambiente stai illuminando ? ...
Dimenticavo.
1
voti
Comunque non vedo il motivo di vietare di collegare le plafoniere sotto la forza motrice
-

gabrisav
1.852 2 4 7 - Expert EY

- Messaggi: 1711
- Iscritto il: 13 set 2015, 18:26
- Località: Borgosatollo (Bs)
1
voti
Edge, non è semplicemente questo aspetto che lo renderebbe tale.![]()
Si certo mir, era per fargli capire che non era il massimo quello che stava per fare
Per quanto riguarda i punti luce mi sembrava di aver capito che voleva 2 punti luci indipendenti, uno con due neon e uno con 3 neon.
presume una conoscenza tale da saper individuare correttamente la potenza del reattore
perché da qualche parte avevo letto da harley che i neon erano da 8w? Me lo sono sognato
Scusa Mir per Fidocad, ok gli posto con quello.
Comunque non vedo il motivo di vietare di collegare le plafoniere sotto la forza motrice
No, non l'ho vietato, può fare come vuole, ho solo detto che facendo così metteva sul lato forza motrice un impianto luce. Poi uno fa ciò che ritiene opportuno
Io ho un reattore per ogni neon tu ne segni solo due.
perché io ho disegnato lo schema nel caso avessi dovuto comprare i vari componenti separati, mentre non avevo pensato che tu avessi già tutto preclablato come dice grabrisav.
44 messaggi
• Pagina 2 di 5 • 1, 2, 3, 4, 5
Torna a Impianti, sicurezza e quadristica
Chi c’è in linea
Visitano il forum: Google Adsense [Bot] e 47 ospiti

Elettrotecnica e non solo (admin)
Un gatto tra gli elettroni (IsidoroKZ)
Esperienza e simulazioni (g.schgor)
Moleskine di un idraulico (RenzoDF)
Il Blog di ElectroYou (webmaster)
Idee microcontrollate (TardoFreak)
PICcoli grandi PICMicro (Paolino)
Il blog elettrico di carloc (carloc)
DirtEYblooog (dirtydeeds)
Di tutto... un po' (jordan20)
AK47 (lillo)
Esperienze elettroniche (marco438)
Telecomunicazioni musicali (clavicordo)
Automazione ed Elettronica (gustavo)
Direttive per la sicurezza (ErnestoCappelletti)
EYnfo dall'Alaska (mir)
Apriamo il quadro! (attilio)
H7-25 (asdf)
Passione Elettrica (massimob)
Elettroni a spasso (guidob)
Bloguerra (guerra)




