1. Quello che hai descritto e' il simbolo elettrico del potenziometro (o trimmer) che ha tre pin due dei quali, in molte occasioni, (il centrale ed uno degli altri a scelta) si collegano insieme.
2. Nel tuo schema non vedo trimmer vicini al transistor; spiegati meglio.
3. C2 e' da datasheet del costruttore un condensatore ceramico da 0.01uF; vista la piccola capacita' non puo' essere elettrolitico.
Strobo con luce a led
Moderatori:
carloc,
g.schgor,
BrunoValente,
IsidoroKZ
44 messaggi
• Pagina 2 di 5 • 1, 2, 3, 4, 5
0
voti
Ciao,
In effetti nel mio schema il trimmer è posto dopo R2 come potrai vedere nello schema. Comunque ora che mi hai spiegato che cosa indica R2, credo di aver capito che al posto di un resistore va inserito un potenziometro (o un trimmer), grazie per aver corretto l'errore sul secondo condensatore, sto ancora imparando a leggere correttamente i datasheet
In effetti nel mio schema il trimmer è posto dopo R2 come potrai vedere nello schema. Comunque ora che mi hai spiegato che cosa indica R2, credo di aver capito che al posto di un resistore va inserito un potenziometro (o un trimmer), grazie per aver corretto l'errore sul secondo condensatore, sto ancora imparando a leggere correttamente i datasheet
1
voti
Ciao
ledo
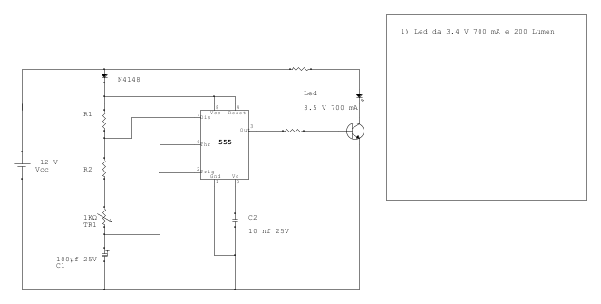
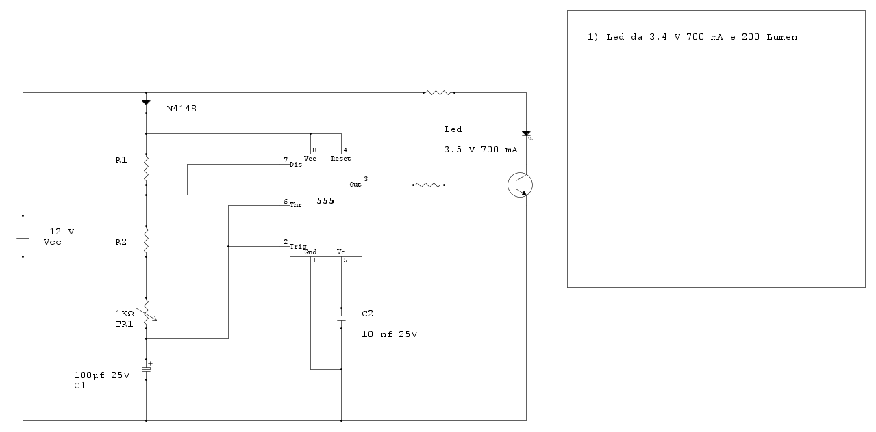
sul tuo schema c'è ancora un problemino, ed è proprio relativo alla potenza della resistenza (in questo caso, quella senza nome che hai giustamente messo in serie al LED).
Piccolo cappello introduttivo, un tanto per farti capire meglio che succede, il ramo composto da Resistenza, LED e transistor funziona in questo modo:
quanto il transistor riceve corrente in base dall'uscita del NE555 attraverso la resistenza (di cui manca nome e valore) si accende passando in quella che si chiama zona di saturazione, in cui si comporta in buona sostanza come se fosse un interruttore chiuso fra collettore ed emettitore. In queste condizioni, quindi, in prima approssimazione si può immaginare che la 12V raggiunga la R in questione, che a questo punto si trova collegata in serie a un LED il cui catodo è al riferimento (evita di usare la parola massa, ha un significato diverso). A questo punto, visto che sappiamo dalle specifiche del LED che a 3,4V vi sarà un passaggio di 700mA, dobbiamo dimensionare correttamente la R attraverso la legge di Ohm (e i principi di Kirchhoff):


Da quanto ti ho detto nel primo post, la potenza che una resistenza deve essere in grado di dissipare (altrimenti salta) è data da:

dovresti quindi prendere una resistenza da più di 6W (credo il taglio minimo disponibile sia 10W) che è decisamente grossa. Questo avviene perché hai scelto un alimentazione da 12V per fornire corrente a un LED da 3,4...puoi abbassare la 12V magari portandola a 6?
sul tuo schema c'è ancora un problemino, ed è proprio relativo alla potenza della resistenza (in questo caso, quella senza nome che hai giustamente messo in serie al LED).
Piccolo cappello introduttivo, un tanto per farti capire meglio che succede, il ramo composto da Resistenza, LED e transistor funziona in questo modo:
quanto il transistor riceve corrente in base dall'uscita del NE555 attraverso la resistenza (di cui manca nome e valore) si accende passando in quella che si chiama zona di saturazione, in cui si comporta in buona sostanza come se fosse un interruttore chiuso fra collettore ed emettitore. In queste condizioni, quindi, in prima approssimazione si può immaginare che la 12V raggiunga la R in questione, che a questo punto si trova collegata in serie a un LED il cui catodo è al riferimento (evita di usare la parola massa, ha un significato diverso). A questo punto, visto che sappiamo dalle specifiche del LED che a 3,4V vi sarà un passaggio di 700mA, dobbiamo dimensionare correttamente la R attraverso la legge di Ohm (e i principi di Kirchhoff):


Da quanto ti ho detto nel primo post, la potenza che una resistenza deve essere in grado di dissipare (altrimenti salta) è data da:

dovresti quindi prendere una resistenza da più di 6W (credo il taglio minimo disponibile sia 10W) che è decisamente grossa. Questo avviene perché hai scelto un alimentazione da 12V per fornire corrente a un LED da 3,4...puoi abbassare la 12V magari portandola a 6?
_______________________________________________________
Gli oscillatori non oscillano mai, gli amplificatori invece sempre
Io HO i poteri della supermucca, e ne vado fiero!
Gli oscillatori non oscillano mai, gli amplificatori invece sempre
Io HO i poteri della supermucca, e ne vado fiero!
0
voti
Ciao
obiuan
certo che posso abbassare la tensione, mi toccherà rifare tutti i calcoli ma effettivamente è fattibile e se riesco a risolvere il problema ne vale sicuramente la pena. In fin dei conti non è nulla di difficile, ovviamente dovrò cambiare tutti i valori delle resistenze, ma quello che non ho capito è se l'NE555 funziona con 6 V?
certo che posso abbassare la tensione, mi toccherà rifare tutti i calcoli ma effettivamente è fattibile e se riesco a risolvere il problema ne vale sicuramente la pena. In fin dei conti non è nulla di difficile, ovviamente dovrò cambiare tutti i valori delle resistenze, ma quello che non ho capito è se l'NE555 funziona con 6 V?
0
voti
ledo ha scritto:1) dove vi è la R2 vi è una freccia che collide con il centro di R2, ma non so cosa significhi questo simbolo
Questo è il simbolo di un potenziometro o trimmer che solitamente viene notato come una normale resistenza (R2).
Visto le tue perplessita, ti consiglio di seguire lo schema postato da
L' ne555 funziona stabilmente in un range di alimentazione compreso tra i 4,5V e i 18V, come puoi vedere a pag 3 del suo datasheet
Abituati a leggere i datasheet, si imparano un sacco di cose.
0
voti
@
ledo
con 12V di alimentazione potresti usare vantaggiosamente (per la potenza dissipata dalla resistenza) anche 2 o 3 led in serie senza aumentare il consumo del dispositivo
con 12V di alimentazione potresti usare vantaggiosamente (per la potenza dissipata dalla resistenza) anche 2 o 3 led in serie senza aumentare il consumo del dispositivo
Alberto
La vita è come una bicicletta, devi sempre pedalare per rimanere in equilibrio
Annuncio sempre valido: http://www.electroyou.it/forum/viewtopic.php?f=10&t=62668
La vita è come una bicicletta, devi sempre pedalare per rimanere in equilibrio
Annuncio sempre valido: http://www.electroyou.it/forum/viewtopic.php?f=10&t=62668
-

AlbertoBianchi
2.009 3 5 - Master

- Messaggi: 836
- Iscritto il: 4 dic 2014, 18:30
- Località: Lastra a Signa (FI)
1
voti
ledo ha scritto:certo che posso abbassare la tensione, mi toccherà rifare tutti i calcoli ma effettivamente è fattibile e se riesco a risolvere il problema ne vale sicuramente la pena. In fin dei conti non è nulla di difficile, ovviamente dovrò cambiare tutti i valori delle resistenze, ma quello che non ho capito è se l'NE555 funziona con 6 V?
Io invece cambierei il tipo di led usandone magari tre in serie di quelli comuni.
I led power (come quelli da te scelti) dovrebbero essere pilotati da driver appositi e non da semplici resistenze per lo piu' di basso valore. Usare per pilotare in corrente resistori dell'ordine della decina di ohm, non assicura al led la giusta corrente di funzionamento.
In fondo e' solo un esperimento.
marco
0
voti
forse gli sarebbe utile anche la spiegazione del perché.... 
Alberto
La vita è come una bicicletta, devi sempre pedalare per rimanere in equilibrio
Annuncio sempre valido: http://www.electroyou.it/forum/viewtopic.php?f=10&t=62668
La vita è come una bicicletta, devi sempre pedalare per rimanere in equilibrio
Annuncio sempre valido: http://www.electroyou.it/forum/viewtopic.php?f=10&t=62668
-

AlbertoBianchi
2.009 3 5 - Master

- Messaggi: 836
- Iscritto il: 4 dic 2014, 18:30
- Località: Lastra a Signa (FI)
1
voti
Hai ragione
AlbertoBianchi ma, a parte che della cosa si e' parlato lungamente in decine di thread e che e' stato fatto un apposito megaarticolo sui led, visto il grado di preparazione dell'OP, credo si rivelerebbe solo una perdita di tempo che, al momento non ho. 
marco
0
voti
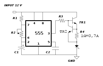
Sarebbe possibile e vantaggioso utilizzare il transistor TR1 anche come elemento regolatore a corrente costante.
In questo caso R4 dissiperebbe 0,5W ed il transistror TR1 5,53W (andrebbe dissipato);
con 2 led in serie TR1 dissiperebbe invece 3,15W.
Con una regolazione a corrente costante, la corrente nel led viene ad essere indipendente dal valore della tensione di alimentazione e dalle variazioni della Vf del led indotte dalla sua temperatura operativa.
Uno schema di principio potrebbe essere questo (volendo si può realizzare anche in versione ad emitter comune):
In questo caso R4 dissiperebbe 0,5W ed il transistror TR1 5,53W (andrebbe dissipato);
con 2 led in serie TR1 dissiperebbe invece 3,15W.
Con una regolazione a corrente costante, la corrente nel led viene ad essere indipendente dal valore della tensione di alimentazione e dalle variazioni della Vf del led indotte dalla sua temperatura operativa.
Uno schema di principio potrebbe essere questo (volendo si può realizzare anche in versione ad emitter comune):
Alberto
La vita è come una bicicletta, devi sempre pedalare per rimanere in equilibrio
Annuncio sempre valido: http://www.electroyou.it/forum/viewtopic.php?f=10&t=62668
La vita è come una bicicletta, devi sempre pedalare per rimanere in equilibrio
Annuncio sempre valido: http://www.electroyou.it/forum/viewtopic.php?f=10&t=62668
-

AlbertoBianchi
2.009 3 5 - Master

- Messaggi: 836
- Iscritto il: 4 dic 2014, 18:30
- Località: Lastra a Signa (FI)
44 messaggi
• Pagina 2 di 5 • 1, 2, 3, 4, 5
Chi c’è in linea
Visitano il forum: Nessuno e 43 ospiti

Elettrotecnica e non solo (admin)
Un gatto tra gli elettroni (IsidoroKZ)
Esperienza e simulazioni (g.schgor)
Moleskine di un idraulico (RenzoDF)
Il Blog di ElectroYou (webmaster)
Idee microcontrollate (TardoFreak)
PICcoli grandi PICMicro (Paolino)
Il blog elettrico di carloc (carloc)
DirtEYblooog (dirtydeeds)
Di tutto... un po' (jordan20)
AK47 (lillo)
Esperienze elettroniche (marco438)
Telecomunicazioni musicali (clavicordo)
Automazione ed Elettronica (gustavo)
Direttive per la sicurezza (ErnestoCappelletti)
EYnfo dall'Alaska (mir)
Apriamo il quadro! (attilio)
H7-25 (asdf)
Passione Elettrica (massimob)
Elettroni a spasso (guidob)
Bloguerra (guerra)






