Meglio di tutto se fai lo schema elettrico ( ma non con fritzing).
Sai usare fidocad ?
Se non lo sai usare, fai un disegno e posta l' immagine.
E' difficile capire al 100 x 100 quello che fai.
Per esempio, la storia che se metti una resistenza sul gate del mosfet questo non conduce !?
Fai lo schema di quello che hai fatto e anche come avevi collegato la resistenza sul gate.
Ma devi fare proprio lo schema che stai provando
ok ?
Calcolo resistenze ponte H
Moderatori:
carloc,
g.schgor,
BrunoValente,
IsidoroKZ
0
voti
Pixy ha scritto:Meglio di tutto se fai lo schema elettrico ( ma non con fritzing).
Sai usare fidocad ?
Se non lo sai usare, fai un disegno e posta l' immagine.
E' difficile capire al 100 x 100 quello che fai.
Per esempio, la storia che se metti una resistenza sul gate del mosfet questo non conduce !?
Fai lo schema di quello che hai fatto e anche come avevi collegato la resistenza sul gate.
Ma devi fare proprio lo schema che stai provando
ok ?
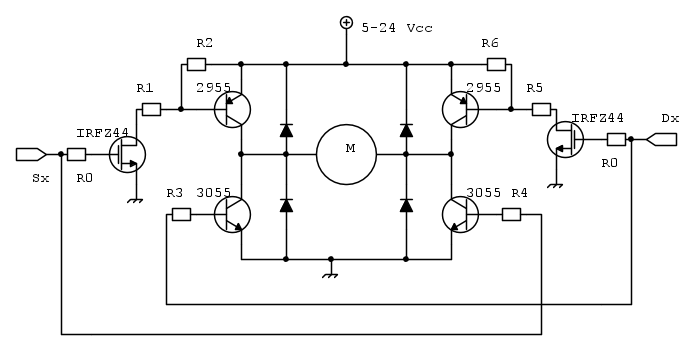
Ok ho scaricato FidoCad (bello non lo conoscevo!), scusa il ritardo ed ecco lo schema:

-

lucaventimiglia
50 3 - New entry

- Messaggi: 65
- Iscritto il: 18 feb 2016, 0:25
0
voti
Bah, ho visto di peggio. Le resistenze sono eccessive e manca, anche se non è indispensabile, una resistenza fra base e massa dei PNP.
P.S. cosa sono quegli IRFZ, dei j-fet? Se è così mi astengo..
P.S. cosa sono quegli IRFZ, dei j-fet? Se è così mi astengo..
0
voti
Grazie della risposta :)
Questo mi rincuora molto :')
nel precedente schema che ho trovato in un vecchio thread, metteva una resistenza tra base ed emettitore dei PNP, perché secondo te dovrebbe andare tra base e massa? Guarda>>
Sono Mosfet .
EcoTan ha scritto:Bah, ho visto di peggio.
Questo mi rincuora molto :')
EcoTan ha scritto:una resistenza fra base e massa dei PNP
nel precedente schema che ho trovato in un vecchio thread, metteva una resistenza tra base ed emettitore dei PNP, perché secondo te dovrebbe andare tra base e massa? Guarda>>

EcoTan ha scritto:P.S. cosa sono quegli IRFZ, dei j-fet? Se è così mi astengo..
Sono Mosfet .
-

lucaventimiglia
50 3 - New entry

- Messaggi: 65
- Iscritto il: 18 feb 2016, 0:25
0
voti
Anche qui in alta Toscana non è certo bel tempo e anch'io sono a casa
Adesso facciamo alcune premesse:
1) Non ho mai fatto un ponte H ( non ne ho mai avuto bisogno )
2) Mi intendo poco di Arduino ( Mi sono dilettato un po' più per curiosità che per un vero e proprio avvenire
)
Per questi motivi sarebbe auspicabile anche l' intervento di altri utenti
Però posso dirti quel poco che so.
Che se alimentiamo il motorino alla stessa tensione di Arduino ( 5 V ) questo si può realizzare in diversi modi.
Per esempio, puoi fare a meno dei Mosfet e comandare i PNP come hai comandato gli NPN . Giusto ? visto che hai optato per quattro comandi in PWM uno per ogni BJT.
un'altra considerazione.
Perché non hai usato le uscite PWM 3-9-10-11 invece di 5-6-10-11 ?
Le uscite 5-6 hanno una frequenza di switching doppia a quella dei pin 3-9-10-11 quest'ultime la frequenza del PWM è 488 Hz , mentre i primi due hanno una frequenza di 976 Hz
E' vero che il PWM avrà valore medio uguale se dai lo stesso valore logico, però è diversa la frequenza di commutazione.
Poi,non è meglio usare un solo pin di comando per Dx e Sx e PWM usando il circuito dei primi schemi che ti ho riportato qui sotto con i tuoi Mosfet
Ma secondo me, due IFRZ44 hanno difficoltà ad andare in saturazione con solo 5 V sul gate( immagino).
Ci vorrebbero altri tipi di mosfet
Secondo me esteranno in zona attiva che comunque permette una corrente sufficiente alle basi dei Tip,però se non vanno in saturazione non si può calcolare a priori la resistenza di base dei BJT
Adesso funziona tutto bene ,perché le correnti sui BJT sono irrisorie e così le correnti di base
Questo circuito va bene anche se l' alimentazione del motore è maggiore di 5 V.
Le resistenze R2 e R6 ( quelle che indicavi con R12 e R22 )servono per essere certi di tenere al positivo la base del PNP quando il mosfet è spento per non rischiare la conduzione di quest'ultimo.
Le resistenze sui gate ( le R0) servirebbero appunto per smorzare eventuali oscillazioni e normalmente sono di piccolo valore
Però con questo schema non puoi pilotare un motore che richiede degli ampere, perché mentre i PNP possono usufruire della corrente di drain del mosfet ( perciò anche alta ) , i due NPN non potranno ricevere correnti di base alta ( quei 2 o 3 ampere di base che servono al Tip 3055) perché collegati direttamente alle uscite di Arduino
Un circuito siffatto è indicato per motori anche a tensione superiore di 5 V , ma con correnti , magari di 1 A
Capisco che tu voglia realizzare il il tutto con il materiale che ti ritrovi, però bisogna trovare una soluzione per alimentare il tuo motore
Adesso facciamo alcune premesse:
1) Non ho mai fatto un ponte H ( non ne ho mai avuto bisogno )
2) Mi intendo poco di Arduino ( Mi sono dilettato un po' più per curiosità che per un vero e proprio avvenire
Per questi motivi sarebbe auspicabile anche l' intervento di altri utenti
Però posso dirti quel poco che so.
Che se alimentiamo il motorino alla stessa tensione di Arduino ( 5 V ) questo si può realizzare in diversi modi.
Per esempio, puoi fare a meno dei Mosfet e comandare i PNP come hai comandato gli NPN . Giusto ? visto che hai optato per quattro comandi in PWM uno per ogni BJT.
un'altra considerazione.
Perché non hai usato le uscite PWM 3-9-10-11 invece di 5-6-10-11 ?
Le uscite 5-6 hanno una frequenza di switching doppia a quella dei pin 3-9-10-11 quest'ultime la frequenza del PWM è 488 Hz , mentre i primi due hanno una frequenza di 976 Hz
E' vero che il PWM avrà valore medio uguale se dai lo stesso valore logico, però è diversa la frequenza di commutazione.
Poi,non è meglio usare un solo pin di comando per Dx e Sx e PWM usando il circuito dei primi schemi che ti ho riportato qui sotto con i tuoi Mosfet
Ma secondo me, due IFRZ44 hanno difficoltà ad andare in saturazione con solo 5 V sul gate( immagino).
Ci vorrebbero altri tipi di mosfet
Secondo me esteranno in zona attiva che comunque permette una corrente sufficiente alle basi dei Tip,però se non vanno in saturazione non si può calcolare a priori la resistenza di base dei BJT
Adesso funziona tutto bene ,perché le correnti sui BJT sono irrisorie e così le correnti di base
Questo circuito va bene anche se l' alimentazione del motore è maggiore di 5 V.
Le resistenze R2 e R6 ( quelle che indicavi con R12 e R22 )servono per essere certi di tenere al positivo la base del PNP quando il mosfet è spento per non rischiare la conduzione di quest'ultimo.
Le resistenze sui gate ( le R0) servirebbero appunto per smorzare eventuali oscillazioni e normalmente sono di piccolo valore
Però con questo schema non puoi pilotare un motore che richiede degli ampere, perché mentre i PNP possono usufruire della corrente di drain del mosfet ( perciò anche alta ) , i due NPN non potranno ricevere correnti di base alta ( quei 2 o 3 ampere di base che servono al Tip 3055) perché collegati direttamente alle uscite di Arduino
Un circuito siffatto è indicato per motori anche a tensione superiore di 5 V , ma con correnti , magari di 1 A
Capisco che tu voglia realizzare il il tutto con il materiale che ti ritrovi, però bisogna trovare una soluzione per alimentare il tuo motore
0
voti
Pixy ha scritto:Perché non hai usato le uscite PWM 3-9-10-11 invece di 5-6-10-11 ?
Le uscite 5-6 hanno una frequenza di switching doppia a quella dei pin 3-9-10-11 quest'ultime la frequenza del PWM è 488 Hz , mentre i primi due hanno una frequenza di 976 Hz
E' vero che il PWM avrà valore medio uguale se dai lo stesso valore logico, però è diversa la frequenza di commutazione.
L'ho fatto perché semplicemente non lo sapevo
Pixy ha scritto:Poi,non è meglio usare un solo pin di comando per Dx e Sx e PWM usando il circuito dei primi schemi che ti ho riportato qui sotto con i tuoi Mosfet
Sì, infatti l'idea era proprio quella: ho lasciato i 4 segnali diversi perché già avevo fatto così e per il momento non volevo cambiare (però ovviamente sono stato costretto a modificare il programma); apporterò le modifiche che mi hai consigliato.
Pixy ha scritto:Però con questo schema non puoi pilotare un motore che richiede degli ampere, perché mentre i PNP possono usufruire della corrente di drain del mosfet ( perciò anche alta ) , i due NPN non potranno ricevere correnti di base alta ( quei 2 o 3 ampere di base che servono al Tip 3055) perché collegati direttamente alle uscite di Arduino
Un circuito siffatto è indicato per motori anche a tensione superiore di 5 V , ma con correnti , magari di 1 A
Capisco che tu voglia realizzare il il tutto con il materiale che ti ritrovi, però bisogna trovare una soluzione per alimentare il tuo motore
Si già sapevo che a correnti così elevate i TIP richiedono correnti di base elevate anch'esse, correnti che Arduino non riesce a darmi. Il mio obiettivo per adesso era soltanto impostare la logica di comando, capire come funziona un transistor in generale e quindi un ponte H. Grazie a te e ad altri sono riuscito ad entrare un po' nella logica. In ogni caso il circuito l'ho provato e funziona. Gli IRFZ44 pilotano bene i pnp (a correnti maggiori questo potrebbe non succedere?)
Insomma, l'unica cosa che mi manca sono i componenti giusti che non mi facciano fare troppi artifici circuitali.
Scavando un po' in rete, ho visto che molti usano:
1) IRFZ44 canale N (proprio loro!) che riescono a drenare 49A, datasheethttp://www.vishay.com/docs/91291/91291.pdf;
2) IRF4905 canale P (che vanno controllati con un altro transistor) che riescono a drenare -74A, datasheet>>http://www.irf.com/product-info/datasheets/data/irf4905.pdf;
-

lucaventimiglia
50 3 - New entry

- Messaggi: 65
- Iscritto il: 18 feb 2016, 0:25
0
voti
Pixy ha scritto:Ma secondo me, due IFRZ44 hanno difficoltà ad andare in saturazione con solo 5 V sul gate( immagino).
Ci vorrebbero altri tipi di mosfet
Secondo me esteranno in zona attiva che comunque permette una corrente sufficiente alle basi dei Tip,però se non vanno in saturazione non si può calcolare a priori la resistenza di base dei BJT
Adesso funziona tutto bene ,perché le correnti sui BJT sono irrisorie e così le correnti di base
Hai ragione. Guardando bene i grafici, in effetti, con soli 5V sul gate non ce la fa ad andare in saturazione ma si trova in zona attiva. Ma con 5V non dovrebbe riuscire a drenarmi la corrente necessaria al mio scopo? Io vedo dal grafico che a 5V può restituirmi una corrente di circa 20A secondo la scala logaritmica. Il grafico sul datasheet dovrebbe essere questo penso:

Ma forse evidentemente sto sbagliando ad interpretarlo.
-

lucaventimiglia
50 3 - New entry

- Messaggi: 65
- Iscritto il: 18 feb 2016, 0:25
0
voti
Ammirate il mio skate... di carta

L'ho fatto per prendere le misure.

L'ho fatto per prendere le misure.
-

lucaventimiglia
50 3 - New entry

- Messaggi: 65
- Iscritto il: 18 feb 2016, 0:25
0
voti
Che tipo di circuiti hai visto in rete
E' meglio se li posti.
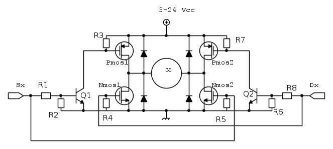
Forse tipo questo che ti ho fatto con fidocad
Ammettiamo di fare questo cicuito usando gli IFRZ44 che hai in possesso
In questo caso i BJT Q1 e Q2 possono essere dei piccoli BJT tipo 2n2222 o BC 337 etc
Ma il problema rimane per comandare un motore come il tuo
Quando per esempio alimenti Sx e Q1 va in saturazione al Pmos1 sul gate va tutta la tensione di alimentazione e va in saturazione e all' NMos2 sul gate arrivano 5 V.
Se l' alimentazione del motore è 24 V ci sono già 2 problemi
Il primo è che la tensione di -24 V sul gate rispetto al source del Pmos è troppo alta ( ma potrebbe anche farcela
a non danneggiarsi ) e in ogni caso potremmo anche aggiustarla con un partitore.
Il problema è del Nmos2 che avrà sul gate solo 5 V e rimarrà in zona lineare
Il motorino, 20 A potrebbe assorbirli senza bisogno che ai suoi capi ci sia tutta la tensione di alimentazione.
ma rovesciamo il discorso per capire meglio,ammettiamo che allo spunto o sottosforzo assorba di più di 20 A, allora ai capi del mosfet si instaurerà una certa tensione, in pratica la tensione si ripartirà fra motore e mosfet.
Se ai capi del mosfet cadono anche solo 5 V e la corrente è superiore a 20 A allora puoi immaginare la potenza dissipata sul mosfet, ma non solo, il motore non usufruendo di tutta la tensione necessaria avrà problemi a partire se è sotto sforzo e starà molto tempo ad assorbire una corrente elevata
Il discorso rimane lo stesso.
Se Id è 20 A e Valim 24 V allora la resistenza minima di carico deve essere 24/20 = 1,2 ohm o superiore
Questa resistenza di 1,2 ohm sembra molto bassa, ma in verità non abbastanza,perché allo spunto e sotto sforzo ( quando sei sopra e devi partire da fermo )la tensione del motore cade tutta sulla resistenza ohmica del motore che è molto bassa
Poi, non possiamo fidarci del datasheet al milliampere
Può darsi che i tuoi IFRZ in verità a 5 V di gate,drainino una corrente inferiore.( magari anche di più )
Poi, bisogna considerare che magari al gate non ci siano 5 V precisi, ma un po' meno ( caduta sulla porta + saturazione del BJT ), Non si può essere così strinti anche perché il mosfet si scalderà e come vedi dalle curve, più si scalda e meno corrente hai a disposizione
Ma quello schema potrebbe andar bene se acquisti dei Mosfet logic level di potenza adeguata.
Però se vuoi provare questo circuito anche con i tuoi IFRZ non ci sono problemi.
Li monti su un buon dissipatore e poi provi e senti quanto scaldano e se il motore ha una buona accelerazione da fermo
E' meglio se li posti.
Forse tipo questo che ti ho fatto con fidocad
Ammettiamo di fare questo cicuito usando gli IFRZ44 che hai in possesso
In questo caso i BJT Q1 e Q2 possono essere dei piccoli BJT tipo 2n2222 o BC 337 etc
Ma il problema rimane per comandare un motore come il tuo
Quando per esempio alimenti Sx e Q1 va in saturazione al Pmos1 sul gate va tutta la tensione di alimentazione e va in saturazione e all' NMos2 sul gate arrivano 5 V.
Se l' alimentazione del motore è 24 V ci sono già 2 problemi
Il primo è che la tensione di -24 V sul gate rispetto al source del Pmos è troppo alta ( ma potrebbe anche farcela
Il problema è del Nmos2 che avrà sul gate solo 5 V e rimarrà in zona lineare
lucaventimiglia ha scritto:Hai ragione. Guardando bene i grafici, in effetti, con soli 5 V sul gate non ce la fa ad andare in saturazione ma si trova in zona attiva. Ma con 5 V non dovrebbe riuscire a drenarmi la corrente necessaria al mio scopo? Io vedo dal grafico che a 5 V può restituirmi una corrente di circa 20A secondo la scala logaritmica.
Ma forse evidentemente sto sbagliando ad interpretarlo.
Il motorino, 20 A potrebbe assorbirli senza bisogno che ai suoi capi ci sia tutta la tensione di alimentazione.
ma rovesciamo il discorso per capire meglio,ammettiamo che allo spunto o sottosforzo assorba di più di 20 A, allora ai capi del mosfet si instaurerà una certa tensione, in pratica la tensione si ripartirà fra motore e mosfet.
Se ai capi del mosfet cadono anche solo 5 V e la corrente è superiore a 20 A allora puoi immaginare la potenza dissipata sul mosfet, ma non solo, il motore non usufruendo di tutta la tensione necessaria avrà problemi a partire se è sotto sforzo e starà molto tempo ad assorbire una corrente elevata
Il discorso rimane lo stesso.
Se Id è 20 A e Valim 24 V allora la resistenza minima di carico deve essere 24/20 = 1,2 ohm o superiore
Questa resistenza di 1,2 ohm sembra molto bassa, ma in verità non abbastanza,perché allo spunto e sotto sforzo ( quando sei sopra e devi partire da fermo )la tensione del motore cade tutta sulla resistenza ohmica del motore che è molto bassa
Poi, non possiamo fidarci del datasheet al milliampere
Può darsi che i tuoi IFRZ in verità a 5 V di gate,drainino una corrente inferiore.( magari anche di più )
Poi, bisogna considerare che magari al gate non ci siano 5 V precisi, ma un po' meno ( caduta sulla porta + saturazione del BJT ), Non si può essere così strinti anche perché il mosfet si scalderà e come vedi dalle curve, più si scalda e meno corrente hai a disposizione
Ma quello schema potrebbe andar bene se acquisti dei Mosfet logic level di potenza adeguata.
Però se vuoi provare questo circuito anche con i tuoi IFRZ non ci sono problemi.
Li monti su un buon dissipatore e poi provi e senti quanto scaldano e se il motore ha una buona accelerazione da fermo
Chi c’è in linea
Visitano il forum: Nessuno e 87 ospiti

Elettrotecnica e non solo (admin)
Un gatto tra gli elettroni (IsidoroKZ)
Esperienza e simulazioni (g.schgor)
Moleskine di un idraulico (RenzoDF)
Il Blog di ElectroYou (webmaster)
Idee microcontrollate (TardoFreak)
PICcoli grandi PICMicro (Paolino)
Il blog elettrico di carloc (carloc)
DirtEYblooog (dirtydeeds)
Di tutto... un po' (jordan20)
AK47 (lillo)
Esperienze elettroniche (marco438)
Telecomunicazioni musicali (clavicordo)
Automazione ed Elettronica (gustavo)
Direttive per la sicurezza (ErnestoCappelletti)
EYnfo dall'Alaska (mir)
Apriamo il quadro! (attilio)
H7-25 (asdf)
Passione Elettrica (massimob)
Elettroni a spasso (guidob)
Bloguerra (guerra)



