Banco di supercondensatori e circuiti di balancing
Moderatori:
carloc,
g.schgor,
BrunoValente,
IsidoroKZ
0
voti
Avere a disposizione dei piccoli trafo ad alta frequenza in realtà significa poco, questi trafo qulacosa li dovrà pur plilotare...
Un comparatore non credo che vada bene, secondo me devi progettare un sistema controreazionato,
prima di andare a scegliere i componenti a livello commerciale perché non cominci a buttar giù uno schema di principio su cui ragionare...
Un comparatore non credo che vada bene, secondo me devi progettare un sistema controreazionato,
prima di andare a scegliere i componenti a livello commerciale perché non cominci a buttar giù uno schema di principio su cui ragionare...
Alberto
La vita è come una bicicletta, devi sempre pedalare per rimanere in equilibrio
Annuncio sempre valido: http://www.electroyou.it/forum/viewtopic.php?f=10&t=62668
La vita è come una bicicletta, devi sempre pedalare per rimanere in equilibrio
Annuncio sempre valido: http://www.electroyou.it/forum/viewtopic.php?f=10&t=62668
-

AlbertoBianchi
2.009 3 5 - Master

- Messaggi: 836
- Iscritto il: 4 dic 2014, 18:30
- Località: Lastra a Signa (FI)
0
voti
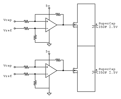
Questo è quello che ho in mente, un opamp in configurazione differenziale, in modo da abilitare l'uscita in base al confronto tra Vcap (la tensione sul condensatore) e Vref (una tensione di riferimento, ho pensato ad un diodo zener usato come riferimento di tensione appunto). Il mosfet comandato, si apre o si chiude per permettere il flusso di corrente su di lui o sul supercap...
Il progetto prevede di costruire un banco intero suddiviso in schede di 20 supercap ciascuna, quindi quel circuitino fatto per due supercap andrebbe fatto per 20 supercap, per una sola scheda, e poi le schede andranno in serie per raggiungere l'obiettivo dei circa 700V.
PS chiedo umilmente perdono se ho disegnato una castroneria immane, ma sono alle prime armi con progettazione da zero di un circuito elettronico, sono un perito elettronico, e sto facendo ingegneria elettrica, dove si usa molto l'elettronica di potenza.
0
voti
I tuoi supercap immagazzinano ciascuno 1094J @ 2.5V equivalenti ad altrettanti W/s, e su scala temporale più breve, per esempio, 1.1MW/ms (MegaWatt
)
Tienilo sempre a mente perché in caso di errori le conseguenze sono altamente distruttive, e lo possono essere anche per il supercap stesso.
Dal datasheet del BCAP0350 E270 T11, ho visto che la resistenza interna è di 3.2mohm e che la corrente di cortocircuito raggiunge 840A; secondo me sarebbe opportuno limitare la corrente che scorre nel mosfet quando comincia ad attivarsi
(e aggiungere alla realizzazione definitiva anche un fusibile di protezione
).
Per come la vedo io, aggiungerei un secondo loop di regolazione per realizzare un carico a corrente costante.
Una resistenza di sense in serie al mosfet e relativo opamp+vref che dovrebbe contro-pilotare - rispetto all'azione del tuo ciruito - il gate del mosfet (o un altro nodo con effetto equivalente), al fine di far rimanere costante la corrente massima.
Non vorrei farti io il progetto (in pratica sono un autodidatta
) e nemmeno vorrei condizionare le tue scelte progettuali, col mio aiuto cerco soltanto di fornirti dei consigli e degli spunti di riflessione per stimolarti a vagliare tutti gli aspetti del funzionamento e relative insidie.
Tienilo sempre a mente perché in caso di errori le conseguenze sono altamente distruttive, e lo possono essere anche per il supercap stesso.
Dal datasheet del BCAP0350 E270 T11, ho visto che la resistenza interna è di 3.2mohm e che la corrente di cortocircuito raggiunge 840A; secondo me sarebbe opportuno limitare la corrente che scorre nel mosfet quando comincia ad attivarsi
(e aggiungere alla realizzazione definitiva anche un fusibile di protezione
Per come la vedo io, aggiungerei un secondo loop di regolazione per realizzare un carico a corrente costante.
Una resistenza di sense in serie al mosfet e relativo opamp+vref che dovrebbe contro-pilotare - rispetto all'azione del tuo ciruito - il gate del mosfet (o un altro nodo con effetto equivalente), al fine di far rimanere costante la corrente massima.
Non vorrei farti io il progetto (in pratica sono un autodidatta
Alberto
La vita è come una bicicletta, devi sempre pedalare per rimanere in equilibrio
Annuncio sempre valido: http://www.electroyou.it/forum/viewtopic.php?f=10&t=62668
La vita è come una bicicletta, devi sempre pedalare per rimanere in equilibrio
Annuncio sempre valido: http://www.electroyou.it/forum/viewtopic.php?f=10&t=62668
-

AlbertoBianchi
2.009 3 5 - Master

- Messaggi: 836
- Iscritto il: 4 dic 2014, 18:30
- Località: Lastra a Signa (FI)
0
voti
Innanzitutto ti ringrazio per le risposte che mi dai, e per la pazienza che riponi in me...sto passando da anni di libri, simboli e formule alla pratica vera e propria, e non è così semplice il balzo! Detto ciò...
In realtà di supercap che ho a disposizioni sono fuori produzione, sono dei "BCAP0350 E270 T03" che hanno i contatti a mò di Faston, questo è il datasheet (http://www.anglia.com/Maxwell/datasheet ... 3_rev3.pdf) e la Isc raggiunge addirittura i 1100A
Quindi intanto mettere una resistenza (immagino di potenza, quindi da qualche W) in serie al supercap, e poi non capisco cosa intendi per
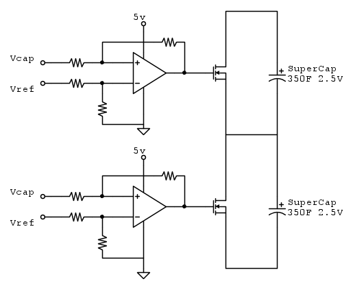
intendi qualcosa del genere?
Un altro circuito interessante che ho trovato è questo
Il supercap stesso alimenta l'opamp, che grazie ad un riferimento di tensione fisso, fa il confronto tra i due valori di tensione ed abilita o meno l'uscita, e quindi l'apertura o la chiusura del Mosfet...
AlbertoBianchi ha scritto:Dal datasheet del BCAP0350 E270 T11, ho visto che la resistenza interna è di 3.2mohm e la corrente di cortocircuito raggiunge 840A; secondo me sarebbe opportuno limitare la corrente che scorre nel mosfet
(e aggiungere alla realizzazione definitiva anche un fusibile di protezione).
In realtà di supercap che ho a disposizioni sono fuori produzione, sono dei "BCAP0350 E270 T03" che hanno i contatti a mò di Faston, questo è il datasheet (http://www.anglia.com/Maxwell/datasheet ... 3_rev3.pdf) e la Isc raggiunge addirittura i 1100A
Quindi intanto mettere una resistenza (immagino di potenza, quindi da qualche W) in serie al supercap, e poi non capisco cosa intendi per
AlbertoBianchi ha scritto:aggiungerei un secondo loop di regolazione per realizzare un carico a corrente costante.
Una resistenza di sense in serie al mosfet e relativo opamp+vref che dovrebbe contro-pilotare - rispetto all'azione del tuo ciruito - il gate del mosfet (o un altro nodo con effetto equivalente), al fine di far rimanere costante la corrente massima.
intendi qualcosa del genere?
Un altro circuito interessante che ho trovato è questo
Il supercap stesso alimenta l'opamp, che grazie ad un riferimento di tensione fisso, fa il confronto tra i due valori di tensione ed abilita o meno l'uscita, e quindi l'apertura o la chiusura del Mosfet...
0
voti
Il supercap stesso alimenta l'opamp, che grazie ad un riferimento di tensione fisso, fa il confronto tra i due valori di tensione ed abilita o meno l'uscita, e quindi l'apertura o la chiusura del Mosfet...
in quel circuito circolano 360mA, tu se vui fare un balancer attivo durante la fase di carica, devi gestire 40A!
Alberto
La vita è come una bicicletta, devi sempre pedalare per rimanere in equilibrio
Annuncio sempre valido: http://www.electroyou.it/forum/viewtopic.php?f=10&t=62668
La vita è come una bicicletta, devi sempre pedalare per rimanere in equilibrio
Annuncio sempre valido: http://www.electroyou.it/forum/viewtopic.php?f=10&t=62668
-

AlbertoBianchi
2.009 3 5 - Master

- Messaggi: 836
- Iscritto il: 4 dic 2014, 18:30
- Località: Lastra a Signa (FI)
0
voti
AlbertoBianchi ha scritto:in quel circuito circolano 360mA, tu se vui fare un balancer attivo durante la fase di carica, devi gestire 40A!
Quindi devo separare il lato controllo/regolazione dal lato potenza. Quindi è corretto come avevo pensato, di usare un alimentazione separata, e da li alimentare opamp, creare il riferimento, e per avere la Vcap, dovrei collegare comunque lato potenza, e lato controllo/regolazione... o no?
0
voti
L' alimentazione la lascerei per ultima cosa, per il momento fai finta che non sia un problema e di poter disporre di tutta quella che sereve.
Alberto
La vita è come una bicicletta, devi sempre pedalare per rimanere in equilibrio
Annuncio sempre valido: http://www.electroyou.it/forum/viewtopic.php?f=10&t=62668
La vita è come una bicicletta, devi sempre pedalare per rimanere in equilibrio
Annuncio sempre valido: http://www.electroyou.it/forum/viewtopic.php?f=10&t=62668
-

AlbertoBianchi
2.009 3 5 - Master

- Messaggi: 836
- Iscritto il: 4 dic 2014, 18:30
- Località: Lastra a Signa (FI)
0
voti
Mi resta il dubbio di come limitare la corrente sulla maglia drain-source e supercap, e come mandare il valore di tensione del supercap all'ingresso dell'opamp!
0
voti
Per limitare la corrente puoi usare il mosfet stesso facendolo lavorare in regime lineare, ovvero in transcoduttanza.
Il procedimento è circa questo: leggi la caduta di tensione sulla resistenza di sense (immagine della corrente);
la amplifichi opportunamente; la confronti con la vref del setpoint e attraverso un'amplificatore di errore, la differenza la invii al gate del mosfet.
La resistenza di sense è più facilmente utilizzabile se la posizioni sul lato freddo (verso gnd)
Analizza bene (e comprendi) lo schema del post 14.... (quello cha hai trovato, non il tuo)
Il procedimento è circa questo: leggi la caduta di tensione sulla resistenza di sense (immagine della corrente);
la amplifichi opportunamente; la confronti con la vref del setpoint e attraverso un'amplificatore di errore, la differenza la invii al gate del mosfet.
La resistenza di sense è più facilmente utilizzabile se la posizioni sul lato freddo (verso gnd)
...come mandare il valore di tensione del supercap all'ingresso dell'opamp!
Analizza bene (e comprendi) lo schema del post 14.... (quello cha hai trovato, non il tuo)
Alberto
La vita è come una bicicletta, devi sempre pedalare per rimanere in equilibrio
Annuncio sempre valido: http://www.electroyou.it/forum/viewtopic.php?f=10&t=62668
La vita è come una bicicletta, devi sempre pedalare per rimanere in equilibrio
Annuncio sempre valido: http://www.electroyou.it/forum/viewtopic.php?f=10&t=62668
-

AlbertoBianchi
2.009 3 5 - Master

- Messaggi: 836
- Iscritto il: 4 dic 2014, 18:30
- Località: Lastra a Signa (FI)
0
voti
AlbertoBianchi ha scritto:Per limitare la corrente puoi usare il mosfet stesso facendolo lavorare in regime lineare, ovvero in transcoduttanza.
Intendi in saturazione? la zona dove tutte le curve sono a Id costante? La zona lineare o attiva del BJT nel MOSFET si chiama saturazione, perché la zona lineare in un mosfet è quella prima.
BJT
MOSFET

Quindi devo limitare la corrente, imponendo al gate una ben definita tensione Vgs...penso di aver capito.. ora ci sbatto la testa, e vediamo che ne esce fuori
Chi c’è in linea
Visitano il forum: Google Adsense [Bot] e 128 ospiti

Elettrotecnica e non solo (admin)
Un gatto tra gli elettroni (IsidoroKZ)
Esperienza e simulazioni (g.schgor)
Moleskine di un idraulico (RenzoDF)
Il Blog di ElectroYou (webmaster)
Idee microcontrollate (TardoFreak)
PICcoli grandi PICMicro (Paolino)
Il blog elettrico di carloc (carloc)
DirtEYblooog (dirtydeeds)
Di tutto... un po' (jordan20)
AK47 (lillo)
Esperienze elettroniche (marco438)
Telecomunicazioni musicali (clavicordo)
Automazione ed Elettronica (gustavo)
Direttive per la sicurezza (ErnestoCappelletti)
EYnfo dall'Alaska (mir)
Apriamo il quadro! (attilio)
H7-25 (asdf)
Passione Elettrica (massimob)
Elettroni a spasso (guidob)
Bloguerra (guerra)




