Cos'è ElectroYou | Login Iscriviti

ElectroYou - la comunità dei professionisti del mondo elettrico

Amplificare segnale sensore

Elettronica lineare e digitale: didattica ed applicazioni

Moderatori: Foto Utentecarloc, Foto Utenteg.schgor, Foto UtenteBrunoValente, Foto UtenteIsidoroKZ

0
voti

[21] Re: Amplificare segnale sensore

Messaggioda Foto UtenteAlbertoBianchi » 31 mar 2016, 17:06

fui86 ha scritto:Va assolutamente bene leggere solo la semionda positiva.
Ho provato con il partitore resistivo con R1=R2=10k, ma l'offset di 2.5 rimane.
L'offset è impostato già all'interno del generatore sinusoidale: Vamp=0.3V e Voffset=2.5.
Purtroppo anche così non viene annullato l'offset. Mi rimane incomprensibile questa cosa!
Mi è matematicamente impossibile da capire.

Allora lo schema è corretto, ed è fatto per amplificare il segnale ma tenere invariato il punto di lavoro a 2.5V (consideralo un gnd virtuale)
Io come offset intendevo l' eventuale differenza tra il 2.5V e il centro del partitore R1+R2 che se c'è te lo ritrovi (amplificato) all'uscita dell' opamp.

Se vuoi leggere il valore di picco di una sola semionda, puoi lasciare tutto cosi e sottrarre 0x1FF dalla lettura dell'adc.

Provvederò via software a trovare il valore del picco ed effettuare i giusti adeguamenti...

Non so quanto sia valido come metodo quello di valutare il valore di picco, ho visto spesso che le forme d'onda della della corrente di rete sono abbastanza distorte.
Se ce la fai con il sample rate del tuo hardware potresti calcolare il valore RMS.
Ultima modifica di Foto UtenteAlbertoBianchi il 31 mar 2016, 17:21, modificato 1 volta in totale.
Alberto
La vita è come una bicicletta, devi sempre pedalare per rimanere in equilibrio

Annuncio sempre valido: http://www.electroyou.it/forum/viewtopic.php?f=10&t=62668
Avatar utente
Foto UtenteAlbertoBianchi
2.009 3 5
Master
Master
 
Messaggi: 836
Iscritto il: 4 dic 2014, 18:30
Località: Lastra a Signa (FI)

0
voti

[22] Re: Amplificare segnale sensore

Messaggioda Foto Utentefui86 » 31 mar 2016, 17:16

AlbertoBianchi ha scritto:
fui86 ha scritto:Va assolutamente bene leggere solo la semionda positiva.
Provvederò via software a trovare il valore del picco ed effettuare i giusti adeguamenti...
Ho provato con il partitore resistivo con R1=R2=10k, ma l'offset di 2.5 rimane.
L'offset è impostato già all'interno del generatore sinusoidale: Vamp=0.3V e Voffset=2.5.
Purtroppo anche così non viene annullato l'offset. Mi rimane incomprensibile questa cosa!
Mi è matematicamente impossibile da capire.

Allora lo schema è corretto, ed è fatto per amplificare il segnale ma tenere invariato il punto di lavoro a 2.5 V (consideralo un gnd virtuale)
Io come offset intendevo l' eventuale differenza tra il 2.5 V e il centro del partitore R1+R2 che se c'è te lo ritrovi (amplificato) all'uscita dell' opamp.

Se vuoi leggere il valore di picco di una sola semionda, puoi lasciare tutto cosi e sottrarre 0x1FF dalla lettura dell'adc.



Per capirci meglio, mi trovo in questa condizione.... cfr foto allegate

tralasciando il fatto che, amplificando tutto, mi amplifica anche 2.5V
Allegati
circuito 4.PNG
circuito 3.PNG
Avatar utente
Foto Utentefui86
5 5
Frequentatore
Frequentatore
 
Messaggi: 114
Iscritto il: 3 gen 2009, 15:34

0
voti

[23] Re: Amplificare segnale sensore

Messaggioda Foto UtenteAlbertoBianchi » 31 mar 2016, 17:25

Funziona tutto alla perfezione....
Il valore medio delle forme d'onda è (e secondo questo schema, deve essere..) a 2.5V

tralasciando il fatto che, amplificando tutto, mi amplifica anche 2.5 V

non capisco cosa intendi...

Ti dispiace ripetere la simulazione portando R1 ed R2 a 2K, vorrei vedere se gli 8 mV di troppo in uscita spariscono...
Alberto
La vita è come una bicicletta, devi sempre pedalare per rimanere in equilibrio

Annuncio sempre valido: http://www.electroyou.it/forum/viewtopic.php?f=10&t=62668
Avatar utente
Foto UtenteAlbertoBianchi
2.009 3 5
Master
Master
 
Messaggi: 836
Iscritto il: 4 dic 2014, 18:30
Località: Lastra a Signa (FI)

0
voti

[24] Re: Amplificare segnale sensore

Messaggioda Foto Utentefui86 » 31 mar 2016, 17:50

AlbertoBianchi ha scritto:Funziona tutto alla perfezione....
Il valore medio delle forme d'onda è (e secondo questo schema, deve essere..) a 2.5 V

tralasciando il fatto che, amplificando tutto, mi amplifica anche 2.5 V

non capisco cosa intendi...

Ti dispiace ripetere la simulazione portando R1 ed R2 a 2K, vorrei vedere se gli 8 mV di troppo in uscita spariscono...


Devo annullare questo offset sul valore medio. Devo portarlo a 0V per poter misurare solo le semionde positive con l'adc.

Comunque in allegato le simulazioni richieste.
Allegati
circuito 4.PNG
circuito 3.PNG
Avatar utente
Foto Utentefui86
5 5
Frequentatore
Frequentatore
 
Messaggi: 114
Iscritto il: 3 gen 2009, 15:34

0
voti

[25] Re: Amplificare segnale sensore

Messaggioda Foto Utentefui86 » 31 mar 2016, 18:11

Comunque ricordo che il segnale in ingresso è di 0.3V con offset di 2.5Vdc nel vSin del circuito sopra proposto
Ultima modifica di Foto Utentefui86 il 31 mar 2016, 18:11, modificato 1 volta in totale.
Avatar utente
Foto Utentefui86
5 5
Frequentatore
Frequentatore
 
Messaggi: 114
Iscritto il: 3 gen 2009, 15:34

1
voti

[26] Re: Amplificare segnale sensore

Messaggioda Foto UtenteAlbertoBianchi » 31 mar 2016, 18:11

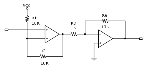
Prova così, il primo opamp annulla l'offset, il secondo amplifica 10 (invertente come il tuo schema)
Alberto
La vita è come una bicicletta, devi sempre pedalare per rimanere in equilibrio

Annuncio sempre valido: http://www.electroyou.it/forum/viewtopic.php?f=10&t=62668
Avatar utente
Foto UtenteAlbertoBianchi
2.009 3 5
Master
Master
 
Messaggi: 836
Iscritto il: 4 dic 2014, 18:30
Località: Lastra a Signa (FI)

0
voti

[27] Re: Amplificare segnale sensore

Messaggioda Foto Utentefui86 » 31 mar 2016, 18:15

Tecnicamente non è quasi identico allo schema che abbiamo fatto prima ? La differenza che noto è che è diviso in due stadi: il primo annulla l'offset e fa da buffer, mentre il secondo amplifica.
Confermi?
Se in caso fosse affermativa, cosa cambia ? Non riesco a capirlo matematicamente...
Avatar utente
Foto Utentefui86
5 5
Frequentatore
Frequentatore
 
Messaggi: 114
Iscritto il: 3 gen 2009, 15:34

0
voti

[28] Re: Amplificare segnale sensore

Messaggioda Foto UtenteAlbertoBianchi » 31 mar 2016, 18:21

cambia che il primo opamp trasla verso gnd il punto di lavoro portandolo a 0V (sottrae 2,5V)
L' ho solo pensato, prova a simularlo e vediamo se va....
Alberto
La vita è come una bicicletta, devi sempre pedalare per rimanere in equilibrio

Annuncio sempre valido: http://www.electroyou.it/forum/viewtopic.php?f=10&t=62668
Avatar utente
Foto UtenteAlbertoBianchi
2.009 3 5
Master
Master
 
Messaggi: 836
Iscritto il: 4 dic 2014, 18:30
Località: Lastra a Signa (FI)

0
voti

[29] Re: Amplificare segnale sensore

Messaggioda Foto UtenteAlbertoBianchi » 1 apr 2016, 0:58

Scusami se nel post precedente ti ho dato una risposta decisamente insufficiente, ma andavo di fretta.
Provo ora a spiegarti meglio il ragionamento riguardo al primo operazionale:

L'amplificatore operazionale che lavora in loop chiuso (controreazionato) opera sempre per fare in modo che il potenziale dei due ingressi venga ad essere uguale (non è esattamente così perché il guadagno ad anello aperto, non è infinito, ma ai fini del ragionamento possiamo considerarlo così)

Nel nostro caso abbiamo l'ngresso non invertente a 2.5V (Voffset), di conseguenza l'uscita si posizionerà ad un livello di tensione tale, che in funzione della corrente che verrà a circolare nelle resistenze R1 ed R2, il potenziale del pin invertente venga a trovarsi allo stesso valore di quello non invertente.

In questa situazione di equilibrio, avremo che la tensione ai capi di R1 sarà pari a VCC - Voffset ovvero 2.5V, e siccome R2 è di valore identico ad R1 e la corrente che vi circola è esattamente la stessa (facciamo anche finta che l'impedenza degli ingressi sia infinita), anche la tensione ai capi di R2 sarà ugualmente di 2.5V.
Ne deriva l'uscita sarà a -2.5V dall'ingresso non invertente, ovvero esattamente a 0V (gnd) per una tensione di alimentazione pari 5V.

In realtà la cosa vale anche per valori di tensione di alimentazione diversi perché l'offset dell' ACS712 è definito come metà della tensione di alimentazione e non come valore fisso.

Quando all'uscita del sensore apparirà il segnale relativo alla corrente letta, l'uscita dell'operazionale lo seguirà fedelmente ma con lo 0V come livello di riferimento.

Per la simulazione ti consiglio di usare un alimentazione duale per gli operazionali +/-5V così si potrà valutare meglio la simmetria delle formed'onda rispetto a gnd.
Alberto
La vita è come una bicicletta, devi sempre pedalare per rimanere in equilibrio

Annuncio sempre valido: http://www.electroyou.it/forum/viewtopic.php?f=10&t=62668
Avatar utente
Foto UtenteAlbertoBianchi
2.009 3 5
Master
Master
 
Messaggi: 836
Iscritto il: 4 dic 2014, 18:30
Località: Lastra a Signa (FI)

0
voti

[30] Re: Amplificare segnale sensore

Messaggioda Foto Utentefui86 » 1 apr 2016, 10:04

Buongiorno ragazzi,
ho effettuato la prova come mi hai detto te Alberto.

Potrebbe funzionare....
più tardi di mostro la visualizzazione con alimentazione sbilanciata.

Il problema che mi pongo è: perché dopo il primo stadio il segnale riportato a 0V di offset mi arriva amplificato? considerando che è uno stadio di buffer?
Allegati
circuito 4.PNG
circuito 3.PNG
Avatar utente
Foto Utentefui86
5 5
Frequentatore
Frequentatore
 
Messaggi: 114
Iscritto il: 3 gen 2009, 15:34

PrecedenteProssimo

Torna a Elettronica generale

Chi c’è in linea

Visitano il forum: Nessuno e 82 ospiti