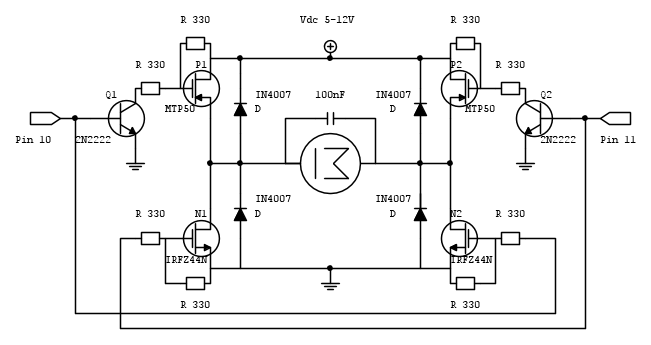
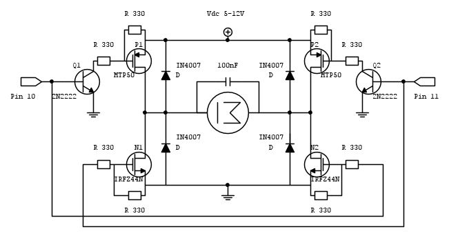
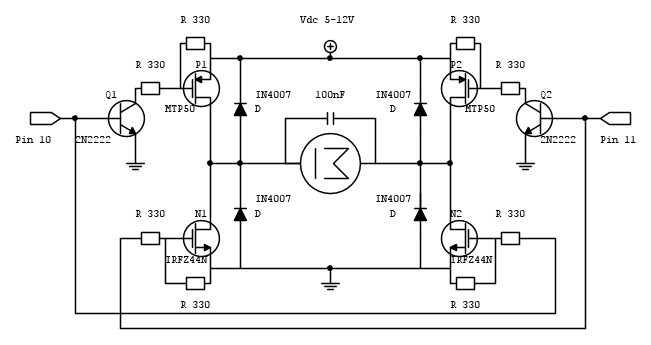
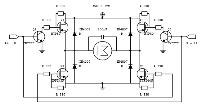
lucaventimiglia ha scritto:Possiede in negozio però questi qui >>http://www.st.com/web/en/resource/technical/document/datasheet/CD00002178.pdf
e se noti il grafico della Id=f(Vds) permettono di controllare una corrente di drain dai 20A in su con una Vgs di 5 V. Secondo te per arrangiare potrebbero andare bene nel frattempo che aspetto che mi arrivino gli n-channel logic level? Altrimenti è inutile che spendo altri soldi.
Secondo me è inutile acquistare questi.
Nel frattempo, se sei impanziente di provare, usa, gli IFRZ44 che hai di già, tanto sono allo stesso livello.
Quei P-channel logic level che ti arriveranno, sopportano solo una -Vgs di 15 V.
Pertanto se alimenti il motore con soli 12 V, lo schema postato va bene,
Se invece alimenti il motore con 24 V bisogna provvedere ad abbassare la -Vgs con un partitore

Elettrotecnica e non solo (admin)
Un gatto tra gli elettroni (IsidoroKZ)
Esperienza e simulazioni (g.schgor)
Moleskine di un idraulico (RenzoDF)
Il Blog di ElectroYou (webmaster)
Idee microcontrollate (TardoFreak)
PICcoli grandi PICMicro (Paolino)
Il blog elettrico di carloc (carloc)
DirtEYblooog (dirtydeeds)
Di tutto... un po' (jordan20)
AK47 (lillo)
Esperienze elettroniche (marco438)
Telecomunicazioni musicali (clavicordo)
Automazione ed Elettronica (gustavo)
Direttive per la sicurezza (ErnestoCappelletti)
EYnfo dall'Alaska (mir)
Apriamo il quadro! (attilio)
H7-25 (asdf)
Passione Elettrica (massimob)
Elettroni a spasso (guidob)
Bloguerra (guerra)



So che in quel caso le correnti in gioco saranno molto più alte. A vuoto la corrente che circola è 0,66A .





